Контрольная работа: Многоканальная связь на железнодорожном транспорте
Белорусский
Государственный Университет Транспорта
Факультет безотрывного
обучения
Кафедра «Системы
передачи информации»
Контрольная работа
№ 1 и № 2
по дисциплине
«Многоканальная связь на железнодорожном транспорте»
Выполнил:
студент
группы ЗСПИ-51
Титюра
Ю. А.
уч. шифр:
89-09-ЗЭТ-521
Проверил:
ассистент
Матусевич
В. О.
Гомель, 2010
Задача
1.1
Определить
напряжение и частоту верхней и нижней составляющих боковых колебаний
модулированного сигнала при заданных составляющих модулирующего сигнала.
Исходные
данные:
Частоты
составляющих модулирующего сигнала, кГц:
F1
= 0,32 F5
= 0,8
F2
= 0,35 F6
= 1,2
F3
= 0,41 F7
= 2,4
F4
= 0,52 F8
= 2,6
Частота
модулируемого колебания, кГц:
f
= 24
Амплитуда
напряжения модулируемого колебания, В:
Um
= 4,7
Коэффициент
глубины модуляции:
m
= 0,73
Решение.
При
амплитудной модуляции модулированный сигнал выражается следующим образом:
(1.1)
или
(1.2)
Таким
образом, модулированный сигнал представляет собой колебание несущей частоты f
и
боковые колебания с частотой
.
Найдём
составляющие боковых полос и их амплитуды и построим спектрограмму
модулированного сигнала (рисунок 1).
Амплитуда
боковых составляющих: Un
=
=
= 1,7155 В.
Рассчитаем
значения боковых частот верхней и нижней полосы с помощью таблицы Microsoft
Excel (таблица 1.1).
Таблица
1.1 – Значения верхней и нижней полосы боковых частот

Верхняя
полоса: Нижняя полоса:
f + F1
= 24,32 кГц f
–
F1
= 23,68 кГц
f + F2
= 24,35 кГц f
–
F2
= 23,65 кГц
f +
F3
= 24,41 кГц f
–
F3
= 23,59 кГц
f +
F4
= 24,52 кГц f
–
F4
= 23,48 кГц
f +
F5
= 24,80 кГц f
–
F5
= 23,20 кГц
f +
F6
= 25,20 кГц f
–
F6
= 22,80 кГц
f +
F7
= 26,40 кГц f
–
F7
= 21,60 кГц
f +
F8
= 26,60 кГц f
–
F8
= 21,40 кГц

Рисунок
1.1 – Спектрограмма модулированного сигнала
Для
расчёта мгновенных значений составляющих АМ-сигнала для моментов времени 3, 15
и 28 мс воспользуемся формулой (1.2).
Расчёт
произведём при помощи программы MathCAD
14 Professional. Все дальнейшие
расчёты так же будут производиться при помощи программы MathCAD
14 Professional.
Расчёты
в MathCAD 14 Pro:

В
результате расчётов получены мгновенные значения составляющих АМ-сигнала для
моментов времени 3, 15 и 28 мс:
U = 5,095 В для t
= 3 мс;
U = 22,561 В для t
= 15 мс;
U = –0,942 В для t
= 28 мс.
Задача
1.2
Определить
диапазон частот, в который нужно перенести исходный спектр частот сигнала,
чтобы относительная ширина его была равна заданному значению.
Исходные
данные:
Относительная
ширина спектра m:
4,2
1,3
Исходный
спектр f1
… f2,
кГц:
270…325
3…28
Решение.
Обозначим
верхнюю и нижнюю частоту требуемого спектра f21
и f11.
Перенос
спектра осуществляется путём использование некой несущей частоты f0.
f21
= f2
+ f0 (1.3)
f11
= f1
+ f0 (1.4)
Тогда,
учитывая, что относительная ширина спектра
,
выводим соотношение:
(1.5)
Таким
образом, решая уравнение (1.5), определяем f0.
.
Теперь
найдём требуемый спектр, исходя из формул (1.3) и (1.4):
,
.
Произведём
расчёты для первого исходного спектра f1
= 270
f2
= 325 кГц при
и
и для второго исходного
спектра f1
= 3
f2
= 28 кГц при тех же значениях m.
Находим f21
и f11в
кГц.

Выразим
ширину каждого исходного и полученного спектра в октавах:
,
где
n – число октав.
Тогда,
.
Для
исходных спектров, октавы равны:

Для
полученных спектров, октавы равны:

Задача
1.3
Определить
несущую частоту модулируемого колебания, при помощи которой можно переместить
исходный спектр частот в требуемую полосу частот.
Исходные
данные:
1)
Исходный
спектр, кГц:
22…40
Требуемый
спектр, кГц:
142…160
2)
Исходный
спектр, кГц:
145…160
Требуемый
спектр, кГц:
10…25
Решение.
1)
Перенос
спектра в диапазон более высоких частот осуществляется с использованием одной
несущей частоты f0.
f21
= f2
+ f0 (1.6)
f11
= f1
+ f0
Следовательно,
f0
= f21
– f2
= f11
– f1 (1.7)

Изобразим
спектрограмму сигналов.

Рисунок
1.2 – Спектрограмма сигналов
2)
Перенос
спектра из области высоких частот в область более низких частот производится с
использованием двух несущих частот f01
и f02.
При
модуляции несущей f01
из полученного спектра вырезается нижняя боковая полоса (инверсный спектр),
который затем модулируется несущей f02.
Нижняя боковая полоса полученного сигнала и будет являться требуемым спектром.
Частоты
f01
и f02
могут быть выбраны любыми, удовлетворяющими следующим условиям:
f01 > f02;
f01 ≥ f2;
f01 – f02 = f2 – f21
= f1 – f11.
По
условию:
f1 =
145 кГц; f2
= 160 кГц;
f11 =
10 кГц; f21
= 25 кГц.
f01
– f02
= 160 – 25 = 145 – 10 = 135 (кГц)
Значит
можно принять: f01
– f02
= 190 – 55.
Следовательно,
f01
= 190 кГц, а f02
= 55 кГц.
Первое
преобразование:
Верхняя
боковая полоса (прямой спектр):
f2В1
= f2
+ f01
= 160 + 190 = 350 кГц;
f1В1
= f1
+ f01
= 145 + 190 = 335 кГц.
Нижняя
боковая полоса (инверсный спектр):
f1Н1
= f01
– f2
= 190 – 160 = 30 кГц;
f2Н1
= f01
– f1
= 190 – 145 = 45 кГц.

Рисунок
1.3 – Спектрограмма сигналов (1-ое преобразование)
Второе
преобразование:
Верхняя
боковая полоса (прямой спектр):
f2В11
= f2Н1
+ f02
= 45 + 55 = 100 кГц;
f1В11
= f1Н1
+ f02
= 30 + 55 = 85 кГц.
Нижняя
боковая полоса (инверсный спектр):
f1Н11
= f02
– f2Н1
= 55 – 45 = 10 кГц;
f2Н11
= f02
– f1Н1
= 55 – 30 = 25 кГц.

Рисунок
1.4 – Спектрограмма сигналов (двойное преобразование)
Нижняя
полоса второго преобразования представляет собой требуемый спектр в диапазоне:
(f1Н11
… f2Н11)
= (f11
… f21)
= (10 … 25 кГц).
Таким
образом, несущие: f01
= 190 кГц, f02
= 55 кГц.
Итак,
прямой перенос спектра в диапазон более высоких частот осуществляется с помощью
одного прямого преобразования, а в диапазон более низких частот – с помощью 2-х
инверсных преобразований.
Задача
1.4
Составить
структурную схему оконечной станции системы многоканальной связи.
Исходные
данные:
Число
каналов: 1200
Число
линейных полос: две
Нижняя
частота линейного спектра: 22 кГц
Номер
канала: 25
Решение.
В
основу построения многоканальной системы передачи положим решение, которое будет
основываться на первичных, вторичных, третичных и четверичных группах, при
использовании фильтров, модуляторов, усилителей и др. оборудования.
Группообразование
осуществляется, следующим образом:
1) С
помощью индивидуального преобразования полоса частот исходных информационных
сигналов 0,3…3,4 кГц (для построения системы берём диапазон с защитным
интервалом – 0…4 кГц) переносится с инверсией в полосу частот 60…108 кГц 12-канальной
первичной группы. Организуется 1200 / 12 = 100 таких первичных групп (ПГ).
Частоты
несущих:
fН
= 108 – 4 ( n – 1 ), где n
= 1 ... 12
fН1
= 108 кГц; fН2
= 104 кГц; fН3
= 100 кГц;
fН4
= 96 кГц; fН5
= 92 кГц; fН6
= 88 кГц;
fН7
= 84 кГц; fН8
= 80 кГц; fН9
= 76 кГц;
fН10
= 72 кГц; fН11
= 68 кГц; fН12
= 64 кГц.

Рисунок
1.5 – Построение 12-канальной первичной группы
2) Далее,
полоса частот 12-канальной первичной группы с инверсией переносится в полосу
частот 120-канальной вторичной группы (ВГ), где частота нижней несущей должна
быть не менее чем в 2 раза выше максимальной частоты сигнала ПГ, т.е. fниж.нес.
≥
216 кГц, возьмём fниж.нес.
=
324 кГц. Итак, сигнал переносится в полосу частот 216…696 кГц. Организуется 100
/ 10 = 10 вторичных групп (ВГ).
Частоты
несущих:
fН
= 324 + 48 ( n – 1 ), где n
= 1 ... 10
fН1
= 324 кГц; fН2
= 372 кГц;
fН3
= 420 кГц; fН4
= 468 кГц;
fН5
= 516 кГц; fН6
= 564 кГц;
fН7
= 612 кГц; fН8
= 660 кГц;
fН9
= 708 кГц; fН10
= 756 кГц.

Рисунок
1.6 – Построение 120-канальной вторичной группы
Остальные
преобразования осуществляются без инверсии. Полоса частот 120-канальной ВГ преобразуется
и переносится в полосу частот 600-канальной третичной группы (ТГ) 2088…4704
кГц. Организуется 10 / 5 = 2 третичные группы (ТГ).
Частоты
несущих:
fН
= 2088 + 480 ( n – 1 ), где n
= 1 ... 5
fН1
= 2088 кГц;
fН2
= 2568 кГц;
fН3
= 3048 кГц;
fН4
= 3528 кГц;
fН5
= 4008 кГц.

Рисунок
1.7 – Построение 600-канальной третичной группы
3) Полоса
частот 600-канальной ТГ преобразуется и переносится в полосу частот
1200-канальной четвертичной группы (ЧГ) 16416…21216 кГц. Организуется 2 / 2 = 1
четвертичная группа (ЧГ).
Частоты
несущих:
fН
= 14112 + 2400 ( n – 1 ), где n
= 1 ... 2
fН1
= 14112 кГц;
fН2
= 16512 кГц.

Рисунок
1.8 – Построение 1200-канальной четвертичной группы
4) Полученный
групповой спектр, занимающий диапазон частот 16416…21216 кГц, переноситься в
диапазон с нижней частотой спектра 22 кГц (в соответствии с заданием).
Так
как линейный спектр по заданию содержит две полосы, это значит, что система однокабельная,
в котором одна полоса частот (11022…15822 кГц) работает в режиме приёма, а
другая (22…4822 кГц) – в режиме передачи. Разделённые частотным интервалом в 6200
кГц, который, по условию, должен быть не менее 1.1 ширины спектра. Перенос
будет осуществляться при помощи двойного преобразования.

Рисунок
1.9 – Построение двухполосного линейного спектра
Первое:
несущей частотой fН11
= 48000 кГц перемещаем полученный спектр в нижний диапазон частот 26784…31584
кГц. Второе: с помощью несущих частот fН21
= 31606 кГц и fН22
= 42606 кГц перемещаем спектр, полученный в результате первого преобразования,
также в нижние диапазоны частот соответственно 22…4822 кГц и 11022…15822 кГц.
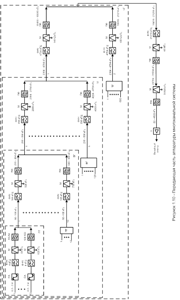
А
теперь разработаем структурную схему аппаратуры оконечной станции
многоканальной системы.
Структурные
схемы аппаратуры оконечной станции изображены на рисунках 1.10 и 1.11.
Система
содержит 32 номинала несущих частот:
·
12
индивидуальных для формирования / расформирования ПГ;
·
10
групповых для ВГ;
·
5
групповых для ТГ;
·
2
групповых для ЧГ;
·
3
для формирования / расформирования линейного спектра, при этом в передающей и
приёмной части для распределения по полосам 2 различные несущие и одна
одинаковая в обеих частях системы для первого преобразования (формирования /
расформирования линейного спектра).
Исходя
из этого, передающая часть имеет 31 тип модуляторов М, и, соответственно,
приёмная часть имеет столько же разнотипных демодуляторов Д.
Полосовые
фильтры ПФ в системе распределяются по номиналам в количестве 32 шт.:
·
12
для ПГ;
·
10
для ВГ;
·
5
для ТГ;
·
2
для ЧГ;
·
1
для первого преобразования полосы частот 1200-канальной группы в линейную
полосу частот системы в передающей части и, наоборот, для приёмной;
·
2
разных по номиналу фильтра направления в передающей и в приёмной частях системы.
Чтобы
устранить возможность негативного влияния кратковременных чрезмерно высоких
уровней, появляющихся в индивидуальном канале тональной частоты, на работу
аппаратуры многоканальной системы, на входах ПГ перед ФНЧ в передающей части
системы включается ограничитель амплитуд ОА. На входах / выходах каждой группы
и при формировании / расформировании линейного спектра соответственно в
передающей и приёмной частях системы для выделения нужного спектра применяются
5 номиналов фильтров нижних частот ФНЧ.
Определим
диапазон частот, занимаемым 25 каналом.
1)
Для
передачи.
Так
как для передачи линейный спектр – прямой, то первый канал будет занимать низшую
полосу частот, т.е. каналы 1…12 занимают полосу 22…70 кГц, по 4 кГц каждый.
fН
= 22 + 4
(25 – 1) = 118 кГц,
fВ
= 22 + 4
25 = 122 кГц.
Т.е.
25 канал занимает полосу частот 118…122 кГц.
Определим
виртуальную несущую частоту для перемещения в эту полосу частот спектра тональной
частоты 0,3…3,4 кГц, взятого с запасом 0…4 кГц.
Следовательно,
для того, что бы переместить исходный спектр ТЧ в линейную полосу частот 118…122
кГц, нужно использовать виртуальную несущую частоту:
fВирт.25
= 122 – 4 = 118 – 0 = 118 кГц.
2)
Для
приёма.
Так
как и для приёма линейный спектр также прямой, то:
fН
= 11022 + 4
(25 – 1) = 11118 кГц,
fВ
= 11022 + 4
25 = 11122 кГц.
25
канал занимает полосу частот 11118…11122 кГц.
Виртуальная
несущая частота: fВирт.25
= 11118 кГц.
1)
Что
даёт групповой принцип построения, используемый в современных системах многоканальной
связи?
Использования
принципа многократного преобразования частоты позволяет уменьшить число типов
различных устройств (узлов), входящих в схему аппаратуры (полосовых фильтров,
преобразователей частоты и т. д.), а так же число номиналов (значений) несущих
частот, что значительно упрощает технологию изготовление аппаратуры.
2)
Какая
частота называется виртуальной и как она определяется?
Виртуальной
несущей частотой называется воображаемая несущая частота, с помощью которой
можно было бы исходный спектр переместить в линейную полосу частот путём
однократного преобразования (минуя все промежуточные ступени преобразования). Виртуальная
несущая частота занимает в линейном спектре канала то положение, которое
занимала бы в нём нулевая частота, если бы имелась в исходном спектре.
Системы
многоканальной связи – это такие системы электросвязи, которые обеспечивают
одновременную и независимую передачу сообщений от нескольких отправителей к
такому же числу получателей, и в сочетании с коммутационными системами являются
важнейшими составными частями единой автоматизированной системы связи. В основе
их построения лежит принцип уплотнения линий связи. Наиболее распространено
частотное уплотнение, при котором каждому каналу связи отводится определённая
часть области частот, занимаемой трактом групповой передачи сообщений. В
качестве стандартного канала принимается канал тональной частоты (ТЧ),
обеспечивающий передачу речевого (телефонного) сообщения с эффективной полосой
частот 300…3400 Гц. С учётом защитных промежутков между каналами каждому из них
отводится номинальная полоса частот 0…4 кГц. При построении многоканальной
связи с частотным уплотнением используется метод объединения каналов в
групповые тракты. Вначале образуют первичный групповой тракт из 12 каналов, в
нашем случае стандартный, занимающий полосу частот 60…108 кГц. Для этого каждый
канал посредством своего индивидуального преобразователя частоты (модулятора)
переносится в соответствующую область полосы частот первичного тракта. Далее,
из первичных групповых трактов аналогичным образом формируется вторичный и т.
д.


Задача
2.1
Установить,
какие составляющие колебания возникнут в спектре стандартного телефонного
канала за счёт нелинейности при подаче на его вход двух гармонических колебаний
разных частот.
Исходные
данные:
Частота
колебания f1, кГц:
0,38
1,8
Частота
колебания f2, кГц:
0,36
1,25
Решение.
На вход канала подаётся сигнал с величиной
амплитуд напряжений для упрощения принятой за единицу:
(2.1)
За
счёт нелинейности на выходе канала сигнал:
(2.2)
Проведём
преобразования:











Таким
образом, в полученном спектре за счёт нелинейности возникают колебания
следующих частот:

Построим
спектрограмму и определим колебания, выходящие за пределы канала ТЧ (все
рассчитанные единицы измеряются в кГц).
1)


Рисунок
2.1 – Спектрограмма № 1
То
есть из спектра канала ТЧ 0,3…3,4 кГц выпадает, только частота, кГц:
f1
– f2
= 0,02
2)


Рисунок
2.2 – Спектрограмма № 2
В
спектр канала ТЧ 0,3…3,4 кГц не вошла, только частота, кГц:
3·f2
= 3,75
3)


Рисунок
2.3 – Спектрограмма № 3
В
спектр канала ТЧ 0,3…3,4 кГц не вошли, частоты, кГц:
2·f1
= 3,6 2·f1
+ f2
= 3,96 3·f1
= 5,4
4)


Рисунок
2.4 – Спектрограмма № 4
В
спектр канала ТЧ 0,3…3,4 кГц не вошли частоты, кГц:
2·f1
= 3,6 3·f2
= 3,75 2·f2
+ f1
= 4,3 2·f1
+ f2
= 4,85 3·f1
= 5,4
Нелинейные
искажения в этом случае минимальны, так как большинство комбинированных частот,
возникших в результате нелинейных искажений, выходят за пределы спектра
телефонного канала, и, следовательно, не оказывают никакого влияния на
принимаемый сигнал.
Нелинейные
искажения вызваны нелинейностью системы обработки и передачи сигнала. Эти
искажения вызывают появление в частотном спектре выходного сигнала
составляющих, отсутствующих во входном сигнале. Нелинейные искажения
представляют собой изменения формы колебаний, проходящих через электрическую цепь
(например, через усилитель или трансформатор), вызванные нарушениями
пропорциональности между мгновенными значениями напряжения на входе этой цепи и
на ее выходе. Это происходит, когда характеристика выходного напряжения
нелинейно зависит от входного.
Для
оценки нелинейных искажений, появляющихся от нелинейности амплитудной
характеристики ТЧ, пользуются понятием коэффициента нелинейных искажений,
который иногда называют клирфактором, К1:
,
или
коэффициента гармоник К2:
, где
U1
– амплитуда напряжения основной частоты (первой гармоники канала);
U2
, U3
…– амплитуда второй, третей и т.д. гармоники.
Коэффициент
гармоник и клирфактор связаны соотношением:
.
Для
каналов ТЧ нормируется коэффициент нелинейных искажений. Он не должен превышать
1,5 % при подаче на вход канала тока частотой 800 Гц при уровне 13 дБ.
Типовые
значения коэффициента нелинейных искажений: 0 % – синусоида; 3 % – форма,
близкая к синусоидальной; 5 % – форма, приближенная к синусоидальной
(отклонения формы уже заметны на глаз); до 21 % – сигнал трапецеидальной или
ступенчатой формы; 43 % – сигнал прямоугольной формы.
Для
оценки нелинейности групповых трактов используется затухание нелинейности по
второй, третьей и т.д. гармоникам, выраженное в децибелах:
, где
U1
– амплитуда напряжения основной частоты (первой гармоники канала);
Un
–
амплитуда n-ой гармоники;
P1
, Pn – мощности этих
гармоник.
Задача
2.2
Определить
псофометрическое напряжение, мощность и уровень шума, создаваемого группой его
составляющих.
Исходные
данные:
Частоты
составляющих шума:
0,3
кГц
0,5
кГц
1,3
кГц
2,5
кГц
3,0
кГц
Эффективные
напряжения составляющих шума,:
0,3
мВ
3,5
мВ
1,2
мВ
0,8
мВ
0,1
мВ
Решение.
Оценка
общей интенсивности шума производится суммированием мощностей отдельных составляющих.
Тогда напряжение суммированного шума можно получить суммированием его
составляющих по квадратичному закону:
(2.3)
Псофометрическое
напряжение на определенной частоте:
Uпсfi
= Ki
×
Ufi
,
где (2.4)
Ufi – напряжение i-й
частотной составляющей;
Ki – псофометрический
коэффициент.
Тогда
суммарное псофометрическое напряжение шума:
(2.5)
Псофометрическая мощность шума:
(2.6)
Псофометрический уровень шума:
(2.7)
В
соответствии с псофометрической характеристикой для телефонных каналов,
рекомендованной МККТТ [1, стр. 135], находим псофометрические коэффициенты для
заданных частот. Далее по формулам (2.5), (2.6), (2.7) определяем
соответственно суммарное псофометрическое напряжение шума U,
псофометрическую мощность шума P
и псофометрический уровень шума Pp:


Рисунок
2.5 – Псофометрическая характеристика для телефонных каналов
Таблица
2.1 – Значения псофометрических коэффициентов для различных частот
|
f, Гц
|
Kn
|
f, Гц
|
Kn
|
| 300 |
0,295 |
1900 |
0,723 |
| 400 |
0,484 |
2000 |
0,708 |
| 500 |
0,661 |
2100 |
0,689 |
| 600 |
0,794 |
2200 |
0,670 |
| 700 |
0,902 |
2300 |
0,652 |
| 800 |
1,000 |
2400 |
0,634 |
| 900 |
1,072 |
2500 |
0,617 |
| 1000 |
1,22 |
2600 |
0,598 |
| 1100 |
1,072 |
2700 |
0,580 |
| 1200 |
1,000 |
2800 |
0,562 |
| 1300 |
0,955 |
2900 |
0,543 |
| 1400 |
0,905 |
3000 |
0,525 |
| 1500 |
0,861 |
3100 |
0,501 |
| 1600 |
0,824 |
3200 |
0,473 |
| 1700 |
0,791 |
3300 |
0,444 |
| 1800 |
0,760 |
3400 |
0,412 |
Псофометрическим
напряжением называется действующее значение напряжения помех (шумов),
измеренное на активном сопротивлении 600 Ом, с учётом неодинакового воздействия
напряжения помех различных частот на качество телефонной передачи при помощи
весовых (псофометрических коэффициентов) и вычисляется по формуле (2.5).
Псофометрическое
напряжение шума измеряется псофометром. Псофометр представляет собой
электронный измеритель действующих значений напряжения с псофометрической
характеристикой чувствительности, которая формируется четырёхполюсником,
называемым псофометрическим фильтром.
Наряду
с псофометрическим напряжением шум характеризуется псофометрической мощностью,
выделяемой на сопротивлении 600 Ом. Псофометрическая мощность шума определяется
формулой (2.6).
Псофометрический
уровень шума или помех по мощности (дБ псоф) определяется из выражения (2.7).
В
соответствии с рекомендациями МККТТ для канала ТЧ условной кабельной цепи
протяжённостью 2500 км в точке с относительным нулевым уровнем средняя за любой
час псофометрическая мощность помех не должна превышать 10000 пВт (псоф) для
кабельных линий и 20000 пВт (псоф) для воздушных линий связи при
метеорологических условиях «лето-сыро», чему соответствует псофометрическое напряжение
в точке канала с относительным уровнем – 7 дБ соответственно 1,1 и 1,5 мВ (псоф).
Задача
2.3
A
Определить
абсолютные уровни мощности, напряжения и тока сигналов при заданных значениях
их мощности, напряжения и тока.
Исходные
данные:
Мощность
сигнала P:
12
мВт
0,75
мВт
Напряжение
сигнала U:
1,25
В
0,05
В
Ток
сигнала I:
0,07
мА
4,5
мА
Решение.

где
P0,
U0,
I0
– абсолютные нулевые уровни соответственно мощности, напряжения и тока. В
соответствии с рекомендациями МККТТ абсолютный нулевой уровень напряжения и
тока определяется на нагрузке с активным сопротивлением R0
= 600 Ом по формулам:
= 0,775 В,
= 1,29 · 10-3
А,
Вт.
Вычисляем
абсолютный уровень при заданных значениях U,
I и P:

Б
Определить
мощности, мощность и напряжение сигнала в различных точках тракта передачи по
уровням напряжения в этих точках.
Исходные
данные:
Сопротивление
R, кОм:
0,65
1,4
1,2
0,9
Абсолютный
уровень p, дБ:
+1,5
–2,1
–7,3
+1,8
Решение

Рисунок
2.6 – Условный тракт
Уровень
мощности в определённой точке связан с уровнем напряжения соотношением:
, где (2.8)
в
качестве Zн будет выступать входное сопротивление четырёхполюсника в
соответствующей точке (R).
Значение мощности и напряжения определяются по формулам:

Произведём
расчёты для четырёх точек.

Уровнем
сигнала называется логарифмическое отношение мощности, напряжения или тока в
данной точке цепи Px,
Ux, Ix
к мощности, напряжению или току, которые приняты за исходные P0,
U0,
I0:

В
зависимости от значений величин, принятых за исходные, различают абсолютный,
относительный и измерительный уровни.
Абсолютным
называется уровень, когда за исходные величины приняты мощность P0 =
1 мВт, напряжение U0 = 0, 755 B и ток I0 = 1,29 мА.
Значения U0 и I0 определены на основе Р0 = 1
мВт для величины сопротивления нагрузки Rн = 600 Ом, так как входное
и выходное сопротивления большинства устройств связи имеет величину 600 Ом.
Относительным
называется уровень, определяемый в точке x
системы при значениях Р0, U0, I0,
соответствующих величинам в некоторой другой точке цепи, принятой за исходную.
Измерительным
уровнем называют абсолютный уровень в какой-либо точке системы при условии, что
на ее вход подан сигнал с нулевым уровнем.
Согласно
рекомендации МККТТ эффективно пропускаемой полосой канала ТЧ называется полоса,
неравномерность остаточного затухания которой на крайних частотах не превышает
величину 8,7 дБ. Эффективная полоса канала ТЧ 0,3 – 3,4 кГц, а эффективная
полоса пропускания первичного широкополосного канала 60 – 108 кГц.
Значение
уровня передачи на входе четырёхполюсника канала ТЧ нормируется равным 13 дБ, а
на выходе – 4 дБ.
Задача
2.4
Определить
запас устойчивости канала при заданных условиях работы.
Исходные
данные:
Сопротивление
нагрузки с линейной стороны.
Модуль
сопротивления zл:
|zл1|
= 1,3 кОм,
|zл2|
=
0,95 кОм.
Угол
сопротивления:
φл1
= –12 град,
φл2
= +27 град.
Сопротивление
нагрузки с балансовой стороны.
Модуль
сопротивления zб:
|zб1|
= 1,4 кОм,
|zб2|
= 1,7 кОм.
Угол
сопротивления:
φб1
= –4 град,
φб2
= –12 град.
Усиление
в канале:
S1
= 4,5 дБ,
S2
= 2,5 дБ.
Затухание
удлинителей:
α1
= 4,1 дБ,
α2
= 2,1 дБ.
Решение.

Рисунок
2.7 – Схема двухстороннего канала ТЧ
Запас
устойчивости двухстороннего канала связи
,
рассчитывается из условия:
,
где
– балансовое затухание
дифференциальной системы;
– разность уровней
на входе и выходе канала связи.
Для
заданной схемы выражение для запаса устойчивости запишется так:
,
,
где
– затухание транзитных
удлинителей (принимаем равным 3,5 дБ);
– затухание
дифференциальной системы в направлении передачи и приёма (принимаем равным 3 дБ).
(2.9)
В
нормальном режиме на вход двухстороннего канала связи подаётся сигнал с уровнем
0 дБ. На приёме уровень составляет –7 дБ. В этом случае остаточное затухание:

Запас
устойчивости при этом:
. (2.10)
Рассчитываем
значение балансовых затуханий дифсистем, а также по формулам (2.9) и (2.10)
запас устойчивости
для заданной
схемы и запас устойчивости
в
нормальном режиме соответственно:

Из
расчётов видно, что запас устойчивости для заданной схемы
= 27,115 дБ не
удовлетворяет норме (
= 4,415 дБ),
поэтому необходимо увеличить балансные сопротивления дифсистемы.

Рисунок
2.8 – Схема двухстороннего канала связи
Усиление
усилителей: S1
= S2
= 4,3 – (–13) = 17,3 дБ
Затухание
удлинителей:
,
.
Для
перехода с четырёхпроводных каналов на двухпроводные используется
дифференциальные системы. Включение дифсистемы создаёт кольцевую замкнутую цепь
– цепь обратной связи, охватывающую весь двухсторонний канал связи.
Наличие
в каналах связи усилительных элементов и цепи обратной связи может привести к
появлению самовозбуждения. Возможность самовозбуждения (генерации) схемы
зависит от соотношения усилений и затуханий в цепи обратной связи. Устойчивым
канал будет только в том случае, если сумма всех усилителей в цепи обратной
связи будет меньше, чем сумма всех затуханий, включённых в эту цепь. Поэтому в
канале ТЧ устанавливается остаточное затухание, а не усиление.
По
нормам, величина запаса устойчивости
для
дуплексных усилителей НЧ должна быть не менее 0,2 Нп (1,74 дБ).
При
таком способе определения устойчивости каналов связи возможно судить только об
устойчивости канала связи в целом, но пользоваться им, чтоб установить как
изменяется устойчивость канала связи по всей передаваемой по нему полосе
частот, нельзя. Для этого существует другой способ – метод анализа устойчивости
работы каналов связи.
Список
используемых источников:
1.
Тюрин
В.Л., Листов В.Н., Дьяков Д.В. Многоканальная связь на железнодорожном
транспорте. М.: Транспорт, 1980.