Контрольная работа: Радиационные и химические разведки. Дозиметрический контроль с помощью приборов
Министерство образования и науки Республика Казахстан
КАЗ НТУ им. Сатпаева
КОНТРОЛЬНАЯ РАБОТА
на тему:
Радиационные и химические разведки.
Дозиметрический контроль
с помощью прибора.
Выполнил студент__________________
__________________
Проверил ___________________
___________________
Алматы, 2004
СОДЕРЖАНИЕ:
ВВЕДЕНИЕ-------------------------------------------------------------------------------3
I.
Радиационные и химические разведки---------------------------------4
II.
Дозиметрический контроль----------------------------------------------6
2.1
Дозиметрические приборы---------------------------------------8
-
.
Войсковой дозиметрический прибор ДП-5В
-
Войсковой дозиметрический прибор ДП-22В
-
Комплект ИД-1
- Войсковой прибор химической
разведки ВПХР
- Газоанализатор универсальный
(УГ-2)
- Бортовой измеритель мощности дозы ДП-3Б
III. Защита
ЧС------------------------------------------------------------------14
ВЫВОДЫ-------------------------------------------------------------------------17
ВВЕДЕНИЕ
В случае какой-либо черезвычайной ситуации могут возникнуть большие очаги ядерного, химического и бактериологического поражения, охватывающие не только отдельные промышленные объекты и населенные пункты, но и крупные административные центры с прилегающими к ним объектами.
При этих условиях от гражданской обороны потребуется в максимально короткие сроки проведение целого комплекса весьма сложных работ в большом объеме, в том числе в первую очередь по спасению людей и оказанию помощи пострадавшему населению. Эти работы должны быть начаты немедленно после нанесения поражения и закончены в самые короткие сроки.
Успех спасательных работ во многом будет зависеть от того, насколько быстро и правильно дана оценка сложившейся обстановки и как четко организованно выполнение их.
Для правильной оценки обстановки, определения характера и объема работ организуется разведка района поражения, которая предшествует остальным видам работ, связанных с ликвидацией последствий ЧС.
Разведка организуется соответствующими штабами и осуществляется главным образом силами и средствами гражданской обороны.
По мере получения этих данных в очаг вводятся соответствующие формирования гражданской обороны, которым ставятся определенные и четкие задачи.
Обнаружение и определение степени заражения ядовитыми,
радиационными веществами производится с помощью приборов химической разведки
или путем взятия проб и последующего анализа их в химических лабораториях.
Основными из них являются: дозиметр, измеритель
мощности дозы (ренгенметр), индикатор радиоактивности и радиометр.
I. Радиационные и химические
разведки
Обеспечение действий сил
Службы чрезвычайных ситуаций - это комплекс мероприятий, организуемых и
осуществляемых в целях создания условий для успешной ликвидации ЧС.
Одним из видов, которых
является разведка и радиационная (химическая) защита,
Разведка - комплекс мероприятий, проводимый органами управления и
Службой ЧС по сбору, обобщению, изучению данных о состоянии природной среды и
обстановки в районах аварий, катастроф, стихийных бедствий, а также на участках
и объектах проведения аварийно-спасательных и других неотложных работ.
По характеру решаемых задач
и способу получения разведывательных данных разведка ведется:
1.
системой наблюдения и
лабораторного контроля (СНЛК),
2.
органами общей и специальной разведки.
Учреждения СНЛК осуществляют наблюдение и контроль за состоянием
природной среды и потенциально опасных объектов, производят оценку и
прогнозирование возникновения ЧС и их последствий.
Общая разведка организуется и проводится органами управления и силами
СЧС (Войска ГО РК и др. различные формирования) в целях сбора данных об
обстановке в районах ЧС, определения количества пострадавших, степени и
характера разрушений, возможных направлений распространения опасных
последствий.
Общая разведка ведется разведывательными отрядами, дозорами,
группами и наблюдательными постами, отправленные от Войск ГО, а также от
невоенизированных формирований и других сил, привлекаемых к ликвидации ЧС.
Радиационная и
химическая разведка входит в состав специальной
разведки.[1]
Она организуется и
проводится в целях получения более полных данных о характере обстановки.
Радиационная и химическая
разведка организуется в целях:
1. своевременного обнаружения зараженности воздуха, воды
и местности радиоактивными и опасными химическими веществами;
2. определения характера и степени заражения;
3. отыскания и обозначения путей и направлений с
наименьшими уровнями радиации и обходов участков химического заражения;
4. введения оптимальных режимов радиационной и химической
защиты населения и личного состава воинских частей, аварийно-спасательных и
других формирований.
Организация всех видов
разведки включает:
- определение целей, задач
и районов (объектов) ведения разведки;
- распределение сил и
средств;
- планирование и постановку
задач;
- организацию
взаимодействия;
- организацию связи и
управления разведывательными органами, контроль их действий;
- организаций сбора и
обработки разведывательных данных и обеспечение своевременного их доклада
начальнику ГО (председателю комиссии по ЧС) и органам управления.
Планирование разведки
осуществляется заблаговременно. План разведки может разрабатываться текстуально
с приложением карт, схем или же разрабатываться на карте с пояснительной
запиской.
В плане отражаются:
- цели, задачи и объекты
разведки;
- состав сил и средств, их
задачи;
- организация обеспечения
сил разведки;
- порядок организации
связи, взаимодействия и управления разведкой.
В пояснительной записке
указываются:
- цели, основные задачи и
последовательность их выполнения;
- разрабатываются
необходимые расчеты и справки.
II.
Дозиметрический контроль
Дозиметрический
контроль включает контроль облучения
личного состава служб ЧС, радиоактивного и химического загрязнения людей,
техники, материальных средств, продовольствия, воды и объектов внешней среды.
Задачи
дозиметрического контроля
определяются особенностями и масштабами практической деятельности и, в первую
очередь, направлены на достижение следующих целей:
·
подтверждения соответствия
требованиям санитарного законодательства радиационно-гигиенических условий и
выявление радиационной опасности;
·
расчет текущих и прогнозируемых
уровней облучения населения, а также техники, материальных средств,
продовольствия, воды и объектов внешней среды
·
обеспечение исходной информации
для расчета доз и принятия решений в случае аварийного облучения, подтверждения
качества и эффективности радиационной защиты людей
Данные
дозиметрического контроля могут быть использованы также для:
·
совершенствования применяемых и
разработки новых технологии,
·
предоставление населению
информации, которая позволяет им понять как, где и когда они были облучены, что
в свою очередь, поможет им в дальнейшем избегать дополнительного облучения,
·
сопровождения обязательного
медицинского обследования населения;
·
эпидемиологического наблюдения за
облученными контингентами
Принцип обнаружения
ионизирующих (радиоактивных) излучений (нейтронов, гамма-лучей, бета - и
альфа-частиц) основан на способности этих излучений ионизировать вещество
среды, в которой они распространяются. Ионизация, в свою очередь, является
причиной физических и химических изменений в веществе, которые могут быть обнаружены
и измерены. К таким изменениям среды относятся: изменения электропроводности
веществ (газов, жидкостей, твердых материалов); люминесценция (свечение) некоторых
веществ; засвечивание фотопленок; изменение цвета, окраски, прозрачности, сопротивления
электрическому току некоторых химических растворов и др.
Для обнаружения и
измерения ионизирующих излучений используют следующие методы: фотографический,
сцинтилляционный, химический и ионизационный.
Фотографический
метод основан на степени почернения фотоэмульсии. Под воздействием
ионизирующих излучений молекулы бромистого серебра, содержащегося в
фотоэмульсии, распадаются на серебро и бром. При этом образуются мельчайшие кристаллики
серебра, которые и вызывают почернение фотопленки при её проявлении. Плотность
почернения пропорциональна поглощенной энергии излучения. Сравнивая плотность
почернения с эталоном, определяют дозу излучения (экспозиционную или поглощенную),
полученную пленкой. На этом принципе основаны индивидуальные фотодозиметры.
Сцинтилляционный метод. Некоторые вещества (сернистый цинк, йодистый натрий)
под воздействием ионизирующих излучений светятся. Количество вспышек пропорционально
мощности дозы излучения и регистрируется с помощью специальных приборов -
фотоэлектронных умножителей.
Химический метод. Некоторые химические вещества под воздействием
ионизирующих излучений меняют свою структуру. Так, хлороформ в воде при
облучении разлагается с образованием соляной кислоты, которая дает цветную
реакцию с красителем, добавленным к хлороформу. Двухвалентное железо в кислой
среде окисляется в трехвалентное под воздействием свободных радикалов HO2
и ОН, образующихся в воде при её облучении. Трехвалентное железо с красителем
дает цветную реакцию. По плотности окраски судят о дозе излучения (поглощенной
энергии). На этом принципе основаны химические дозиметры ДП-70 и ДП-70М.
В современных
дозиметрических приборах широкое распространение получил ионизационный метод
обнаружения и измерения ионизирующих излучений.
Ионизационный метод. Под воздействием излучений в изолированном объеме происходит
ионизация газа: электрически нейтральные атомы (молекулы) газа разделяются на
положительные и отрицательные ионы. Если в этот объем поместить два электрода,
к которым приложено постоянное напряжение, то между электродами создается
электрическое поле. При наличии электрического поля в ионизированном газе
возникает направленное движение заряженных частиц, т.е. через газ проходит
электрический ток, называемый ионизационном. Измеряя ионизационный ток, можно
судить об интенсивности ионизирующих излучений.
Газоразрядный счетчик используется для измерения радиоактивных излучений
малой интенсивности. Высокая чувствительность счетчика позволяет измерять
интенсивность излучения в десятки тысяч раз меньше той, которую удается
измерить ионизационной камерой.
Газоразрядный счетчик
представляет собой полый герметичный металлический или стеклянный цилиндр,
заполненный разряженной смесью инертных газов (аргон, неон) с некоторыми
добавками, улучшающими работу счетчика (пары спирта). Внутри цилиндра, вдоль
его оси, натянута тонкая металлическая нить (анод), изолированная от цилиндра.
Катодом служит металлический корпус или тонкий слой металла, нанесенный на
внутреннюю поверхность стеклянного корпуса счетчика. К металлической нити и токопроводящему
слою (катоду) подают напряжение электрического тока.
В газоразрядных счетчиках
используют принцип усиления газового разряда. В отсутствие радиоактивного
излучения свободных ионов в объеме счетчика нет. Следовательно, в цепи
счетчика электрического тока также нет. При воздействии радиоактивных излучений
в рабочем объеме счетчика образуются заряженные частицы. Электроны, двигаясь в
электрическом поле к аноду счетчика, площадь которого значительно меньше площади
катода, приобретают кинетическую энергию, достаточную для дополнительной
ионизации атомов газовой среды. Выбитые при этом электроны также производят ионизацию.
Таким образом, одна частица радиоактивного излучения, попавшая в объем смеси
газового счетчика, вызывает образование лавины свободных электронов. На нити
счетчика собирается большое количество электронов. В результате этого
положительный потенциал резко уменьшается и возникает электрический импульс.
Регистрируя количество импульсов тока, возникающих в единицу времени, можно
судить об интенсивности радиоактивных излучений.
2.1
Дозиметрические приборы
За последние 30 – 40 лет в связи с бурным развитием
электроники созданы новые современные приборы для регистрации всех видов
ионизирующего излучения, что оказало существенное влияние на качество и
достоверность измерений. Повысилась надежность средств измерения, значительно
снизились энергопотребление, габариты, масса приборов, повысилось разнообразие
и расширилась сфера их применения.
Дозиметрические приборы
предназначаются для:
1. контроля облучения - получения данных о поглощенных
или экспозиционных дозах излучения людьми и сельскохозяйственными животными;
2. контроля радиоактивного заражения радиоактивными
веществами людей, сельскохозяйственных животных, а также техники, транспорта,
оборудования, средств индивидуальной защиты, одежды, продовольствия, воды,
фуража и других объектов;
3. радиационной разведки - определения уровня радиации на
местности.
Кроме того, с помощью
дозиметрических приборов может быть определена наведенная радиоактивность
облученных нейтронными потоками различных технических средствах, предметах и
грунте. Для радиационной (химической) разведки и дозиметрического контроля на
объекте используют дозиметры и измерители мощности экспозиционной дозы. (Тактико-технические
характеристики дозиметров и измерителей см. в приложении №1.)
Дозиметрические приборы подразделяются на следующие
основные группы:
1.Дозиметры —
приборы для измерения дозы ионизирующего излучения (экспозиционной, поглощенной,
эквивалентной), а также коэффициента качества.
2.Радиометры —
приборы для измерения плотности потока ионизирующего излучения.
3.Универсальные приборы
— устройства, совмещающие функции дозиметра и радиометра, радиометра и
спектрометра и пр.
4.Спектрометры
ионизирующих излучений — приборы, измеряющие распределение (спектр)
величин, характеризующих поле ионизирующих излучений.
В соответствии с проверочной схемой по
методологическому назначению приборы и установки для регистрации ионизирующих
излучений подразделяются на образцовые и рабочие. Образцовые приборы и
установки предназначены для поверки по ним других средств измерений, как
рабочих, так и образцовых, менее высокой точности. Заметим, что образцовые
приборы запрещается использовать в качестве рабочих. Рабочие приборы и
установки — средства для регистрации и исследования ионизирующих излучений в экспериментальной
и прикладной ядерной физике и многих других областях народного хозяйства.
Приборы для регистрации ионизирующего излучения
разделяются также по виду измеряемого излучения, по эффекту взаимодействия
излучения с веществом (ионизационные, сцинтилляционные, фотографические и т.
д.) и другим признакам.
По оформлению приборы для регистрации ионизирующего
излучения подразделяют на стационарные, переносные и носимые, а также на
приборы с автономным питанием, питанием от электрической сети и не требующие
затрат энергии.
В зависимости от измеряемых физических величин, вида
ионизирующего излучения и области применения принято устанавливать типы дозиметрических
приборов и их обозначения. Тип детектора определяют по измеряемой величине
(первая цифра), виду ионизирующего излучения (вторая цифра), области применения
(третья цифра).
Дозиметрические приборы подразделяются на измерители
дозы (дозиметры), измерители мощности дозы и интенсиметры. Измерителями дозы
называют дозиметры, измеряющие экспозиционную или поглощенную дозу
ионизирующего излучения. Измерители мощности дозы — дозиметры,
измеряющие мощность экспозиционной или поглощенной дозы ионизирующего
излучения. Интенсиметры — дозиметры, измеряющие интенсивность
ионизирующего излучения.
Дозиметры применяются для дозиметрического контроля
людей, измерения дозы облучения при контроле различных радиохимических
процессов, при воздействии ионизирующих излучений на растительность, живые
объекты, различные вещества и материалы, измерения дозы в биологических тканях
человека и животных с учетом биологической эффективности ионизирующих излучений
и различного состава объекта облучения (ткань, кости и др.). Для выполнения
перечисленных задач отечественная промышленность выпускает широкий ассортимент
дозиметров.
Стационарные дозиметры применяются чаще всего для осуществления контроля над
процессом облучения объектов до заранее заданных доз. Для дозиметрического контроля
персонала стационарные дозиметры практически не применяются. В практической
деятельности для измерения доз наибольшее распространение получили
индивидуальные дозиметры. Рассмотрим устройство, работу и основные технические
данные некоторых наиболее широко применяемых дозиметров.
ДП-5В используется для измерения мощности дозы
гамма-излучения на местности; для измерения зараженности поверхности по
гамма-излучению; для обнаружения бета-заражения. Мощность
гамма-излучения определяется в миллирентгенах или рентгенах в час для той точки
пространства, в которой помещен при измерениях соответствующий счетчик прибора.
Кроме того, имеется возможность обнаружения бета-излучения.
Метод определения ¾
ионизационный. Диапазон измерения от 0,05 мР/ч до 200 р/ч, в диапазоне
температур от - 40 до +50 °С. относительная погрешность ± 30%. Герметичен, виброударопрочен, пылеводостоек, время непрерывной
работы 40 часов, масса 2,5 кг. Масса полного комплекта 7,6 кг.
ДП-22В, имеющий дозиметр карманный прямо показывающий
ДКП-50А, предназначен для контроля экспозиционных доз гамма-облучения,
получаемых людьми. Содержит 50 дозиметров ИД-1. Комплект дозиметров ДП-22В
состоит из зарядного устройства типа ЗД-5 и 50 индивидуальных дозиметров
карманных прямо показывающих типа ДКП-50А. . Питание
осуществляется от двух сухих элементов типа 1,6-ПМЦ-У-8, обеспечивающих
непрерывную работу прибора не менее 30 ч при токе потребления 200 мА.
Конструктивно он выполнен в форме авторучки . Дозиметр состоит из дюралевого
корпуса , в котором расположены ионизационная камера с конденсатором,
электроскоп, отсчетное устройство и зарядная часть. Дозиметр крепится к карману
одежды с помощью держателя .
Диапазон измерения 2¸50
ренген, диапазон рабочих температур -40¸+50 °С, масса комплекта в укладочном ящике 5 кг.
Принцип работы
Принцип действия дозиметра подобен
действию простейшего электроскопа. В процессе зарядки дозиметра визирная нить
электроскопа отклоняется от внутреннего электрода под влиянием сил электростатического
отталкивания. Отклонение нити зависят от приложенного напряжения, которое при
зарядке регулируют и подбирают так, чтобы изображение визирной нити
совместилось с отсчетного устройства.
Предназначен для измерения
поглощённых доз гамма-нейтронного излучения. Он состоит из индивидуальных
дозиметров ИД-1 и зарядного устройства ЗД-6. В комплект прибора входят: футляр
с ремнями; удлинительная штанга; колодка питания к ДП-5А (Б) и делитель
напряжения к ДП-5В; комплект эксплуатационной документации и запасного
имущества; телефон и укладочный ящик.
Метод определения ионизационный. Диапазон измерения 20¸500 рад., относительная погрешность ± 20%, работоспособен при температуре -50 ¸+50 °С, масса комплекта в футляре 1.5 кг.
Принцип работы
Принцип работы дозиметра ИД-1 аналогичен
принципу работы дозиметров для измерения экспозиционных доз гамма-, излучения
(например, ДКП-50А).
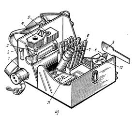
Используется для обнаружения отравляющих веществ в
воздухе, на местности, вооружении и военной техники.
Время определения 0В 1-5 мин; производительность насоса
1,8-2л/ч; работоспособен от -40 до +50 °С; масса 2,3 кг.
При просасывании ручным поршневым насосом зараженного
воздуха через индикационные трубки, в них происходит изменение окраски
наполнителя и ее интенсивности, по этим признакам определяют наличие 0В и его
примерную концентрацию.
Устройство ВПХР :
|

|
1.
ручной насос
2.
плечевой ремень с тесьмой
3.
насадки к насосу
4.
защитные колпачки
5.
противодымные фильтры
6.
патроны к грелки
7.
электрофанарь
8.
штырь
9.
лопатка для взятия проб
|
Газоанализатор
универсальный (УГ-2)
Предназначен для измерения концентрации вредных газов
и паров в воздухе рабочей зоны производственных помещений и на территории
химических предприятий.
Масса воздухозаборного устройства не более 1.5 кг.,общее
время просасывания воздуха 40¸300 сек.,
продолжительность хода штока 4¸300 сек., масса комплекта
1.2 кг..
УГ-2 состоит из воздухозаборного устройства и
комплектов индикаторных средств.
|

|
1. шток
2. индикаторная трубка
3. воздухозаборное устройство
4. ампулы с индикаторным порошком
5. шкала
6. ремень
7. резиновая трубка
|
Воздухозаборное устройство УГ-2 состоит из резинового
сильфона (2) с двумя фланцами, стакана с пружиной (3), находящихся внутри
корпуса (1). Во внутренних гофрах сильфона установлены распорные кольца (4) для
придания жесткости сильфону и сохранения постоянства объема. На верхней плате
(9) имеется неподвижная втулка (7) для направления штока (6) при сжатии
сильфона (2). На штуцер (11)с внутренней стороны надета трубка резиновая (12),
которая через нижний фланец соединяется с внутренней полостью сильфона. Свободный
конец трубки резиновой (10) служит для присоединения индикаторной трубки при
анализе. На цилиндрической поверхности штока (6) расположены четыре продольные
канавки с двумя углублениями (5) для фиксации двух положений штока фиксатором
(8). Расстояние между углублениями на канавках подобрано таким образом, чтобы
при ходе штока от одного углубления до другого сильфон забирал заданный объем
исследуемого воздуха.
В комплекты индикаторных средств УГ-2 ( рис. 3 )
входят ампулы (5) с индикаторными и поглотительными порошками, необходимыми для
изготовления индикаторных трубок (ИТ) и фильтрующих патронов, и принадлежности:
трубка стеклянная индикаторная (1), стержень (2), воронка (3), заглушка (5),
трубка резиновая (6), ампула НС-1 (7) и штырек (8).
Индикаторные средства
УГ-2
Ампулы (5) с индикаторными и поглотительными
порошками, для изготовления индикаторных трубок (ИТ) и фильтрующих патронов, и
принадлежностей:
|

|
1. трубка стеклянная индикаторная
2. стержень
3. воронка
4. ампула с индикаторным порошком
5. Заглушка
6. трубка резиновая
7. ампула УГ-2 НС-1
|
Принцип работы
УГ-2 основан на изменении окраски индикаторного
порошка (ИП) в индикаторной трубке после просасывания через нее воздухозаборным
устройством исследуемого воздуха.
Перед началом работы
необходимо:
·
изготовить индикаторные трубки
(ИТ);
·
-изготовить фильтрующие патроны;
·
-проверить герметичность
воздухозаборного устройства УГ-2.
Бортовой измеритель
мощности дозы ДП-3Б
Назначение
Предназначен для
определения уровней радиации на местности, зараженной радиоактивными
веществами. Его можно устанавливать на автомобилях, самолетах, вертолетах,
речных катерах, тепловозах, а также в убежищах и противорадиационных укрытиях.
Питание прибора осуществляется от источников постоянного тока напряжением 12
или 26В. В комплект прибора входит: измерительный пульт А, выносной блок
Б, кабель питания с прямым разъемом 1, кабель с угловым разъемом 9 для
соединения пульта с выносным блоком Б, крепежные скобы, техническая
документация и вспомогательные принадлежности.
Подготовка Бортовой
измеритель мощности дозы ДП-3Б к работе.
·
проверка комплекта,
·
внешний осмотр прибора и принадлежностей,
·
сборка прибора,
·
подключение к цепи питания
проверка работоспособности.
Работоспособность
прибора проверяется в положении переключателя «Вкл.» Нажатием кнопки
«Проверка». При этом стрелка микроамперметра должна находиться в пределах 0,4-0,8
Р/ч, а индикаторная лампа давать частые вспышки или гореть непрерывно.
III. Защита ЧС
Радиационная и
химическая защита
В случае применения, к примеру, ядерного оружия, возникают большие очаги поражения, охватывающие не только отдельные промышленные объекты и населенные пункты, но и крупные административные центры с прилегающими к ним объектами.
Территория,
подвергшаяся воздействию отравляющих веществ, в результате которого возникли
или могут возникнуть поражения людей, животных или растений, является очагом
химического поражения.
Современные отравляющие
вещества обладают чрезвычайно высокой токсичностью. Поэтому своевременность
действий населения, направленных на предотвращение поражения ОВ, во многом
будет зависеть от знания признаков применения противником химического оружия.
При этих условиях от гражданской обороны потребуется в максимально короткие сроки проведение целого комплекса весьма сложных работ в большом объеме, в том числе в первую очередь по спасению людей и оказанию помощи пострадавшему населению. Эти работы должны быть начаты немедленно после нанесения поражения и закончены в самые короткие сроки.
Для правильной оценки обстановки, определения характера и объема работ организуется разведка района поражения, которая предшествует остальным видам работ, связанных с ликвидацией последствий нападения.
Разведка организуется соответствующими штабами и осуществляется главным образом силами и средствами гражданской обороны.
Радиационная и химическая
защита организуется с целью максимального снижения потерь населения и сил Служб
ЧС, обеспечения выполнения поставленных им задач в условиях радиационного и
химического заражения.
Основные задачи
радиационной и химической защиты:
1. своевременное обнаружение радиоактивного и химического
заражения, оповещение об опасности органов управления и сил СЧС;
2. недопущение и максимально возможное ослабление
воздействия радиоактивного излучения на личный состав сил СЧС и населения,
находящихся в районе ЧС;
3. обеспечение безопасности сил, проводящих
аварийно-спасательные и другие неотложные работы в зонах радиоактивного и
химического заражения.
Указанные задачи решаются
путем проведения:
- повседневного
радиационного и химического контроля внешней среды, особенно на радиационно и
химически опасных объектах, прилегающих к ним районов и в крупных городах;
радиационной и химической разведки;
- своевременного оповещения
органов управления, сил СЧС и других сил, населения об угрозе или загрязнении
природной среды;
- дозиметрического контроля
облучения людей, загрязнения техники, материальных средств, продовольствия,
фуража, воды; обеспечения средствами защиты личного состава и населения;
- всестороннего обеспечения
проводимых работ в зонах загрязнения.
Под режимом защиты населения, рабочих и служащих объекта понимается порядок применения средств и способов защиты людей, предусматривающий максимальное уменьшение возможных экспозиционных доз излучения и наиболее целесообразные их действия в зоне радиоактивного заражения.
Режимы защиты для различных уровней радиации и условий производственной деятельности, пользуясь расчетными формулами, определяют в мирное время, т.е. до радиоактивного заражения территории объекта.
Определение допустимого времени начала преодоления зон (участков) радиоактивного заражения производится на основании данных радиационной разведки по уровням радиации на маршруте движения и заданной экспозиционной дозе излучения.
Мероприятия радиационной
и химической защиты
Мероприятия радиационной и
химической защиты выполняются всеми органами управления и силами,
предназначенными для решения задач радиационной и химической защиты (РХЗ) и
привлекаемыми для ликвидации ЧС.
Мероприятия радиационной и
химической защиты выполняются всеми органами управления и силами,
предназначенными для решения задач радиационной и химической защиты и
привлекаемыми для ликвидации ЧС.
Непосредственная
организация защиты возлагается на комиссии по ЧС и их органы управления,
начальников служб ГО, начальников штабов воинских частей ГО и начальников
аварийно-спасательных и других формирований.
Повседневный контроль
внешней среды ведется постоянно силами постов наблюдения объектов экономики,
учреждений СНЛК, служб АЭС, постами наблюдения воинских частей ГО, силами
контрольных служб Минэкологии РФ и другими органами.
Мероприятия радиационной и
химической защиты планируются заблаговременно на основе прогнозирования
возможной обстановки и решения начальника ГО (председателя комиссии по ЧС).
План радиационной и
химической защиты разрабатывается на карте
(плане города, объекта) с пояснительной запиской.
Порядок проведения
специальной обработки
Специальная обработка (частичная и полная) техники,
средств защиты, одежды, имущества, материальных средств и санитарная обработка
людей осуществляется силами и средствами воинских частей, формирований.
Частичная обработка ведется в ходе спасательных и других неотложных
работ, полная по решению руководителя работ после выхода из района
заражения.
Для проведения специальной
обработки развертываются пункты специальной и санитарной обработки (ПУСТ) на
базе подвижных формирований (подразделений) ГО или имеющихся стационарных
учреждений коммунального обслуживания (бань, прачечных, автомобильных
обмывочных станций и др.).
Радиационный
и химический контроль является неотъемлемой частью системы радиационной и
химической безопасности и предполагает дозиметрический, радиометрический,
спектрометрический и радиохимический контроль, осуществляемый с помощью
приборов и расчетных методов (в дальнейшем - дозиметрический контроль).
ВЫВОД
На всех этапах развития
человек постоянно стремился к обеспечению личной безопасности и сохранению
своего здоровья. Это стремление было мотивацией многих его действий и
поступков.
Повседневный радиационный и
химический контроль внешней среды, своевременное оповещение органов управления,
Служб ЧС и населения об угрозе или загрязнении природной среды, проведение
дозиметрического контроля облучения людей, загрязнения техники, материальных
средств, продовольствия, воды; обеспечения средствами населения – это важные
этапы в комплексе защитных мероприятий от хим. и рад. заражения.
Весь комплекс мер направлен
на то, чтобы максимально снизить вероятность потерь и поражения при возможных
авариях и ЧС мирного и военного времени.
Отсюда следует, что изучение использования и
правильного применения приборов дозиметрического контроля, радиационной и
химической разветки необходимы для своевременного предотвращения аварий и ЧС на
химически- и радиационноопасных объектах. Население же должно быть в
достаточной степени подготовлено к умелым действиям в случае какой-либо ЧС.
Литература:
1. Защита объектов народного хозяйства от оружия
массового поражения. Справочник, / Г. П.Демиденко, Е. П. Кузьменко, П. П. Орлов
и др.,Киев, 1989 г.
2. Атаманюк В. Г. Гражданская оборона, Москва,1986 г.
3. Максимов М.Т. Радиационные загрязнения и их измерения.
Москва. 1989
4. Зюзин В.С. Защита персонала и населения от СДЯВ на
химически опасном объекте
5. Средства химической разведки, используемые в системах
гражданской обороны. Учебное пособие, / Андреев В.А., Савастинкевич В.М.
Москва, 1997 г.
6. Безопасность жизнедеятельности. Часть 3:
Чрезвычайные ситуации. Учебное пособие под ред. А.В. Непомнящего, Г.П.
Шилякина. – Таганрог: ТРТУ,1994г.
7. Толмачева Л.В. Методика оценки
радиационной и химической обстановки при чрезвычайных ситуациях: Методическое
руководство для самостоятельной работы студентов по курсу “БЖ”: Таганрог:
Изд-во ТРТУ, 1999г.
8. Шубин Е.П. “Гражданская Оборона” Москва
1991г
9. «Гражданская оборона». А.Т. Алтунин. М.: Воениздат,
1982.
10.Учебно-методическое пособие
для проведения занятий по гражданской обороне с населением». А.П. Руденко, Ю.Н.
Косов. М.: Энергоатомиздат, 1988
Интернет:
1. http://rad-don.narod.ru/rabfile/ospu/razdel15.htm
Организация и
проведение радиационного контроля в учреждениях
2/ http://himvoiska.narod.ru/chemapparatus.html
Приборы радиационной,
химической, бактериологической разведки
3. http://tcm.informeco.ru/rukovod/part5.htm
Работа
органов управления ГОЧС по обеспечению действия сил при чрезвычайных ситуациях
4. http://www.emer.kz/docs/zakonodatelstwo/zakon/zc10971_6.htm
Закон РК «О гражданской
обороне»
5. http://law.pp.ru/lekc.php?rd=vk&what=showdetail&num=14
Юридический факультет - Лекции
- Приборы радиационной и химической разведки и практическое пользование ими
[1] Помимо радиационной и химической, в специальную
разведку входит еще инженерная, пожарная, медицинская и биологическая разведки.