Курсовая работа: Расчет фильтра нижних частот
Курсовая работа: Расчет фильтра нижних частот
Содержание
Введение
1 Физические основы и принцип действия широкополосных
фильтров
2 Пример расчета фильтра нижних частот на
заданные параметры
Заключение
Список
использованной литературы
Введение
Во многих
радиотехнических устройствах часто возникает необходимость выделения заданных
частотных диапазонов из имеющегося спектра частот. Выделение требуемой полосы
частот с очень малым затуханием осуществляется фильтрами.
В начале
нашего столетия электрические фильтры, составленные из ряда катушек
индуктивности и конденсаторов, получили широкое применение в технике. Благодаря
их применению оказалось возможным осуществление многих магистралей дальней
телефонной, телеграфной и других видов связи.
Известный
интерес представляют пассивные цепочные, или лестничные фильтры, состоящие из
комбинаций элементов L и C и не требующие источника питания. Пассивные фильтры могут
обладать как широкими полосами пропускания, так и очень узкими.
При расчете
фильтра, с одной стороны, необходимо определить, с какими допустимыми
искажениями передается входной сигнал, являющийся функцией частоты или времени,
на выход фильтра, и, с другой стороны, из каких конкретных элементов должен
состоять этот фильтр. Получение наивыгоднейших выходных характеристик с
минимальными искажениями и создание принципиальной схемы фильтра с минимальным
числом элементов, осуществляющей требуемую передачу сигнала, является
содержанием расчета фильтров.
1 Физические основы и
принцип действия широкополосных фильтров
В
электрических, радиотехнических и телемеханических установках часто решается
задача: из совокупного сигнала, занимающего широкую полосу частот, выделить
один или несколько составляющих сигналов с более узкой полосой. Сигналы
заданной полосы выделяют при помощи частотных электрических фильтров.
К
частотным электрическим фильтрам различной аппаратуры предъявляются разные,
порой противоречивые требования. В одной области частот, которая называется
полосой пропускания, сигналы не должны ослабляться, а в другой, называемой
полосой задерживания, ослабление сигналов не должно быть меньше определенного
значения. Фильтр считают идеальным, если в полосе пропускания отсутствует
ослабление сигналов и фазо-частотная характеристика линейна (нет искажения
формы сигналов), а вне полосы пропускания сигналы на выходе фильтра
отсутствуют.
Фильтры
могут быть однозвенные (первого порядка), двухзвенные (второго порядка) и
многозвенные (n- го). Чем выше порядок фильтра, тем круче его
амплитудно-частотная характеристика и тем более она похожа на его идеальную
характеристику. Фильтр любого порядка можно построить путем каскадного соединения
фильтров первого и второго порядков.
Электрический
фильтр представляет собой четырехполюсник, предназначенный для выделения из
состава сложного электрического колебания частотных составляющих, расположенных
в заданной полосе частот, и подавления тех составляющих, которые расположены в
других полосах частот. Первая из названных полос представляет собой полосу
пропускания, а вторая – полосу задерживания.
По взаимному
расположению полос пропускания и полос задерживания различают фильтры нижних
частот, фильтры верхних частот, полосовые и режекторные фильтры.
Фильтры
нижних частот (ФНЧ) пропускают сигналы частот от 0 до и задерживающей колебания любых
белее высоких частот (рис.1).
LC–фильтр
нижних частот (рис. 6.3,а) пропускает электрические колебания в полосе частот
от 0 до
.
Это
объясняется тем, что на низких частотах сопротивление индуктивного элемента XL
фильтра мало, а емкостного XC – велико и электрические колебания проходят со
входа на выход почти без ослабления. С увеличением частоты сопротивление
индуктивного элемента возрастает, а емкостного – снижается и коэффициент
передачи фильтра уменьшается (рисунок 1–б).
Фильтры
верхних частот (ФВЧ), напротив, пропускают сигналы, частоты которых
простираются от до , и задерживают сигналы более
низких частот(рис.2).
Полосовые
фильтры (ПФ) пропускают сигналы в полосе частот от до (рис.3).
Режекторные
(заграждающие) фильтры (РФ) задерживают сигналы в полосе частот от до (рис.4).
(а)
(б)
Рисунок - 1 Фильтры
нижних частот (а) и его АЧХ (б).

Рисунок - 2 Фильтры
верхних частот

Рисунок – 3 Полосовые
фильтры

Рисунок – 4 Заграждающие
фильтры
Широкополосный
фильтр состоит из звеньев, включающих в себя только элементарные контуры.
Поэтому механизм фильтрации в широкополосных фильтрах определяется в основном
процессами, происходящими в элементарны контурах, т. е. в двухэлементных
двухполюсниках, имеющих одну резонансную частоту.
Полное
сопротивление Z
любого элементарного контура состоит из активной R и реактивной X составляющих:
Z = R + jX (1)
или
Y = G + jB (2)
где Y – полная проводимость
G – активная составляющая
полной проводимости
B – реактивная составляющая
поной проводимости
Реактивное
сопротивление последовательного контура на частоте = равно нулю, активное
сопротивление при этом мало, так как оно определяется только потерями в контуре;
полное сопротивление контура близко к нулю. Поэтому последовательные контуры
применяются в параллельных плечах Т-образных звеньев фильтров верхних частот
(рис.5)., так как они оказывают сильное шунтирующее действие на частотах,
близких к резонансной.

Рисунок – 5 Схема звена
ФВЧ и резонансные характеристики последовательного контура
Реактивная
проводимость = равна нулю. Следовательно, такой
контур является фильтром-пробкой для частот, близких к резонансной. Поэтому
параллельные контуры применяются в последовательных плечах П-образных звеньев
фильтров нижних частот (рис.6). Резонансные частоты элементарных контуров равны
частотам бесконечного затухания соответствующих звеньев = . Резонансные частоты
контуров, или частоты бесконечного затухания, для ФНЧ располагаются выше частот
полосы пропускания ( > ), а для ФВЧ – ниже ( < ). Параллельные
плечи фильтра шунтируют частоты полосы задерживания в то время, как
последовательные являются для них пробкой. В полосе пропускания сопротивление
параллельных плеч фильтра , напротив, велико, а сопротивление последовательных
плеч близко к нулю.

Рисунок – 6 Схема звена
ФНЧ и резонансные характеристики параллельного контура
Благодаря
этому через фильтр беспрепятственно проходят частоты полосы пропускания. В этой
связи становится понятным, почему в широкополосных фильтрах все звенья
настраиваются на частоты полосы задерживания.
Крутизна
частотной характеристики фильтра в переходной области зависит от числа звеньев.
Широкополосный фильтр всегда состоит из фильтра нижних частот и фильтра верхних
частот. Полоса пропускания широкополосный фильтра - образуется благодаря перекрытию
полос пропускания ФНЧ (0 - ) и ФИЧ ( - ) - (рис.7)

Рисунок – 7 Образование
полосы пропускания широкополосного фильтра
2 Пример расчета фильтра
нижних частот на заданные параметры
Аналитический
метод расчета цепочных фильтров основан на нахождении оптимальных параметров
фильтра по заданной характеристике собственного или рабочего затухания. При
этом реализуется фильтр, удовлетворяющий заданным условиям, при минимальном
числе элементов, что гарантирует минимальное искажение в полосе пропускания.
Отметим, что, так как последовательно и параллельно-производные звенья фильтров
являются дуальными, т.е. взаимообратными, а свойства таких схем в отношении
передачи энергии аналогичны, то количество расчетных формул, используемых для
расчета фильтров, будет вдвое уменьшено. Поэтому ведется единый расчет фильтра.
Требуется рассчитать фильтр,
удовлетворяющий следующим техническим требованиям:
1.
Полоса
пропускания
= 50 кГц, = 100 кГц,
где и соответственно нижняя и
верхняя граничные полосы пропускания.
2.
Полоса
задерживания
От = 115 кГц и
выше
где и соответственно
верхняя и нижняя граничные полосы задерживания.
3.
Рабочее
затухание в полосе пропускания
7дБ = =0,805 неп
4.
Рабочее
затухание в полосе задерживания
50 дБ = =5,75 неп
5.Фильтр
включается между сопротивлением нагрузок
= 1000 Ом
6.Отклонение
характеристического сопротивления от номинального в полосе пропускания
(коэффициент несогласованности)
= 10 % =0,1
7. Амплитуда
входного сигнала
= 5 В
9.
Коэффициент использования полосы пропускания.

8.
Рекомендуется выполнить катушки индуктивностей на альсиферовых сердечниках.
Прежде чем
приступить к расчету фильтра, необходимо определить критерий полосности
=
Так как n < 2, рассчитываем
фильтр как полосовой.
Зная вычислим ,затем
определим затухание несогласованности

Выбрав класс
фильтра по сопротивлению (обычно 2-ой), т.е. =2, найти параметр

Далее
определить расчетный параметр полосы пропускания

и затем расчетный
параметр

Найдем
коэффициент использования полосы пропускания

И только
потом можно определить коэффициент использования полосы задерживания и
теоретическую частоту среза. Для реальных фильтров . Заданные параметры и = 100 кГц,
определим теоретическую частоту среза
 
Так как
теоретическая частота среза лежит в пределах переходной области, она
удовлетворяет предъявленным условиям. Исходя из этого, определяем
предварительный коэффициент использования полосы пропускания

Поскольку
величина не превышает предельно достижимого в реальных фильтрах значения 0,98,
останавливаемся на этих значениях и . Определяем коэффициент
использования полосы задерживания и расчетные параметры - расчетный
параметр и -
расчетный параметр полосы задерживания:

 

Зная , определяем
затухание одного звена фильтра с учетом потерь в полосе задерживания

Далее находим
минимальное собственное затухание всего фильтра в полосе задерживания, которое
необходимо для обеспечения гарантируемого минимума затухания

По найденным
значениям и
определяем
число звеньев N
(или, что то же самое, класс фильтра по затуханию)
 

Для
выбранного округленного числа звеньев N=4 пересчитываем величины , , , а также . Уточнив все эти
параметры проверяем отклонение характеристического сопротивления от номинального.




Зная , пересчитываем
коэффициент использования полосы задерживания
,
используя
который, определяем уточненную верхнюю теоретическую частоту среза

Полученное
значение теоретической частоты среза удовлетворяет исходным требованиям, так
как находится в переходной области. Далее определяем уточненный коэффициент
использования полосы пропускания
,
Теперь по
сути дела возвращаемся в начало расчета. Для проверки отклонения
характеристического сопротивления фильтра от номинального сопротивления
нагрузки в полосе пропускания рассчитываем параметры , и (по данным полосы пропускания):




Выбираем
заранее фильтр 2-го класса по сопротивлению и определяем затухание
несогласованности в полосе пропускания

и затухание эха

После
определяем величину отклонения характеристического сопротивления
от номинального в полосе пропускания

Что
удовлетворяет исходным техническим требованиям. Таким образом, на основании
проведенного расчета выбран фильтр 2-го класса по сопротивлению с числом
звеньев N=4.
Отклонение характеристического сопротивления от номинального в полосе
пропускания составляет 3,558 %, коэффициент использования полосы пропускания =0,885,
теоретическая частота среза =113,016 кгц.
Расчетные параметры
необходимые в дальнейшем,
=0,43  =0,4659 =113,016 кгц.
Так как
фильтр состоит из четырех звеньев, то для каждого звена рассчитываем коэффициент
и
соответственно расчетный параметр m.

где 
=1,2,3,4 - № звена
N= 4 – число звена
Таким образом


Проверкой
правильности расчета при четном числе звеньев служит соблюдение следующих
соотношений:
, и т.д.
т.е. в рассматриваемом
примере и
т.д.
Для расчета коэффициентов
m полагаем, что  =0,43, тогда



 
Затем определяем

Для получения
наилучшего согласования фильтра с нагрузкой начинаем и оканчиваем фильтр
полузвеньями, у которых значение коэффициента m ближе к . В рассматриваемом
примере этому требованию удовлетворяет коэффициент .
Внутри
фильтра звенья с различными коэффициентами могут соединяться в произвольном
порядке, но при условии соблюдения согласования.
Затем приступаем
к выбору конкретной схемы фильтра нижних частот. При этом нужно стремиться к
выбору звеньев с наименьшим числом катушек индуктивности, поскольку именно эти
элементы наиболее усложняют производство и настройку фильтра. Так как класс
фильтра определяется классом конечных полузвеньев, то для них выбираем звено
типа 2А1н (звено Т-образного вида, 2-го класса по сопротивлению, с одной
стороной среза фильтра нижних частот) и делим его пополам, для того, чтобы не
увеличивать общее число звеньев. При этом получаются оконечные полузвенья Г-образного
вида. В качестве промежуточных звеньев используем звенья типа 1В1н (звено
П-образного вида, первого класса по сопротивлению, с одной частотой среза,
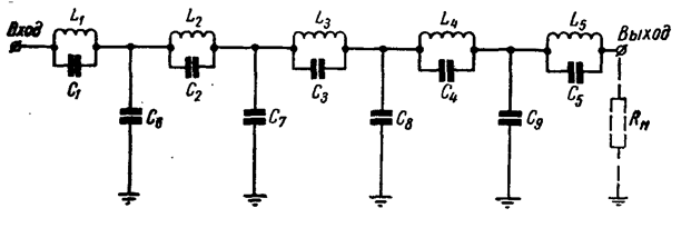
фильтра нижних частот). Далее составляем полную принципиальную схему всего
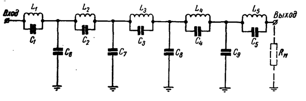
фильтра нижних частот рисунок 8.
звена 2А1н 1В1н 1В1н1В1н звена 2А1н


Рисунок 8 – Полная
принципиальная схема фильтра нижних частот
Первый этап
расчета заканчиваем вычислением частот минимального затухания, лежащих в полосе
задерживания.

соответственно




Формула для расчета
частот минимального затухания

Аналогично
формуле для расчета с той лишь разницей, что вместо
параметра подставляется
.
Коэффициент ,
аналогичный коэффициенту , рассчитывается по формуле

где =1,2,3,4 – № звена
N= 4 – число звеньев
=0,3986 – ранее определенный
параметр
Таким образом

 
Проверка правильности
расчета коэффициентов :
, и т.д.
где 
т.е. в рассматриваемом
примере и
т.д.
Далее для
каждого звена определяем параметр и частоту минимального затухания:





  
Частота
последнего минимума затухания должна совпадать с верхней граничной частотой полосы
задерживания. Кроме того должно соблюдаться строгое чередование частот бесконечного
и минимального затухания. Правильность расчета подтверждается в рассматриваемом
примере равенством и таблицей 1.

Таблица
1
| Частота, кгц |
1 звено 
|
2 звено 
|
3 звено 
|
4 звено 
|
|

|
310,442 |
139,356 |
119,137 |
115,313 |
|

|
176,369 |
125,179 |
116,4189 |
115 |
Заметим, что
наибольшему значению m соответствует наиболее удаленная от полосы пропускания
частота бесконечного затухания, а наименьшему значению m соответствует ближайшая к
переходной области частота бесконечного затухания. Все частоты и находятся в полосе
задерживания. Не допускается расположение частот и в полосе пропускания.
Определив
частоты бесконечного и минимального затухания, а так же значения коэффициентов для всех
звеньев и составив полную принципиальную схему фильтра нижних частот (ФНЧ
состоит из трех звеньев типа 1В1н и двух полузвеньев типа 2А1н), приступаем к
расчету номинальных значений элементы схемы ФНЧ. Начинаем с определения величины
расчетного сопротивления , а затем единичной индуктивности и единичной
емкости .
Коэффициент
нагрузки рассчитывается
графоаналитическим способом. Суть расчета сводится к тому, что выбирается такое
соотношение между сопротивлением нагрузки и номинальным характеристическим
сопротивлением, при котором в заданной полосе частот обеспечивается наилучшее
согласование. Расчет характеристического сопротивления ведется только для
оконечного полузвена, ибо если выполняются условия согласования
характеристического сопротивления с сопротивлением нагрузки для оконечного
полузвена на всех частотах полосы пропускания, то они выполняются и для всех
промежуточных звеньев (данные расчета приведены в таблице 2).
Таблица
2
|
Оконечное полузвено Ом =113,016 кгц.
|
| f, кгц |

|

|

|

|

|

|
| 50 |
0,4424 |
0,8968 |
0,87128 |
1,02929 |
1029,29 |
1,03592 |
| 55 |
0,4867 |
0,8736 |
0,84421 |
1,0348 |
1034,8 |
1,0415 |
| 60 |
0,5309 |
0,8474 |
0,8146 |
1,04027 |
1040,27 |
1,04697 |
| 65 |
0,5751 |
0,81805 |
0,7825 |
1,0454 |
1045,4 |
1,0521 |
| 70 |
0,6194 |
0,7851 |
0,7477 |
1,0500 |
1050,0 |
1,0568 |
| 75 |
0,6636 |
0,7481 |
0,71037 |
1,05311 |
1053,11 |
1,053865 |
| 80 |
0,7079 |
0,7064 |
0,6704 |
1,05369 |
1053,69 |
1,0605 |
| 85 |
0,7521 |
0,6590 |
0,62797 |
1,0494 |
1049,4 |
1,0562 |
| 90 |
0,7964 |
0,6048 |
0,58285 |
1,03766 |
1037,66 |
1,0443 |
| 95 |
0,8406 |
0,5417 |
0,53526 |
1,01203 |
1012,03 |
1,01855 |
| 100 |
0,8848 |
0,4659 |
0,48511 |
0,9604 |
960,4 |
0,9666 |
Коэффициент
согласования – это отношение
характеристического сопротивления к сопротивлению нагрузки, т.е. . Чем меньше коэффициент
согласования отличается от единицы, тем лучше согласованы характеристическое
сопротивление и сопротивление нагрузки. Графоаналитический метод заключается в
симметрировании кривой относительно значения (т.е.
уравнивания наибольшего и наименьшего значений в полосе пропускания).
Исходя из
этого, определяется коэффициент нагрузки , позволяющий затем вычислить как
оптимальное номинальное характеристическое сопротивление. Проводя симметрирование,
перемещаем кривую вдоль оси ординат относительно
значения (в
рассматриваемом примере вниз) так, чтобы максимальное положительное и
максимальное отрицательное отклонения функции от значения были приблизительно
равны.

Рисунок 9 – График
симметрирования характеристического сопротивления ФНЧ
В
рассматриваемом примере экспериментальное значение функции соответствует значениям
и . На частоте коэффициент
согласования . На частоте коэффициент согласования
.
Из этого
обобщенного графика можно сделать заключение о форме характеристики затухания
фильтра нижних частот. Положительное отклонение от значения свидетельствует об
обеспечении неискаженной передачи частот полосы пропускания в диапазоне частот и ; отрицательное
отклонение свидетельствует о наличие искажений для некоторых частот полосы
пропускания (наблюдается так называемый завал фронтов амплитудно-частотной
характеристики).
Максимально
положительное и максимально отрицательное отклонение на этих частотах
составляют соответственно ( )


Разность отклонений

Среднее отклонение

Новое
значение коэффициента согласования на частоте с учетом среднего отклонения

Коэффициент
несогласованности и коэффициент нагрузки на частоте соответственно
равны


Полагая
коэффициент нагрузки на частотах и одинаковым, находим
коэффициент согласования и коэффициент несогласованности на частоте :


Так как
значения и ничтожно мало отличаются
друг от друга, коэффициент нагрузки выбираем окончательно .
Определяем
расчетное характеристическое сопротивление
Ом
Следует
отметить, что, так как и мало отличается от , можно было бы
пренебречь несогласованностью при расчете и полагать Ом.
Вычисляем
величины единичной индуктивности и единичной емкости исходного звена
типа .



, , 
Рисунок 10 – Расчетные
соотношения для П-образного звена типа 1В1н фильтра нижних частот.
Учитывая
составленную полную принципиальную схему фильтра нижних частот (см. рисунок 8),
рассчитываем номинальные величины элементов каждого звена схемы. Звено типа 1В1н
рассчитывается следующим образом:
  
Зная
коэффициенты и можно рассчитать элементы всех
звеньев (рисунок 10), учитывая при этом, что для каждого звена требуются свои
значения m,
а значения и
постоянны
для всех звеньев. Расчет дается для одного типового промежуточного звена и
оконечного полузвена. Значения элементов остальных звеньев сведены в таблице 3.
Расчет промежуточного
полузвена
, , ,
,
,
,



Сразу же
проверяем резонансную частоту контура, значение которой должно совпадать со
значением частоты бесконечного затухания при том же значении m.

( )
Таблица
3
|
№
звена
|
Расчетный
коэффициент
|

|

|

|

|

|

|
,
кГц
|
|

|

|
0,31642 |
1,4099 |
0,63284 |
0,8974 |
1973,8 |
442,97 |
119,65 |
|

|

|
0,19862 |
2,4181 |
0,39742 |
0,56329 |
3385,22 |
278,06 |
115,31 |
Расчет оконечного
полузвена.
Четвертое
звено состоит из двух полузвеньев, включенных на входе и на выходе фильтра. Для
того, чтобы рассчитать номинальные величины Г-образных полузвеньев по
приведенным формулам, необходимо пересчитать величину , так как оконечные полузвенья
образуются путем деления пополам Т-образного звена типа 2А1н (линия а-а на
рисунке 11).




 
Рисунок 11 –
Преобразование звена типа 2А1н в оконечные полузвенья ФНЧ и расчетные
соотношения.



Проверяем резонансную
частоту контура

( )
Имея полную
схему фильтра (см. рисунок 8), можно составить его приведенную схему,
отличающуюся от полной тем, что параллельно соединенные элементы заменим одним
эквивалентным элементом (см.рисунок 12). Это внесет упрощение в изготовление
фильтра и также удешевит его. В приведенной схеме изменены обозначения. Поэтому
приведем нумерацию и расчет эквивалентных элементов (обозначения полной схемы в
скобках):
, ,

, ,

, ,

, ,

,

Рисунок 12 – Приведенная
схема фильтра нижних частот
Построение
полной характеристики затухания ФНЧ. Необходимо рассчитать затухание в полосе
задерживания и в полосе пропуская. Так же учтем, что общее собственное затухание
как в полосе задерживания, так и в полосе пропускания равняется сумме затуханий
всех звеньев . Поэтому рассчитаем затухания
отдельно для каждого звена, и затем просуммируем их.
Расчет
характеристики затухания фильтра нижних частот начинаем с расчета собственного
затухания каждого звена на частотах , где учитываем что Q – добротность катушек
индуктивности (для выбранных мною альсиферовых сердечников она обычно берется
равной 60) и – рассчитанные ранее коэффициенты
звеньев.

Таким образом

  
Далее считаем
собственное затухание в полосе задерживания без учета потерь, так как потери в
полосе задерживания не сказываются существенно на затухании.
,
где

Рассчитываем
собственное затухание в полосе задерживания на всех частотах и , кроме частоты
бесконечного затухания данного звена, так как оно рассчитано ранее. Полный
расчет для звена I ( ) приведен в таблице 4. Для всех
остальных звеньев в таблице 5 приведены расчетные значения частот и и величины
соответствующих им затуханий, там же приводится собственное затухание всего ФНЧ
в полосе задерживания.
Таблица
4
|
I звено   
|
| f, кГц |

|

|

|

|

|
| 115,00 |
1,0176 |
5,4001 |
6,0296 |
4,0296 |
0,40301 |
| 115,313 |
1,0203 |
5,0385 |
5,6928 |
3,0928 |
0,43282 |
| 116,419 |
1,0301 |
4,1056 |
4,8239 |
2,8239 |
0,5346 |
| 119,137 |
1,0542 |
3,1594 |
3,9426 |
1,9426 |
0,7048 |
| 125,179 |
1,1076 |
2,3259 |
3,1663 |
1,1663 |
0,9987 |
| 139,356 |
1,2331 |
1,7091 |
2,5918 |
0,5918 |
1,4769 |
| 176,369 |
1,5606 |
1,3026 |
2,2132 |
0,2132 |
2,3399 |
Таблица
5
| f, кГц |
I звено 
|
II звено 
|
III звено 
|
IV звено 
|

|
| 310,442 |
9,381 |
1,47681 |
0,7077 |
0,4333 |
11,99881 |
| 176,369 |
2,3399 |
2,00241 |
0,8765 |
0,5294 |
5,74821 |
| 139,356 |
1,4769 |
5,247 |
1,21056 |
0,7071 |
8,64156 |
| 125,179 |
0,9987 |
1,87846 |
1,8832 |
0,9997 |
5,76006 |
| 119,137 |
0,7078 |
1,21113 |
2,328 |
1,4738 |
5,72073 |
| 116,419 |
0,53546 |
0,88646 |
2,0395 |
2,2865 |
5,74792 |
| 115,313 |
0,43282 |
0,70645 |
1,4737 |
3,39 |
6,00297 |
| 115 |
0,40301 |
0,6556 |
1,34079 |
1,04941 |
3,44881 |
Для получения
рабочего затухания в полосе задерживания рассчитаем
затухание задерживания , так как оно существенно влияет в
этой области частот на рабочее затухание.
,
где 
Затухание
отражения считаем только для оконечного полузвена со значением , так как затухание
отражения получается за счет несогласованности характеристического
сопротивления с сопротивлением нагрузки. Окончательные результаты сведены в
таблице 6.
Таблица
6
|

|
| f, кГц |
, неп
|
f, кГц |
, неп
|
| 115,000 |
–0,5637 |
125,179 |
–0,3235 |
| 115,3013 |
–0,5972 |
139,356 |
7,45 |
| 116,419 |
–0,674 |
176,369 |
–0,467 |
| 119,137 |
–0,6806 |
310,442 |
–0,602 |
Далее находим
рабочее затухание всего фильтра в полосе
задерживания (таблица 7).
Таблица
7
| f, кГц |

|

|

|

|
,
дБ
|
,
неп
|
| 115,00 |
1,0176 |
3,44881 |
–0,5637 |
2,88511 |
28,14 |
2,89 |
| 115,313 |
1,0203 |
6,00297 |
–0,5972 |
5,40577 |
47,07 |
5,41 |
| 116,419 |
1,0301 |
5,74792 |
–0,674 |
5,07392 |
44,11 |
5,07 |
| 119,137 |
1,0542 |
5,72073 |
–0,6806 |
5,04013 |
43,85 |
5,04 |
| 125,179 |
1,1076 |
5,76006 |
–0,3235 |
5,43656 |
47,33 |
5,44 |
| 139,356 |
1,2331 |
8,64156 |
7,45 |
16,0916 |
139,98 |
16,09 |
| 176,369 |
1,5606 |
5,74821 |
–0,467 |
5,28121 |
45,94 |
5,28 |
| 310,442 |
2,75 |
11,99881 |
–0,602 |
11,3968 |
99,15 |
11,39 |
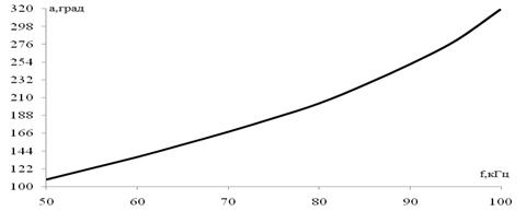
Рассчитываем фазовый
сдвиг, вносимый одним звеном ФНЧ.

где – фазовый сдвиг,
вносимый каждым звеном;
= 1,2,3,4 – № звена
Общий фазовый
сдвиг представляет собой сумму фазовых сдвигов звеньев. Расчеты фазового сдвига
каждого звена и всего фильтра приведены в таблицах 8 и 9. Как видно из таблицы
9 фазовый сдвиг вырастает при приближении к частоте среза. Для ФНЧ эта частотой
является наивысшей частотой полосы пропускания.
Для получения
полной характеристики затухания ФНЧ рассчитываем для каждого звена в
отдельности затухание в полосе пропускания с учетом потерь по следующей
формуле:

Таблица
8
|
I звено 
|
| f, кГц |

|

|

|
f, кГц |

|

|

|
| 50 |
0,4424 |
0,4595 |

|
80 |
0,7079 |
0,9334 |

|
| 55 |
0,4867 |
0,5189 |

|
85 |
0,7521 |
1,0629 |

|
| 60 |
0,5309 |
0,5835 |

|
90 |
0,7964 |
1,2264 |

|
| 65 |
0,5751 |
0,6548 |

|
95 |
0,8406 |
1,4453 |

|
| 70 |
0,6194 |
0,7348 |

|
100 |
0,8848 |
1,7688 |

|
| 75 |
0,6636 |
0,8262 |

|
|
|
|
|
Расчет
собственного затухания в полосе пропускания, вносимого I звеном, отражен в
таблице 10. Окончательные результаты аналогичных расчетов затухания полосы
пропускания для остальных звеньев сведены в таблице 11. В этой же таблице
приведено суммарное собственное затухание фильтра в полосе пропускания .
Таблица
9
| f, кГц |
II звено 
|
III звено 
|
IV звено 
|

|
|

|

|

|
| 50 |

|

|

|

|
| 55 |

|

|

|

|
| 60 |

|

|

|

|
| 65 |

|

|

|

|
| 70 |

|

|

|

|
| 75 |

|

|

|

|
| 80 |

|

|

|

|
| 85 |

|

|

|

|
| 90 |

|

|

|

|
| 95 |

|

|

|

|
| 100 |

|

|

|

|
Таблица10
|
I звено Q=60
|
| f, кГц |

|

|

|

|
, неп
|
, дБ
|
| 50 |
0,4424 |
0,21114 |
1,21114 |
0,37939 |
0,002797 |
0,02433 |
| 55 |
0,4867 |
0,26926 |
1,6926 |
0,30657 |
0,002487 |
0,02164 |
| 60 |
0,5309 |
0,34047 |
1,3047 |
0,44723 |
0,003957 |
0,03443 |
| 65 |
0,5751 |
0,42876 |
1,42876 |
0,45829 |
0,004393 |
0,03822 |
| 70 |
0,6194 |
0,53993 |
1,53993 |
0,47716 |
0,004926 |
0,04286 |
| 75 |
0,6636 |
0,68261 |
1,68261 |
0,49102 |
0,005431 |
0,04725 |
| 80 |
0,7079 |
0,87124 |
1,87124 |
0,49881 |
0,005885 |
0,05120 |
| 85 |
0,7521 |
1,12976 |
2,12976 |
0,49907 |
0,006256 |
0,05443 |
| 90 |
0,7964 |
1,50406 |
2,50406 |
0,48976 |
0,006501 |
0,05657 |
| 95 |
0,8406 |
2,08889 |
3,08889 |
0,46790 |
0,006555 |
0,05703 |
| 100 |
0,8848 |
3,12865 |
4,12865 |
0,42842 |
0,063178 |
0,05496 |
За счет
потерь энергии в катушках индуктивности и конденсаторах собственное затухание
фильтра не равно нулю, а имеет некоторое конечное значение, возрастающее по
мере приближения к предельной частоте.
На основании
ранее полученных данных о затухании фильтра составляем таблицу для расчета
выходного напряжения в полосе пропускания и полосе задерживания фильтра нижних
частот, помня, что и (таблица 12).

Рисунок 13 – Фазовая
характеристика ФНЧ с полосой
пропускания 50–100 кГц
Таблица
12
|

|
| f, кГц |
, дБ
|
, В
|
f, кГц |
, дБ
|
, В
|
| 50 |
0,057409 |
4,967 |
100 |
0,217759 |
4,876 |
| 55 |
0,062213 |
4,964 |
115,00 |
28,14 |
0,196 |
| 60 |
0,083417 |
4,952 |
115,313 |
47,07 |
0,0222 |
| 65 |
0,096649 |
4,945 |
116,419 |
44,11 |
0,03115 |
| 70 |
0,111872 |
4,936 |
119,137 |
43,85 |
0,0321 |
| 75 |
0,128068 |
4,927 |
125,179 |
47,33 |
0,0215 |
| 80 |
0,145215 |
4,917 |
139,356 |
139,98 |
0 |
| 85 |
0,163141 |
4,907 |
176,369 |
45,94 |
0,0252 |
| 90 |
0,181667 |
4,896 |
310,442 |
99,15 |
0,000055 |
| 95 |
0,200216 |
4,886 |
|
|
|
Таблица
11
| f, кГц |
I звено

|
II звено

|
III звено

|
IV звено

|
,
неп
|
,
дБ
|
|
, неп
|
, дБ
|
, неп
|
, дБ
|
, неп
|
, дБ
|
, неп
|
, дБ
|
| 50 |
0,002797 |
0,02433 |
0,001964 |
0,01709 |
0,001124 |
0,009775 |
0,000714 |
0,006214 |
0,006599 |
0,057409 |
| 55 |
0,002487 |
0,02164 |
0,00239 |
0,020792 |
0,001387 |
0,012067 |
0,000887 |
0,007714 |
0,007151 |
0,062213 |
| 60 |
0,003957 |
0,03443 |
0,002859 |
0,024873 |
0,001687 |
0,014681 |
0,001084 |
0,009433 |
0,009587 |
0,083417 |
| 65 |
0,004393 |
0,03822 |
0,003372 |
0,029336 |
0,002031 |
0,017672 |
0,001313 |
0,011421 |
0,011109 |
0,096649 |
| 70 |
0,004926 |
0,04286 |
0,003928 |
0,034175 |
0,002426 |
0,021102 |
0,001579 |
0,013735 |
0,012859 |
0,111872 |
| 75 |
0,005431 |
0,04725 |
0,004522 |
0,039338 |
0,002878 |
0,025037 |
0,00189 |
0,016443 |
0,014721 |
0,128068 |
| 80 |
0,005885 |
0,05120 |
0,005148 |
0,044789 |
0,003399 |
0,029574 |
0,002259 |
0,019652 |
0,016691 |
0,145215 |
| 85 |
0,006256 |
0,05443 |
0,005789 |
0,050363 |
0,004004 |
0,034836 |
0,002703 |
0,023512 |
0,018752 |
0,163141 |
| 90 |
0,006501 |
0,05657 |
0,006419 |
0,055829 |
0,004713 |
0,041 |
0,003249 |
0,028268 |
0,020882 |
0,181667 |
| 95 |
0,006555 |
0,05703 |
0,006973 |
0,060658 |
0,005543 |
0,048221 |
0,003943 |
0,034307 |
0,023014 |
0,200216 |
| 100 |
0,063178 |
0,05496 |
0,007332 |
0,063794 |
0,00651 |
0,05664 |
0,00487 |
0,042365 |
0,08189 |
0,217759 |

Рисунок – 14
Амплитудно-частотная характеристика ФНЧ с полосой пропускания 50–100 кГц
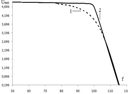
Окончательной
проверкой правильности расчета фильтра является близкое совпадение расчетной
характеристики с экспериментальной (рисунок 15).

1–теоретическая
характеристика; 2– расчетная характеристика
Рисунок – 15
Амплитудно-частотная характеристика ФНЧ с полосой пропускания 50–100 кГц
В заключении
расчета приведем общую схему фильтра нижних частот, сопротивление нагрузки
ставим в конце схемы.

; ; ; ; 
; ; ; ; ; ; ; ; ;
Рисунок –16 Общая схема
ФНЧ с рассчитанными значениями емкостей и индуктивностей
Так как в
расчете использованы катушки индуктивности с альсиферовыми тороидальными
сердечниками, то рекомендуется расположение всех катушек на общей оси и
воспользоваться изолирующими прокладками между ними. Монтаж конденсатора может
быть осуществлен подобно монтажу сопротивлений, на общей плате. Кожух фильтра
выполняется из алюминия, дюраля либо пермаллоя, или другого материала,
играющего роль электрического экрана (рисунок 17). Выводы осуществляются через
разъемы, которые могут быть и герметичными. Если требуется герметичность всего
фильтра, можно рекомендовать заливку компаундами, например эпоксидной смолой.
При этом катушки индуктивности должны пройти предварительную пропитку
церезином.
При монтаже
всех деталей требуется тщательная и надежная пайка, потому что в большинстве
случаев неисправности фильтре связаны с плохой пайкой контактов.

Рисунок 17 – Наружный вид
фильтра нижних частот 120 80 60
Заключение
В результате
выполнения курсового проекта был рассчитан фильтр нижних частот 2-го порядка по сопротивлению, с полосой пропускания 50–100кГц.
Характеристики затуханий, построенные по рассчитанным частотам, отвечают
требованиям к полосам задержания и пропускания. Проведенное моделирование
показало, что характеристики рассчитанных фильтров близки к идеальным, что
подтверждает точность расчёта и возможность использования этого фильтра на
практике. Преобразование общей схемы фильтра, т.е. уменьшение общего количества
необходимых емкостей и индуктивностей позволило удешевить и уменьшить вес
конструкции фильтра.
Следует
отметить, что рассчитанный мною фильтр может использоваться как все LC-фильтры: в силовых
электрических цепях для гашения помех и для сглаживания пульсаций напряжения
после выпрямителя; в каскадах радиоэлектронной аппаратуры, включенный на входе
средневолнового радиоприёмника обеспечивая настройку на определённую
радиостанцию; в звуковой аппаратуре в многополосных эквалайзерах для
корректировки АЧХ; для разделения сигналов низких, средних и высоких звуковых
частот в многополосных акустических системах; в схемах частотной коррекции магнитофонов
и др.
Список использованной литературы
1. Богданов Н.Г. Расчёт
электрических фильтров. – Пособие по курсовому и дипломному проектированию –
М.: ВИПС, 2000 г.,352 с.
2. Зааль Р., Справочник по
расчетам фильтров – М.: Радио и связь, 1983 г., 753 с.
3. Куцко Т. Ю. Расчет
полосовых фильтров – М.: Энергия 1985 г., 193 с.
4. Босый К. Д. Электрические
фильтры – М.: Гостехиздат 1960 г., 350 с.
|
|