Дипломная работа: Приёмник радиолокационной станции диапазона 800 МГц
1. Введение и постановка задачи
1.1 Введение
Целью
разработки данного проекта является показать соответствие степени
подготовленности и объёма знаний студента квалификации радиоинженера. Ниже
будет представлена разработка проекта приёмника радиолокационной станции (РЛС)
дециметрового диапазона. Объём дипломного проекта не позволяет в полной мере
рассмотреть все варианты решения задачи, поэтому будут рассмотрены лишь
некоторые из них.
Разрабатываемый
приёмник является составной частью радиолокационной системы. Кратко рассмотрим
принципы её работы.
Радиолокацией
называется обнаружение объектов и определение их пространственных координат и
параметров движения с помощью радиотехнических средств и методов. Устройства,
предназначенные для этого, называют радиолокационными станциями. Радиолокация
бывает:
активная с
пассивным ответом;
активная с
активным ответом;
пассивная.
Так как
активная радиолокационная система предусматривает существование, как приемника,
так и передатчика, то различают активную радиолокационную систему совмещенную,
когда приёмник и передатчик работают с общей антенной, а также разнесённую,
когда приёмник и передатчик разнесены в пространстве и имеют собственные
антенны. Разрабатываемый приёмник является частью совмещённой активной РЛС.
Радиолокационный приёмник предназначен для усиления отражённых от целей сигналов
РЛС и их фильтрации, при которой обеспечивается максимальное различение
полезных сигналов и помех. К помехам относятся не только шумы, возникающие в
радиолокационном приёмнике, но и сигналы, принимаемые от галактических
источников, соседних РЛС и аппаратуры связи и, возможно, от источников
преднамеренных помех. Часть собственной излучаемой РЛС энергии, которая
рассеивается нежелательными целями (как, например дождь, снег, птицы,
насекомые, атмосферные возмущения, дезориентирующие отражатели), можно также
классифицировать как энергию помех.
Импульсные
РЛС являются наиболее распространённый вид станций. Импульсная РЛС излучает
энергию импульсами и принимает эхо-сигналы в промежутках между очередными
излучениями. Большое преимущество этих РЛС заключается в том, что ни
просачивающаяся энергия передатчика, ни очень сильные отражённые сигналы от
расположенных на близких расстояниях местных предметов не поступают на вход
приёмника одновременно со слабыми эхо-сигналами от дальних целей.
1.2 Требования к приёмнику РЛС
К приёмникам
РЛС предъявляются более жёсткие требования, чем к приёмникам другого
назначения. Многие РЛС являются частью стратегических комплексов обнаружения
объектов. Вероятность достоверного обнаружения объектов в таких системах должна
иметь по возможности большое значение.
Вероятность
достоверного обнаружения объектов в первую очередь зависит от качества приёма.
Под качеством приёма следует понимать такие параметры как:
чувствительность
при заданном отношении сигнал/шум на выходе приёмника (на входе устройства
обработки сигнала);
избирательность
по частоте, благодаря которой возможен оптимальный (квазиоптимальный) приём
эхо-сигнала на фоне помех;
устойчивость
приёмника к воздействию сильных помех.
Во-вторых,
достоверность обнаружения объектов зависит от качества обработки в устройстве
обработки сигналов (УОС).
2. Технико-экономическое обоснование варианта реализации проекта
2.1 Составление эскиза схемы структурной приёмника
Ниже будет
разработан эскиз структурной схемы приёмника, определены приблизительные
параметры его узлов и каскадов, Окончательные величины параметров будут
определены при их детальном расчёте.
В настоящее
время на практике применяются различные по своей структуре и принципу действия
схемы приёмников радиосигналов. Среди них подавляющее большинство создано по
супергетеродинной схеме. Дело в том, что основное усиление в них происходит на
пониженной частоте, называемой промежуточной, где проще реализовать устойчивое
усиление без применения специальных мер. Относительная полоса частот,
занимаемая эхо-сигналом, меньше, а это облегчает фильтрацию. Кроме того,
частоту гетеродина в супергетеродинном приёмнике можно менять вслед за любым
изменением частоты передатчика без подстройки фильтров промежуточной частоты.
Супергетеродинные
приёмники имеют и недостатки. Основным из которых является наличие паразитных
каналов приёма по соседнему каналу и по промежуточной частоте. С проявлением
этих недостатков научились успешно бороться.
Основным
составным узлом супергетеродинного приёмника, отличающим его от многих других
приёмников, является преобразователь частоты. Его назначение - перенос спектра
радиосигнала из области высоких частот в область более низких (за исключением
диапазона длинных волн). Там, на более низкой частоте, называемой промежуточной,
происходит основное усиление и частотная избирательность. В простейшем случае
преобразование спектра происходит с использованием вспомогательного маломощного
перестраиваемого генератора, называемого "гетеродином". Преобразователь
частоты представляет собой активный или пассивный элемент с нелинейной
передаточной характеристикой. Принцип преобразования основан на влиянии
колебаний гетеродина на коэффициент передачи преобразовательного элемента. В
результате чего на выходе преобразователя появляются составляющие с частотами,
представляющие различные комбинации и сочетания частоты радиосигнала и частоты
гетеродина. Из всех комбинаций с помощью избирательной системы выделяются
полезные составляющие, которые и обрабатываются в дальнейшем.
Преобразователю
зачастую предшествует малошумящий усилитель высокой частоты. Применение
малошумящего усилителя перед преобразователем позволяет увеличить отношение
сигнал/шум. Связано это с тем, что даже при применении в усилителе и в
преобразователе малошумящих усилительных элементов шумы преобразователя
превышают шумы усилителя в 3…5 раз [2]. Решение, о применении или нет усилителя
радиочастоты, будет принято ниже после эскизного расчёта шумовых свойств узлов
приёмника.
Сигнал,
перемещённый преобразователем в область низких частот со средней частотой,
равной промежуточной, подвергается усилению и более глубокой фильтрации в
избирательном усилителе промежуточной частоты (УПЧ).
Так как в
фидере снижения может поглощаться (теряться) значительная часть энергии, то
преобразователь стараются устанавливать рядом с антенной перед фидером. Фидеру
снижения при этом предшествует предварительный усилитель промежуточной частоты
(ПУПЧ). Тогда остальные каскады УПЧ именуют главным УПЧ (ГУПЧ). Усиленный
предварительным УПЧ сигнал передаётся по фидеру снижения к главному УПЧ. Это
позволяет увеличить отношение сигнал/шум на выходе приёмника. Конструктивно
УВЧ, преобразователь с гетеродином и предварительный УПЧ, выполняют в виде
единого блока и называют "высокочастотной головкой". Очевидно, что
применение "высокочастотной головки" рядом с антенным устройством
ведёт к усложнению конструкции и применяется только в крайнем случае с целью
получить максимальную чувствительность.
Усиленный
сигнал детектируется и поступает на предварительный видеоусилитель. Здесь
происходит усиление видеоимпульсов до амплитуды, необходимой для нормальной
работы устройства обработки сигналов (УОС). Динамический диапазон входных
радиоимпульсов составлять десятки децибел. Динамический диапазон выходного
сигнала намного меньше. Для сжатия динамического диапазона применяется система
автоматической регулировки усиления АРУ, а также специальные типы усилителей. Усилители
имеющие логарифмическую зависимость выходного напряжения от входного называются
логарифмическими. В настоящее время в приёмниках радиолокационных станций,
предназначенных для обнаружения объектов применяются именно логарифмические
усилители. Приёмники радиолокационных станций сопровождения объектов имеют АРУ.
Частота передатчика, как правило, имеет большую долговременную нестабильность. Частота
простого нетермостатированного гетеродина также непостоянна. Без применения
автоматической подстройки частоты гетеродина пришлось бы расширять полосу
пропускания УПЧ. А это приведёт к увеличению принимаемых шумов и уменьшению
отношения сигнал/шум на выходе приёмника. Предусматриваю АПЧГ, особенностью
которой является поддержание постоянным разницы между частотой гетеродина и
частотой передатчика.

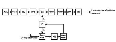
Рисунок 2.1
Схема структурная приёмника.
2.2 Предварительный расчёт параметров узлов схемы структурной приёмника
2.2.1 Определение распределения времени нарастания импульса tн по цепям приёмника
Принимаемый
радиосигнал имеет практически прямоугольную форму. Спектр такого радиоимпульса
широко изучен. Приём сигнала вёдётся на фоне шумов, которые являются помехами. Часть
характеристик ожидаемого сигнала известны. Согласно теории об оптимальной
фильтрации теоретически может существовать фильтр, который обеспечивает
максимально возможное отношение сигнал/шум на выходе. Такой фильтр называют
оптимальным по отношению к принимаемому сигналу.
Буду
считать, что отражённые радиоимпульсы следуют со сравнительно большим
интервалом. Переходные процессы в колебательных контурах от воздействия на них
предыдущего радиоимпульса заканчиваются ещё до прихода следующего. Тогда их
можно рассматривать как одиночные.
Комплексная
передаточная характеристика K(jw) оптимального фильтра является "вывернутой
на изнанку" по отношению к комплексному спектру принимаемого сигнала S(jw), или говоря строго математически комплексно сопряжённой:
K(jw) =S*(jw),(2.1)
где S*(jw) - комплексно сопряжённая функция по
отношению к S(jw).
Реальный
спектр радиоимпульса бесконечен. Оптимальный фильтр для такого радиоимпульса
должен аналогично обладать бесконечно широкой АЧХ. На практике реализовать
такой фильтр, разумеется, невозможно. Даже попытка создать его при
использовании ограниченного спектра радиоимпульса приводит к резкому усложнению.
Поэтому применяют квазиоптимальный фильтр, который сочетает в себе отчасти
свойства оптимального фильтра, а также простоту реализации. При этом отношение
сигнал/шум меньше, чем при применении оптимального фильтра. Однако уменьшение
отношения сигнал/шум может быть незначительным и в большинстве случаев
окупается простотой реализации такого фильтра. Так, при применении в качестве
квазиоптимального фильтра полосового фильтра с полосой пропускания
,
для
фильтрации прямоугольного радиоимпульса длительностью τИ, уменьшение
отношения сигнал/шум по сравнению с максимально возможным значением составляет
всего лишь 17% (см. табл. 2 с 164 [4]).
В
техническом задании не задано время установления (нарастания) импульса, поэтому
его значение следует выбрать в диапазоне (0,2-0,8) ×tи.
С целью
повышения отношения сигнал/шум следует выбирать большее значение, однако при
этом уменьшится точность определения расстояния до цели. Таким образом, время
нарастания импульса в приёмнике:

(2.2)

В
соответствии с оптимальными соотношениями распределение времени нарастания
импульса tн по цепям приёмника распределяются следующим
образом.
В тракте высокой
частоты:
(2.3)
В детекторе:
(2.4)
В видеоусилителе:
(2.5)
После
подстановки:
tн твч=0,9×4×10-6=3,6×10-6с
tн дет=0,27×4×10-6=1,08×10-6с
tн ву=036×4×10-6=1,44×10-6с
2.2.2 Определение полосы пропускания приёмника
2.2.2.1
Полоса приёмника без учёта нестабильности частоты передатчика, частоты
гетеродина и доплеровского смещения частоты:
(2.6)

2.2.2 2
Абсолютная нестабильность частоты гетеродина:
,(2.7)
где dнст. ген. - относительная нестабильность частоты
гетеродина, обычно для генераторов без термостабилизации dнст. ген=(3…5) ×10-4, принимаю dнст.
ген=5×10-4;
fГ - частота
гетеродина; так как обычно fГ>>
fПР, то fГ» f0.

2.2.2.3
Абсолютная нестабильность частоты передатчика задаётся в техническом задании. Принимаю
DfНСТ. ПРД. = DfНСТ. ГЕТ. =4×105Гц.
2.2.2.4
Скорость объектов v, за которыми ведётся
радиолокационное наблюдение, обычно не превышает 5Mah. Или
по отношению к скорости звука vЗ:
v=5×vЗ,(2.8)
где vЗ - скорость звука, vЗ=330м/с.
v=5×330=1650м/с
Доплеровское
смещение частоты:

,(2.9)
где c - скорость света, с=3×108м/с.

2.2.3 Полоса пропускания с учётом нестабильности частоты
,(2.10)
где КАПЧГ -
коэффициент автоматической подстройки частоты, КАПЧГ=10…30 (чем сложнее АПЧГ,
тем больше коэффициент).
Замечу, что
АПЧГ не уменьшает влияние явления доплеровского смещения частоты эхо-сигнала,
так как она отслеживает лишь отклонения разности частоты гетеродина и частоты
передатчика от значения промежуточной частоты.
Для простой
АПЧГ КАПЧГ=10:

2.2.3.1.
Полоса пропускания входной цепи и УРЧ обычно много шире полосы пропускания
приёмника в целом. Можно задаться значением эквивалентной добротности Qэкв контуров входной цепи и УРЧ порядка 50…200 и найти их
эквивалентную полосу пропускания (точное значение полосы пропускания входной
цепи и УРЧ находятся в соответствии с требованием избирательности по
зеркальному каналу).
Пусть Qэкв»100, тогда
полоса пропускания тракта радиочастоты:
(2.11)

2.2.3.2
Полоса пропускания тракта ПЧ 2DFТПЧ обычно близка к полосе пропускания приёмника 2DFП. Найду её с
учётом найденной полосы пропускания тракта радиочастоты 2DFТРЧ:
(2.12)

Как и
предполагалось 2DFТПЧ»2DFП.
2.2.3.3
Выбор величины промежуточной частоты fпр играет важную
роль в работе всего приёмного устройства.
При выборе
значения промежуточной частоты следует руководствоваться следующими основными
соображениями:
1) для
достаточной фильтрации сигналов промежуточной частоты после видеодетектора
необходимо, чтобы верхняя модулирующая частота FВ была
ниже промежуточной частоты в 5…10 раз.
2) для
лучшего воспроизведения формы импульса период промежуточной частоты Тпр должен
составлять не менее 0,05…0,1 длительности импульса tи.
Кроме этого
замечу, что слишком высокое значение промежуточной частоты приведёт к
уменьшению устойчивого коэффициента усиления УПЧ и сложности получения узкой и
стабильной полосы пропускания в УПЧ. А слишком низкое - к сложности получения
необходимой избирательности по зеркальному каналу без применения специальных
мер (использование заградительных фильтров по зеркальному каналу в преселекторе).
Верхняя
частота в спектре видеосигнала составляет примерно половину ширины полосы
пропускания приёмника:
FВ=0,5×DFП,(2.13)
FВ=0,5×3,77×105=1,89×105Гц=189кГц.
Итак, первое
требование к величине промежуточной частоты:
fпр≥(5…10) ×FВ(2.14)
Второе
требование:
Тпр≥(0,05…0,1)
×τи. (2.15)
Или с
учётом, что
:
(2.16)
Получаю
систему двух требований:
(2.17)

Очевидное
решение этой системы двух неравенств:
fпр≥4×106Гц.
Выбираю
ближайшее меньшее значение промежуточной частоты из рекомендуемого ряда: 30МГц,
60МГц и 120МГц.
Итак,
значение промежуточной частоты приёмника:
fпр=30×106Гц=30МГц.
2.2.4 Определю допустимый коэффициент шума приёмника
2.2.4.1 Для
начала выберу тип и марку фидера снижения антенны. Выбираю коаксиальный кабель
марки РК75-4-19, для которого:
волновое
сопротивление ρ=75Ом;
удельные
потери на частоте 1ГГц α=0,21дБ/м.
Коэффициент
передачи по мощности фидера снижения антенны:
,
где L - длина
кабеля снижения, L=5м.

2.2.4.2 В
техническом задании чувствительность задана в единицах напряжения. Переведу её
в единицы мощности:
Pc. min=
,
где RA - сопротивление антенны, RA=ρ=75Ом.
Pc. min=
.
2.2.4.3
Отношение сигнал/шум в относительных единицах:
γ=100,1×γ [дБ],
γ=100,1×12=15,8.
2.2.4.4
Допустимый коэффициент шума приёмника:
,
где Pс. min
- чувствительность приёмника;
k - постоянная
Больцмана;
T0 - нормальная
абсолютная температура, T0=293К;
TA - шумовая
температура антенны, TA=50К.

2.2.5 Найду действительный коэффициент шума приёмника без применения УРЧ
2.2.5.1
Коэффициент шума входной цепи:
Nвц
,
где KР. ВЦ - коэффициент передачи по мощности входной цепи,
обычно не менее 0,8, принимаю KР. ВЦ=0,8.
.

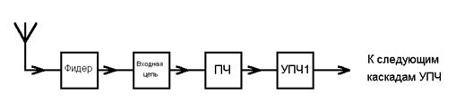
Рисунок 2.2.
Схема структурная первых узлов приёмника без применения УРЧ.
2.2.5.2 В
настоящее время в профессиональных приёмниках в смесителях преобразователей и в
усилителях дециметрового диапазона широко используются полевые транзисторы. Объясняется
это малыми нелинейными искажениями при преобразовании и большим динамическим
диапазоном входного сигнала. Современные преобразователи частоты на лампах
имеют динамический диапазон 70-80дБ, на биполярных транзисторах до 50-60дБ, а
на полевых транзисторах до 90-100дБ и более. Малые нелинейные искажения важны с
точки зрения уменьшения эффектов блокирования, перекрёстной модуляции и
взаимной модуляции 2-го и 3-го порядков. Большой динамический диапазон важен в
радиолокационных приёмниках в связи с большим диапазоном входного напряжения.
Выбираю в
качестве смесителя преобразователя частоты схему усилителя на полевом
транзисторе с изолированным затвором типа 2П310А, характеристики которого
приведены в приложении А. Выбор транзистора обусловлен в первую очередь
величиной усиления по мощности, которая составляет не менее 5дБ на частоте 1ГГц.
Во-вторых, протяжённым линейным участком на зависимости крутизны от напряжения
затвор-исток. В-третьих, относительно низким коэффициентом шума. Коэффициент
шума преобразователя частоты превышает в 3…5 раз коэффициент шума усилительного
элемента. Для выбранного полевого транзистора составляет не более 6дБ на
частоте 1ГГц, или в относительных единицах:
NТ=100,1×6=4
Принимаю
коэффициент шума преобразователя равным:
NПЧ=5×NТ,
NПЧ=5×4=20.
Коэффициент
усиления по мощности преобразователя частоты, выполненного на выбранном полевом
транзисторе, составляет около 2:
КПЧ≈2.
2.2.5.3
Коэффициент шума УПЧ NУПЧ=4
2.2.5.4
Ожидаемый коэффициент шума приёмника без УРЧ:
,

Ожидаемый
коэффициент шума приёмника без УРЧ превышает предельно допустимый коэффициент
шума:
26,9>11,5
Следовательно,
необходимо применить перед преобразователем частоты малошумящий усилитель
радиочастоты.

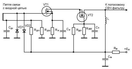
Рисунок 2.3
Схема структурная первых узлов приёмника с использованием УРЧ.
2.2.6 Найду действительный коэффициент шума приёмника при применении
малошумящего УРЧ перед преобразователем частоты
2.2.6.1 В
качестве усилительного элемента применяю полевой транзистор 2П310А. Причины
выбор такие же, как при выборе транзистора смесителя (см. п.2.2.5.2).
Принимаю
коэффициент шума УРЧ:
NУРЧ=2×NТ,
NУРЧ=2×4=8,
а
коэффициент усиления по мощности:
KР. УРЧ=3дБ=2.
2.2.6.2
Ожидаемый коэффициент шума приёмника с применением УРЧ:

.
Ожидаемый
коэффициент шума приёмника с применением УРЧ больше предельно допустимого:
21,9>11,5
Необходимо
применить УРЧ с большим усилением.
2.2.7 Возможно два варианта решения этой задачи
1) применить
многокаскадный УРЧ;
2) применить
УРЧ с каскодным включением усилительных элементов.
Второй
вариант предпочтительнее, так как имеет лучшую устойчивость, при аналогичных
шумовых характеристиках.
На практике
применяются различные комбинации усилительных элементов в схеме каскодного УРЧ.
Схема на двух полевых транзисторах обладает наибольшим динамическим диапазонам
и в данном случае обладает преимуществом. Коэффициент устойчивого усиления
превышает, по крайней мере, в 100 раз (а зачастую и выше) коэффициент усиления
каскада на одном таком же транзисторе.
2.2.7.1
Коэффициент шума приёмника с применением каскодного УРЧ:
,
где NУРЧК - коэффициент шума каскодного УРЧ, равен коэффициенту
шума каскада на одном транзисторе NУРЧК=NУРЧ=8;
KР УРЧК - коэффициент усиления каскодного УРЧ.
Из этой
формулы нахожу требуемый коэффициент усиления каскодного УРЧ:
.
Заменяю
коэффициент шума приёмника его требуемым значением и нахожу минимальный
коэффициент усиления каскодного УРЧ:

Найденное
значение коэффициента усиления УРЧ является минимальным с точки зрения
обеспечения шумовых свойств.
Усиление
обычно выбирают с запасом на старение элементов:
,
где k - коэффициент запаса усиления,
обычно k=(2…3), выбираю k=2,
.
Минимальное
напряжение на входе преобразователя:
,
где gВХ ПЧ - входная проводимость преобразователя частоты, gВХ ПЧ≈1,17×10-2См.
.
Динамический
диапазон входного напряжения в относительных единицах:
DВХ=100,05×D [дБ],
DВХ=100,05×50=316.
Максимальное
напряжение на входе преобразователя:
Uвх пч max=Uвх
пч min×Dвх,
Uвх пч max=1,4×10-5×316=4,42×10-3В=4,42мВ.
Полученное
значение максимального входного напряжения преобразователя является вполне
приемлемым для смесителя на полевом транзисторе.
3. Расчёт логарифмического УПЧ
3.1 Данные для расчёта
Динамический
диапазон входного сигнала:
DВХ=50дБ=100,05×50=316
Динамический
диапазон выходного сигнала не более DВЫХ=13дБ=100,05×13=4,46
Минимальное
значение входного сигнала (определяется чувствительностью) EВХ
МИН=8,86×10-6В.
Минимальное
значение выходного напряжения (необходимое для нормальной работы детектора) Uвых=1В.
%.1 Число
каскадов логарифмического усилителя в простейшем случае численно равно
требуемому динамическому диапазону выходного сигнала:
N=DВЫХ,
число
каскадов, разумеется, округляется до ближайшего меньшего целого.
N=4,46≈4
Качественная
амплитудная характеристика четырёхкаскадного УПЧ приведена на рисунке %.
3.2 Усиление каскада до насыщения
,
.
3.3 Оценю
ошибку аппроксимации по графику рис.27 [] для KЛ=16дБ:
δ≈2дБ,
её можно
считать удовлетворительной.
3.4 Требуемое усиление до ЛУПЧ
,
.
3.5 Порог насыщения каскада ЛУПЧ
ЕТ=К×ЕВХ МИН×DВХ,
ЕТ=52,5×8,86×10-6×316=0,147В.
3.6 Расчёт усилителя логарифмического УПЧ
В
логарифмических УПЧ применяются в основном широкополосные усилители. Частотная
избирательность при этом осуществляется в предыдущих каскадах. В качестве
схемного исполнения использую резистивный усилитель на биполярном транзисторе,
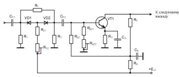
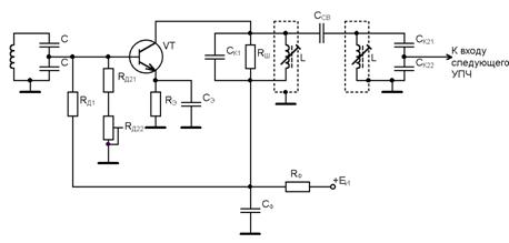
включенного по схеме с общим эмиттером (ОЭ) рисунок %.

3.6.1 Выбираю транзистор усилителя по следующим критериям
1) граничной
частоте усиления fГР>(3…4) ×fВ,
где fВ - верхняя частота усиливаемых колебаний (для узкополосного
колебания можно принять fВ≈fПР),
следовательно, выбирать нужно такие транзисторы, у которых fГР≥4×30МГц=120МГц;
2) отношению
коэффициента передачи тока к ёмкости коллекторного перехода: h21Э/СК;
предпочтение нужно отдавать транзисторам с большим отношением (отношение h21Э/СК косвенно определяет устойчивый коэффициент усиления);
3) и,
наконец, стоимости - транзисторы со слишком высокими показателями имеют
бόльшую стоимость.
Выбираю
транзистор 2Т368А. Его параметры приведены в приложении%.
3.6.2 Нахожу параметры усилительного каскада на промежуточной частоте
3.6.2.1
Сопротивление базы на высокой частоте:
,
где τ -
постоянная цепи обратной связи;
СК - ёмкость
коллекторного перехода.

3.6.2.2
Сопротивление эмиттерного перехода:
,
где I0Э - ток эмиттера в рабочей точке каскада, выбираю положение
рабочей точки из условия обеспечения запаса на регулировку усиления в 6 раз: ток
эмиттера в рабочей точке, равен 3мА=3×10-3А.

3.6.2.3
Коэффициент передачи по току в схеме с общей базой (ОБ):
,
где β -
статический коэффициент передачи тока по схеме с ОЭ, β=h21Э0=50.

3.6.2.4
Сопротивление перехода база-эмиттер:
,
.
3.6.2.5
Статическая крутизна усиления:
,
.
3.6.2.6
Крутизна на высокой частоте:
,

Значение
крутизны на высокой частоте осталось практически неизменным.
3.6.2.7
Входная проводимость:
,
где ω -
угловая частота, ω=2×π×fПР.

3.6.2.8
Входная ёмкость:
,
.
3.6.2.9
Выходная ёмкость:
,
.
3.6.2.10
Выходная проводимость:


3.6.3 Коэффициент устойчивого усиления каскада на биполярном транзисторе,
включенном по схеме ОЭ
,
,
что
превышает требуемый коэффициент усиления.
3.6.4 Положение рабочей точки из условия обеспечения запаса на регулировку
усиления в 6 раз
IЭ0=3мА=3×10-3А,
Y21 0=0,11,IБ0=0,06мА=60мкА,
IК0≈3мА=3×10-3А.
Напряжение
база-эмиттер в рабочей точке UБЭ0≈0,7В.
Напряжение
коллектор-эмиттер в рабочей точке UКЭ0=5В.
3.6.5 Резистор температурной стабилизации в цепи эмиттера
,
.
Выбираю
резистор номиналом 820 Ом.
Напряжение
на резисторе:
UЭ=IЭ×RЭ,
UЭ=3×10-3×820=2,46В.
3.6.6 Сопротивления делителя базового смещения
,
,
где IД - ток делителя, IД=6 IБ0=6×0,06×10-3=3,6×10-4А.
,
.
Принимаю
значение резистора RД1 номиналом 20кОм по шкале Е24.
3.6.7 Сопротивление делителя базового смещения RД1
распределяю между двумя резисторами, один из которых подстроечный
Сопротивление
подстроечного резистора выбираю из соображений обеспечения регулировки тока
базы в диапазоне ±35%:
,
.
Принимаю
значение резистора RД22 по шкале Е12 номиналом 6,8кОм.
Сопротивление
постоянного резистора делителя:
RД21=RД2-0,5×RД22,RД21=8780-0,5×6800=5380Ом.
Принимаю
значение резистора RД21 номиналом 5,6кОм.
3.6.8 Входная проводимость усилителя
,

Входное
сопротивление усилителя:
,
.
Расчёт
коллекторной цепи транзистора будет выполнен после определения параметров
нагрузки, которой является ограничитель усиления следующего каскада ЛУПЧ.
3.7 Расчёт ограничителя усиления (смотри рис. %)
3.7.1 Сопротивление резистора делителя RS найду по
приближённой формуле из расчёта обеспечения тока через диоды порядка 0,5мА
,
где ЕИ -
напряжение источника смещения, в данном случае источника питания;
UПОР - пороговое напряжение диодов, для кремниевых диодов UПОР≈0,7В;
Iдиод - ток через диоды ограничителя, Iдиод=5×10-4А.

3.7.2 Сопротивление нагрузочных сопротивлений делителя
,
.
Принимаю
значение R=680Ом по шкале Е24.
3.7.3 Сопротивление нагрузки делителя с учётом входного сопротивления
усилителя можно найти по формуле
R~
,
R~
.
3.7.4 Сопротивление резистора ограничителя Rf
Rf=R~×(KЛ-1),
Rf=260×(6,81-1)
=1511Ом.
Выбираю
номинал резистора Rf по шкале Е24 1,5кОм.
3.7.5 В процессе настройки ЛУПЧ напряжение ограничения усиления
подвергается изменению
Разделяю
сопротивление RS на два резистора, один из которых
подстроечный. Он должен обеспечить регулировку напряжения ограничения в
пределах ±20%.
Сопротивление
подстроечного резистора:
RS2=0,4×RS,
RS2=0,4×25400=10160Ом.
Выбираю
номинал подстроечного резистора по шкале Е12 величиной 10кОм.
Сопротивление
постоянного резистора:
RS1=RS-0,5 RS1,RS1=25400-0,5 10000=20400Ом.
Выбираю
номинал резистора по шкале Е24 величиной 20кОм.
3.7.6 Входное сопротивление ограничителя в режиме усиления
,
.
Входное
сопротивление ограничителя в режиме насыщения:

,

.
Среднее
значение входного сопротивления ограничителя можно найти как среднее
геометрическое двух значений сопротивлений:
,
.
3.8 Расчёт коллекторной цепи усилителя ЛУПЧ
3.8.1 Сопротивление коллекторной цепи по переменному току с учётом влияния
входного сопротивления ограничителя усиления
,
.
3.8.2 Сопротивление резистора коллекторной нагрузки по переменному току
,

Принимаю
значение Rк по шкале Е24 равным 75Ом.
3.8.3 Сопротивление резистора фильтра
,
.
Принимаю
значение Rф по шкале Е24 равным 1,5кОм.
3.8.4 Ёмкость конденсатора в цепи эмиттера находится из соображения его
малого реактивного сопротивления по сравнению с сопротивлением резистора цепи
эмиттера
XCЭ<<RЭ,
или
,
.
Выбираю
конденсатор по шкале Е24 номиналом 130пФ.
3.8.5 Ёмкость разделительных конденсаторов СР1 и СР2 найду из соображения
малого падения напряжения на них
Реактивное
сопротивление конденсатора должно быть много меньше входного сопротивления
следующего каскада. Ёмкость конденсаторов можно найти по формуле:
,
,
,

Выбираю по
шкале Е24 конденсатор СР1 номинальной ёмкостью 620пФ.
3.8.6 Ёмкость конденсатора фильтра можно найти по приближённой формуле
,
.
Принимаю
величину ёмкости Cф по шкале Е24 номиналом 1500пФ.
4. Расчёт смесителя
4.1 Параметры полевого транзистора в режиме преобразования частоты
Входная
проводимость:
g11ПР≈0,6×g11С,
где g11С - входная проводимость в режиме усиления на частоте
сигнала,
g11ПР≈0,6×2,84×10-3=1,7×10-3См;
крутизна
преобразования:
Y21ПР=0,25×Y21П,
Y21ПР=0,25×3,33×10-3=8,33×10-4См;
выходная
проводимость:
g22ПР≈0,4×g22,g22ПР≈0,4×1×10-4=4×10-5См;
проводимость
обратной связи:
Y12ПР≈0,15×Y12П,
где Y12П - проводимость обратной связи на промежуточной частоте,
Y12ПР≈0,15×(-5,65×10-5) =8,5×10-6См;
ёмкости
затвор-исток, затвор-сток и сток-исток и выходная ёмкость остаются без
изменений:
СЗ-И=1,5пФ,
СЗ-С=0,3пФ,
СС-И=1,1пФ,
С22И=1,4пФ.
4.2 Найду устойчивый коэффициент усиления смесителя
,
.

4.3 Положение рабочего участка смесителя выбираю на линейном участке
зависимости крутизны транзистора от напряжения затвор-исток
Напряжение
затвор-исток в середине рабочего участка смесителя:
UЗ-И 0=3В,
ток стока в
рабочей точке смесителя:
IC 0=10мА.
Ширина
рабочего участка:
2ΔUЗ-И=6В,
амплитуда
гетеродина:
UГЕТm=0,5×2ΔUЗ-И,
UГЕТm=0,5×6=3В.
Действующее
значение напряжения гетеродина:
,
.

4.4 Расчёт избирательной системы цепи стока
4.4.1 Коэффициент, учитывающий нестабильность формы частотной
характеристики из-за влияния входных и выходных ёмкостей усилительного прибора
,
где b - относительное изменение ёмкости,
которое может быть равным 0,1…0,3;
μ -
коэффициент, учитывающий степень подверженности частотной характеристики
фильтров влиянию вносимых ёмкостей, для схемы на двухконтурных фильтрах
μ=0,8…1,0.

4.4.2 Определяю критические значения затухания контура
,
,
где dK - конструктивное затухание
контура, для частоты 30МГц dK=0,01,C11
- входная ёмкость каскада следующая за смесителем, C11=2пФ,
C22 -выходная ёмкость полевого транзистора, C22=1,4пФ,
g11 - входная проводимость каскада следующая за смесителем, g11=2,25×10-3,g22ПР - выходная проводимость полевого транзистора при
преобразовании.
,
.
4.4.3 Сравниваю полученное ранее при предварительном расчёте эквивалентное
затухание контуров dЭК с найденными значениями
критического затухания
dЭК=0,01257,d'=0,047,d"=0,392.
Очевидно,
что dЭК<d' - режим
максимального усиления обеспечивается без ограничений.
4.4.4 Коэффициент включения в базовую цепь следующего транзистора
,
.
Коэффициент
включения контура в коллекторную цепь принимают равным единице (полное
включение контура в цепь коллектора):
m1=1.
4.4.5 Эквивалентная ёмкость первого и второго контура
,
.
4.4.6 Резонансный коэффициент усиления отдельного каскада
,
.
Коэффициент
усиления не превышает значения устойчивого усиления:
K01<KУСТ.
4.4.7 Ёмкость первого контура
,
.
Принимаю
ёмкость первого контура СК1 равной 160пФ по шкале Е24.
4.4.8 Ёмкость второго контура СК21
,
.
Принимаю
ёмкость второго контура СК21 равной 180пФ по шкале Е24.
4.4.9 Ёмкость второго контура СК22
,
.
Принимаю
ёмкость второго контура СК22 равной 1200пФ по шкале Е24.
4.4.10 Индуктивности контуров
,
где
СК=СК2=СК2=160пФ.
.
4.4.11 Коэффициент связи между контурами при критической связи
k=dЭК,
k=0,01257.
4.4.12 Ёмкость конденсатора внешнеемкостной связи
ССВ=k×СК,
ССВ=0,01257×160=2,01пФ.
Принимаю
номинал ёмкости конденсатора связи по шкале Е24 равным 2пФ.
4.5 Найду требования к колебанию гетеродина
4.5.1 Нагрузкой транзистора является колебательный контур. Резонансная
проводимость контура
,
.
4.5.2 Колебания гетеродина подаются в цепь истока транзистора,
следовательно, со стороны гетеродина транзистор включен по схеме с общим
затвором (ОЗ)
Входная
проводимость усилительного каскада с ОЗ:
,
где g11C -
входная проводимость по схеме ОИ на частоте сигнала,
g22C. - выходная проводимость
транзистора в схеме с ОИ.
.
4.5.3 Мощность колебаний гетеродина
,
.
4.6 Расчёт смесителя по постоянному току
4.6.1 Резистор температурной стабилизации в цепи истока
,
где IИ0 - ток истока в рабочей точке, IИ0≈IC0+UЗ-И×g11C=10×10-3+3×2,84×10-3=1,85×10-2А=18,5мА.

Сопротивление
RИ принимаю номиналом 68Ом по шкале Е24.
Напряжение
на резисторе RИ:
UИ=IИ0×RИ,
UИ=1,85×10-2×68=1,26В.
4.6.2 Сопротивления делителя смещения затвора
,

где IД - ток делителя, из соображений стабильности положения
рабочей точки ток делителя выбирается много больше тока утечки затвора полевого
транзистора. Для данного типа транзистора ток утечки затвора не превышает 4нА,
однако для избежания проблем с выбором резисторов делителя со слишком большими
номиналами, а также уменьшения влияния паразитных утечек тока, ток делителя
можно принять равным 100мкА.
,
.
Сопротивления
резисторов RД1 и RД2 выбираю
равными 36кОм и 43кОм соответственно.
4.6.3 Сопротивление резистора фильтра
,
.
Принимаю
значение сопротивления резистора фильтра 150Ом по шкале Е24.
4.6.4 Ёмкость конденсатора фильтра можно найти по приближённой формуле
,
.
Принимаю
номинал конденсатора фильтра по шкале Е24 равным 43пФ.
4.6.5 Ёмкость конденсатора в цепи истока находится из соображения его
малого реактивного сопротивления по сравнению с сопротивлением резистора цепи
истока
XCИ<<RИ,
Или
,
.
Выбираю
конденсатор по шкале Е24 номиналом 1800пФ.
5. Расчёт полосового фильтра СВЧ
Фильтр СВЧ
выполняю на связанных разомкнутых полосковых линиях. Полосковые линии
выполняются в виде рисунка печатной платы. Материалом подложки послужит
стеклотекстолит, а проводниками полосок медная фольга. Выбираю в качестве
материала печатной платы фольгированный с двух сторон стеклотекстолит матки СФ2-35-2,0
ГОСТ 10316-70. Его параметры:
толщина
подложки d=2мм;
относительная
диэлектрическая проницаемость материала подложки ε=6;
толщина
фольги Δ=35мкм,
тангенс угла
диэлектрических потерь tgδ=250×10-5, на частоте 1ГГц.
5.1 Для фильтра с максимально плоской характеристикой число звеньев можно
найти по формуле [Воскресенский]
,
где LЗ - ослабление при расстройке ΔfЗ,
LПРОП - ослабление на границе полосы пропускания при
расстройке ΔfПРОП, обычно LПРОП=2
(или 3дБ).

Число
звеньев фильтра округляется до ближайшего большего целого:
n=2.
Замечу, что
число элементарных фильтров на связанных полосках на единицу больше, то есть
три.
5.2 Найду отношение
.
Затем, по
таблице 3.4 [Ковалёв], для относительной полосы пропускания 2% найду
коэффициенты qi, представляющие собой перепады
характеристических сопротивлений ступенчатого перехода фильтра-прототипа:
q1=q3=83,356,q2=3741,2.
5.3 Величина переходных затуханий связанных звеньев
Ci=10×lg(1+qi),
C1=C3=10×lg(1+83,356) =19,26дБ,
C2=10×lg(1+3741,2) =35,73дБ.
5.4 Амплитудный коэффициент связи имеет простую связь с величиной
переходного затухания
Ci=10×lg ki-2.
Откуда
коэффициент связи:
,
,
.

5.5 Геометрические размеры полосок определяю по формулам [Ковалёв]
,
.
Для
уменьшения громоздкости вычислений результаты расчётов приведены в таблице 3.1
для d=2мм, ε=6 и ρ=75Ом.
Таблица 3.1
| b1=b3, мм |
s1=s3, мм |
b2, мм |
s2, мм |
| 1,06 |
2,22 |
1,15 |
4,64 |
5.6 Длина полосок
,
где λ -
длина волны колебаний в воздухе,
СКрi - краевая ёмкость резонатора.:
Краевая
ёмкость резонатора определяется по формуле:
,
где Δ -
толщина проводника резонатора, Δ=0,035мм.
Результаты
расчётов приведены в таблице 3.2
Таблица 3.2
| СКР1=СКР3, пФ |
l1=l3, мм |
СКР2, пФ |
l2, мм |
| 0,0512 |
37,80 |
0,0540 |
37,77 |
5.7 Ширина подводящих полосок
,
где ρ -
волновое сопротивление подводящих линий.

5.8 Коэффициенты фильтра-прототипа
,
где k - номер ветви, отсчитываемой от
входа фильтра, k=1…(n+1).
,
,
.
Фильтр
симметричный:
g1=g3=1,g2=2.
5.9 Нагруженные добротности
,
где QФ - нагруженная добротность всего фильтра на уровне трёх
децибел,
,
.
С учётом
найденного нагруженные добротности колебательных систем:
,
.
5.10 Найду собственное затухание резонатора фильтра
,
где QR - добротность резонатора про учёте
только потерь в проводниках,
QИЗЛ - добротность, определяемая потерями на излучение,
tgδ - тангенс угла
диэлектрических потерь, определяет потери в диэлектрике.
Первые две
добротности нахожу по графикам в работе [Ковалёв] в зависимости от размера d, волнового сопротивления ρ частоты f0
и относительной диэлектрической проницаемости ε:
QR≈360,QИЗЛ>10000.
Третий
параметр дан в справочных данных на материал подложки:
tgδ=250×10-5.
Собственное
затухание резонатора фильтра:
.
5.11 Резонансная проводимость фильтра (по аналогии с полосовым фильтром
сосредоточенной селекции)
,
.
5.12 Активные потери на средней частоте фильтра
, дБ,
.
5.13 Коэффициент передачи фильтра по мощности
,
,
по
напряжению:
,
.
6. Расчёт усилителя радиочастоты
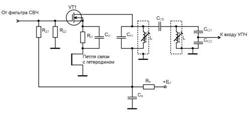
6.1 Выбираю последовательное включение транзисторов
Так как
напряжение питания достаточно большое, чтобы поделить его на два транзистора. Схема
каскодного УРЧ изображена на рисунке. Второй транзистор нагружен на полосовой
СВЧ фильтр. Питание стоковой цепи параллельное через катушку индуктивности. Индуктивное
сопротивление катушки много больше входного сопротивления фильтра. Затвор
первого транзистора защищён СВЧ двумя диодами типа КД922А. Тип диода выбран из
расчёта малой барьерной ёмкости, которая составляет 0,4пФ при обратном
напряжении 3В.


6.2 Нахожу требуемую крутизну второго транзистора в рабочей точке
,
где Roe - сопротивление фильтра СВЧ,
KТРЧ - требуемое усиление УРЧ.
.
Этому значению
крутизны соответствует напряжение затвор-исток UЗ-И=0,8В
и ток стока IC=1,5мА.
6.3 Выбираю величину напряжения сток-исток равным UС-И=4В
6.4 Резистор температурной стабилизации в цепи истока
,
где IИ0 - ток истока в рабочей точке, IИ0≈IC0 =1,5×10-3А.

Сопротивление
RИ принимаю номиналом 1600Ом по шкале Е24.
Напряжение
на резисторе RИ:
UИ=IИ0×RИ,
UИ=1,5×10-3×1600=2,4В.
6.5 Сопротивления делителя смещения затвора первого затвора
,

где IД - ток делителя, из соображений стабильности положения
рабочей точки ток делителя выбирается много больше тока утечки затвора полевого
транзистора.
Для данного
типа транзистора ток утечки затвора не превышает 4нА, однако для избежания
проблем с выбором резисторов делителя со слишком большими номиналами, а также
уменьшения влияния паразитных утечек тока, ток делителя можно принять равным
100мкА.
,
.
Сопротивления
резисторов RД11 и RД12 выбираю
27кОм и 33кОм соответственно шкале Е24.
6.6 Сопротивления делителя смещения затвора второго транзистора

,

,
,
.
Сопротивления
резисторов RД21 и RД22 выбираю
47кОм и 75кОм соответственно по шкале Е24.
6.7 Сопротивление резистора фильтра
,
.
Принимаю
значение сопротивления резистора фильтра 1,8кОм по шкале Е24.
6.8 Индуктивность цепи стока
,
где Goe - резонансная проводимость
фильтра СВЧ, Goe=2,67×10-4См.
.
6.9 Ёмкость конденсатора фильтра можно найти по формуле
,
.
Принимаю
номинал конденсатора фильтра по шкале Е24 равным 20пФ.
6.10 Ёмкость конденсатора, шунтирующего делитель смещения затвора
Нахожу из
соображений его малого реактивного сопротивления, по сравнению с входным
сопротивлением транзистора на высокой частоте:
,
.
Принимаю
номинал конденсатора делителя по шкале Е24 равным 12пФ.
6.11 Ёмкость конденсатора в цепи истока находится из соображения его малого
реактивного сопротивления по сравнению с сопротивлением резистора цепи истока
XCИ<<RИ,
или
,
.
Выбираю
конденсатор по шкале Е24 номиналом 15пФ.
6.12 Ёмкость конденсатора, шунтирующего делитель смещения затвора второго
транзистора можно найти по формуле
,
.
Выбираю
конденсатор по шкале Е24 номиналом 12пФ.
7. Расчёт предварительного усилителя промежуточной частоты

7.1 В предварительном усилителе промежуточной частоты происходит усиление
колебаний до величины необходимой для нормальной работы логарифмического УПЧ
Требуемый
коэффициент усиления до ЛУПЧ был рассчитан ранее, он равен К=52,5. Коэффициенты
усиления УРЧ, смесителя и коэффициенты передачи по напряжению входной цепи и
полосового фильтра СВЧ известны из расчёта. Требуемый коэффициент усиления
всего тракта УПЧ:
,
.
7.2 Усиление каждого каскада УПЧ из расчёта, что их два
,
.
7.3 Коэффициент, учитывающий нестабильность формы частотной характеристики
из-за влияния входных и выходных ёмкостей усилительного прибора
,
где b - относительное изменение ёмкости,
которое может быть равным 0,1…0,3;
μ -
коэффициент, учитывающий степень подверженности частотной характеристики
фильтров влиянию вносимых ёмкостей, для схемы на двухконтурных фильтрах
μ=0,8…1,0.
.
7.4 Определяю критические значения затухания контура
,
,
где dK - конструктивное затухание
контура, для частоты 30МГц dK=0,01,C11
и C22 - соответственно входная и выходная ёмкости
усилительного прибора,
g11 и g22 - входная и выходная
проводимости усилительного прибора.
,
.
Сравниваю
расчётное значение затухания контуров с критическими значениями затухания:
dЭК=0,01257,d'=0,0368,d"=0,348.
Очевидно,
что dЭК<d' - режим
максимального усиления обеспечивается без ограничений.
7.5 Коэффициент включения в базовую цепь следующего транзистора
,
.
Коэффициент
включения контура в коллекторную цепь принимают равным единице (полное
включение контура в цепь коллектора):
m1=1.
7.6 Эквивалентная ёмкость первого и второго контура
,
.
7.7 Резонансный коэффициент усиления отдельного каскада
,
.
Больше
заданного - необходимо уменьшить коэффициент усиления до заданного значения
КУПЧ=2,77.
7.8 Коэффициент включения в цепь следующего транзистора
,
.
7.9 Контура необходимо зашунтировать, проводимость шунтов
,

Сопротивление
шунта:
,
.
Принимаю
сопротивление шунта равным 33кОм по шкале Е24.
7.10 Ёмкость первого контура
,
.
Принимаю
ёмкость первого контура СК1 равной 120пФ по шкале Е24.
7.11 Ёмкость второго контура СК21
,
.
Принимаю
ёмкость второго контура СК21 равной 130пФ по шкале Е24.
7.12 Ёмкость второго контура СК22
,
.
Принимаю
ёмкость второго контура СК22 равной 1800пФ по шкале Е24.
7.13 Индуктивности контуров
,
где
СК=СК2=СК2=125пФ.
.
7.14 Коэффициент связи между контурами при критической связи
k=dЭК,
k=0,01257.
7.15 Ёмкость конденсатора внешнеёмкостной связи
ССВ=k×СК,
ССВ=0,01257×125=2,01пФ.
Принимаю
номинал ёмкости конденсатора связи по шкале Е24 равным 2пФ.
7.16 Расчёт усилителя по постоянному току почти полностью совпадает с
расчётом логарифмического УПЧ
Приведу
результаты расчёта:
RД1=20кОм,
RД21=5,6кОм,
RД22=6,8кОм,
RЭ=820Ом,
СЭ=130пФ,
СФ=1500пФ.
Сопротивление
резистора фильтра:
,
.
Принимаю
сопротивление резистора фильтра равным 1,5кОм по шкале Е24.
8. Предварительный расчёт избирательной системы тракта промежуточной
частоты (ТПЧ)
8.1 Коэффициент прямоугольности избирательной системы ТПЧ
,
где ΔfСК - частотная расстройка соседнего канала,
2ΔfТПЧ - полоса пропускания тракта промежуточной частоты на
уровне 0,707.

По таблице
17.11 [Буланов] нахожу, что коэффициент прямоугольности не хуже расчётного
можно получит при применении трёх каскадов усилителей (в том числе один
преобразователь частоты) на двухконтурных фильтрах. Коэффициент прямоугольности
трёхкаскадного усилителя на двухконтурных фильтрах равен КП60=4,4, что меньше
расчётного.
8.2 Эквивалентное затухание контуров УПЧ
,
где ψ(3)
- значение функции из табл.17.11 [Буланов] для n=3,
ψ(3) =1.
