Дипломная работа: Особенности сбора, обработки и хранения шишек и семян сосны обыкновенной в Семипалатинском филиале ГУ ГЛПР "Семей орманы"
Содержание
Введение
1. Обзор литературы
2. Краткая характеристика хозяйства
2.1 Природно-климатические условия
2.2 Хозяйственно-экономическая
характеристика
2.3 Охрана труда и техника
безопасности
2.4 Охрана лесов
2.5 Народнохозяйственное
значение сосны обыкновенной
3. Собственные исследования
3.1 Цель и задачи исследования
3.2 Материал и методы исследования
3.3 Результаты исследования
3.3.1 Биология плодо- и семеношения
сосны обыкновенной
3.3.2 Сбор шишек сосны обыкновенной
3.3.3 Хранение шишек сосны
3.3.4 Переработка шишек
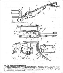
3.3.5 Машины и устройства
для сбора и обработки семян
Заключение
Выводы и предложения
Список использованной
литературы
Приложения
Введение
Лес
является одним из наиболее мощных и эффективных факторов защиты и очистки
атмосферы, воды и почвы от различного рода загрязнений. Лес на земле также
оказывает наиболее сильный ландшафтообразующий эффект путем интенсивного
накопления энергии солнечной радиации и синтеза органических веществ и путем
глубины преобразования всех компонентов занятой им территории.
Никакие
искусственно созданные условия для жизни человека с использованием новейших
достижений научно-технического прогресса не могут заменить благотворного
влияния природных факторов. Нужно согласовать нужды людей с мерами по
сохранению природы. Единственно правильное отношение к природе – это
рациональное использование ее ресурсов, т.е. использование, учитывающее все
необходимые меры по их сбережению и обеспечивающее их сохранность.
Выросли масштабы лесоэксплуатации, происходят ее качественные
изменения, связанные главным образом с применением машинной техники и
технологии. Вырубаются значительные территории лесов. Предварительные расчеты
показывают, что на нашей планете ежегодно леса вырубаются на площади более 10 млн.
га.
Еще более значительные площади лесов мира ежегодно
охватываются пожарами, хотя в общем в связи с техническим прогрессом происходит
некоторое снижение горимости.
Отсюда возникает необходимость восстановления лесов на
огромных площадях вырубок и гарей. Это глобальная современная проблема.
В лесных хозяйствах лесовосстановление занимает особое место —
это большая народнохозяйственная задача страны и в то же время выполнение ее в
связи с масштабностью работ вносит весомый вклад в решение глобальной проблемы в
целом.
С правильным решением вопросов лесовосстановления связаны непрерывность
обеспечения древесиной и другими продуктами леса, а также выполнение лесом
многосторонних защитных, рекреационных и других функций, вытекающих из значения
леса, как составной части биосферы.
Возобновление леса означает, прежде всего, восстановление его
основного компонента - древесной растительности. Образование последней
вызывает, в свою очередь, появление других компонентов — характерного
напочвенного покрова, подлеска, грибной и бактериальной флоры и т. д. Таким
образом, понятие «возобновление леса» в конечном счете, можно рассматривать в
широком биогеоценотическом или экосистемном смысле, то есть как возобновление
лесного сообщества, лесного биогеоценоза или лесной экосистемы.
В практике возобновление леса рассматривается как
восстановление древесной растительности и оценивается по наличию и характеру
молодого поколения древесных растений (всходы, налет, самосев, сеянцы, подрост,
саженцы, поросль, их количество, размещение, распределение по породам,
состоянию и т. д.).
Восстановление леса — многоаспектная проблем, в ней прежде
всего можно выделить природные, технические, технологические, экономические и
социальные аспекты. Возобновление леса разделяется на естественное,
искусственное и комбинированное. Естественное возобновление леса понимается
двояко:
1) как
процесс самовозобновления, протекающий в лесу стихийно, вне влияния лесовода;
однако он подчинен определенным закономерностям, знание которых необходимо для
решения проблемы возобновления в любом виде;
2) как
процесс, регулируемый, направляемый лесоводом; иными словами, естественное
возобновление можно рассматривать и как один из методов возобновления леса;
лесовод, определяя направление естественного возобновления использования его в
качестве метода, выбирает тот или иной способ рубки, а также семенные деревья,
подготавливает напочвенную и почвенную среду, благоприятную для восприятия
древесных семян, мероприятия по сохранению подроста от повреждений при
лесозаготовках.
Метод естественного возобновления предусматривает
использование разнообразных способов с учетом биологии и экологии древесных
пород, природных и экономических условий и способов рубки.
Таким образом, естественное возобновление леса как
управляемый процесс и метод относится к активной формы возобновления.
При искусственном возобновлении в современном мировом лесоводстве
определилась общая тенденция к постепенному увеличению посадок. Однако
соотношение посевов и посадок может быть различным в зависимости от породы,
природных условий, обеспеченности семенным и посадочным материалом, а также от
возможностей техники.
Комбинированное возобновление представляет собой сочетание
естественного и искусственного возобновления на одном и том же участке и может
быть представлено различными вариантами. Оно имеет ряд положительных сторон, но
не исключает, однако, элемента стихийности, обусловливающего
неудовлетворительные результаты (например, сосна может быть заглушена березой в
результате ее стихийного естественного возобновления), поэтому необходимо
своевременное вмешательство лесовода в данный процесс.
Охрана и приумножение леса — всенародное дело. Сохранение и
приумножение лесов приводит не только к бесперебойному обеспечению народного
хозяйства древесиной и другими ценными продуктами, но и к сохранению и
увеличению животного мира, запасов рыбы в естественных водоемах, улучшению
климата. Таким образом, условия жизни для человека становятся лучше. В связи с
этим охране леса издавна уделяется большое внимание. Еще Петр I в 1701 г. запретил рубку леса в
бассейнах рек. Им же были выделены заповедные виды деревьев и заповедные лесные
массивы. Запрещалось пасти скот без пастуха. За рубку казанских и нижегородских
лесов определялось жестокое наказание. В 1722 г. Петром I была проведена очень важная реформа
в лесном хозяйстве, положившая начало организации лесного хозяйства как
отрасли, возглавляемой специальной канцелярией во главе с министром.
Работники лесного хозяйства успешно решают многие трудные
задачи по лесовосстановлению, рациональному использованию лесосечного фонда,
уменьшению потерь древесины при ее заготовке, транспортировке и переработке,
размещению лесной промышленности в соответствии с наличными лесосырьевыми
ресурсами.
Главная проблема лесоводства - приумножение наших лесных
богатств и повышение их продуктивности — решается на научной основе в
соответствии с разработанными системами мероприятий. Успехи в решении этой
проблемы зависят от того, насколько глубоко и твердо будут усвоены и соблюдены
правила ведения лесного хозяйства. Приемы и методы хозяйствования в лесу
требуют специальных знаний по биологии леса — жизни лесных насаждений.
Благотворная деятельность лесоводов
поистине неоценима. Величие лесовода заключается в том, что он один из первых в
процессе своей повседневной работы создает то, чем сам может и не
воспользоваться, но что будет с благодарностью оценено потомками. Но лес не
только источник древесины и других продуктов, не только один из компонентов
среды обитания человека. Лес – это неиссякаемый источник красоты, вдохновляющий
писателей, поэтов, художников и композиторов.
Данные литературного обзора показывают,
что вопросами сбора, переработки и хранения семян занимались многие ученые и
исследователи. А заготовкой семян и шишек хвойных пород деревьев переработка и
хранение сосны в обыкновенных условиях нашего региона освещены недостаточно,
поэтому эти и другие вопросы были поставлены при изучении данной работы.
1. Обзор
литературы
По свидетельству ученых и философов, уже в V в. до н. э. земледельцы выращивали
леса для обеспечения своих потребностей в лесоматериалах. По мере развития
цивилизации на Земле пользование лесом становится все более целенаправленным. В
книгах, написанных в IV в.
до н. э., описаны лесохозяйственные мероприятия по улучшению использования леса
и восстановлению его на опустошенных землях. Отдельные положения по лесоводству
сформулированы в различных сельскохозяйственных энциклопедиях (IX - X вв.) [1,2,3].
Государственный интерес к лесному делу был проявлен во
времена Петра I. В официальных указах Петра
неоднократно подчеркивалось государственное значение лесов.
Высокопроизводительные леса нужны были для развития корабельного флота. Однако
мысли людей науки не ограничивались мероприятиями по использованию леса для
нужд человека. Появились догадки, а затем и доказательства о водоохранном,
водорегулирующем, почвозащитном, климатоулучшающем значении лесов.
Основы лесоводственной науки были заложены в трудах
гениальных русских ученых М. В. Ломоносова, А. Л. Нартова, А. Т. Болотова. [4,5].
Лесоводственная наука развивалась
сравнительно быстрыми темпами. Уже в 1804 г. вышел в свет первый учебник
начальных основ лесоводства, автором которого являлся Е. Ф. Зябловский. Первое
определение растительного сообщества было дано Г.Ф. Морозовым [6] для леса, а
затем распространено В.Н. Сукачевым [6] на все растительные сообщества. Термин
"фитоценоз" был применен в 1915 г. И.К. Пачоским для "чистых
зарослей".
Фитоценоз, как и биогеоценоз, следует
понимать как географическое явление, а именно – каждый наземный фитоценоз
занимает определенную территорию со свойственными ей гидрологическим режимом,
микрорельефом, микроклиматом, почвами.
В. Н. Сукачев [6] весьма удачно дает
определение фитоценоза: "…Фитоценоз,
или растительное сообщество, – совокупность растений, произрастающих совместно
на однородной территории, характеризующаяся определенным составом, строением,
сложением и взаимоотношениями растений как друг с другом, так и с условиями
среды. Характер этих взаимоотношений определяется, с одной стороны, жизненными,
иначе, экологическими свойствами растений, с другой стороны, свойствами
местообитания, т. е. характером климата, почвы и влиянием человека и животных…".
Строение и состояние фитоценоза
хорошо отражает и конкуренцию и взаимопомощь растений [4,5,6].
В создании и развитии русской лесной науки большая роль
принадлежит проф. Г. Ф. Морозову, столетие со дня рождения которого широко
отмечено в 1967 г. Его книга «Учение о лесе» за период с 1912 г. по 1949 г. издана семь раз.
Ценность книги Г. Ф. Морозова «Учение о лесе» заключается в
том, что впервые в мире в ней дана стройная теория жизни леса. На основе
фактического материала своих наблюдений, а также русских и зарубежных
исследователей Г. Ф. Морозов установил закономерности развития леса и
восстановления его по мере использования. Лес рассматривается как явление
географическое. [6,7,8,9].
Накопленный лесоводственный опыт показал, что при
возобновлении сосны основное место должны занять лесные культуры. Однако
некоторые вопросы, связанные с её выращиванием, такие, как подготовка песчаных
почв, способы смешения с другими породами, густота и размещение посадочных мест
до настоящего времени остаются дискуссионными.
При создании долговечных и высокопродуктивных насаждений
также огромную роль играет происхождение семян лесных пород из разных условий
произрастания. Ошибка в выборе лесных семян выявляется не сразу, а через
длительный период времени, поэтому лесоводы должны знать и предвидеть эффект от
использования тех или иных семян.
В Усманском бору (южная часть), находящемся в Центральной
части лесостепи, расположены уникальные объекты по различным вопросам
технологий создания культур сосны обыкновенной. Они позволяют проводить
исследования по всем вышеназванным направлениям. Впервые в истории лесоводства
убедительно прозвучало положение о единстве организмов и среды.
Лес рассматривается как сложное общежитие живых существ в
непременной связи с внешней средой. Понятие о лесе включало в себя совокупности
растений и животных, взаимодействующих между собой и окружающей средой и
находящихся в непрерывном изменении. По Г. Ф. Морозову, лес есть явление
географическое. Разнообразные формы леса и жизнь его не могут быть понятны вне
связи леса с внешней средой.
Основываясь на взглядах Ч. Дарвина, Г. Ф. Морозов связывал
жизнь леса с борьбой за существование, приводящей к естественному отбору.
Индивидуальная изменчивость форм у древесных растений сильно развита. Процесс
естественного отбора характерен и для древесных пород. Наиболее приспособленные
к условиям среды организмы выживают, а наименее приспособленные отмирают.
Древесные породы сохраняют по наследству материнские и отцовские признаки, а
изменчивость свойств деревьев не имеет предела. [8,9].
Для современного лесоводства важное
значение приобретает положение, сформулированное Г. Ф. Морозовым, о
соответствии древесных пород условиям среды. Только при соответствии древесных
растений условиям место произрастания возможен желаемый эффект при выращивании
высокопродуктивного леса [10,11,12]..
Представляя лес как подвижную равновесную систему, Г. Ф.
Морозов считал необходимый активно вмешиваться в жизнь леса, регулировать
искусственным путем процесс естественного отбора. Он говорил о том, что в
лесоводстве должна возникнуть особая глава о сознательном отборе,
представляющем собой регулирование естественного отбора в условиях и в порядке
хозяйственной дисциплины. В связи с этим глубокое познание природы леса и
активное воздействие на него путем создания лесных культур, селекции, рубок
ухода и других мероприятий являлось основным в его учении о лесе.
Проф. Г. Ф. Морозов является создателем классического учения
о смене древесных пород. По его утверждению, в природе все течет и изменяется.
И лес, как ни устойчив он в отдельных своих формах и проявлениях, тоже
подвержен тому же закону[12,13]. Жизнеспособность леса зависит от степени
соответствия древостоя условиям его среды.
Особенно ярко проявился талант Г. Ф. Морозова в созданном им
учении о типах леса. Это учение получило всеобщее признание у нас в стране и за
границей. Оно стало основой для дальнейшей разработки типологических направлений
В. Н. Сукачева, П. С. Погребняка, В. Г. Нестерова, И. С. Мелехова и др. Высокой
оценкой русской типологической школы на IV мировом лесном конгрессе русское лесоводство обязано, прежде
всего Г. Ф. Морозову.
В отечественном лесоводстве наиболее
известна внутривидовая классификация сосны обыкновенной Л.Ф. Правдина [14,15]. Он выделил 5 подвидов (или географических рас) сосны: обыкновенную
лесную, крючковатую, северную лапландскую, сибирскую и кулундинскую (или южную
степную). Внутри каждого подвида выделяются климатические экотипы и почвенные
или эдафические экотипы. Например, сосна меловая и сосна болотная.
Климатип (или географическая
разновидность) рассматривается как наибольшая популяция, внутри которой
невозможно установить различие связанное с географической широтой и высотой над
уровнем моря [16,17,18].
Современная концепция вида трактует его
как систему популяций [19,20]. Популяционный подход при изучении главнейших
видов лесообразователей представляет качественно новый этап в лесной науке.
Популяция во все большей мере рассматривается в лесоводстве как основная
единица эксплуатации, охраны и воспроизводства вида. Своеобразие популяционной
структуры у древесных растений определяется их биоэкологическими особенностями:
долговечностью, широтой ареала [21,22,23].. Популяции древесных
растений, в особенности сосны обыкновенной, велики по численности особей,
границы их размыты, имеются переходные зоны. Наследственные свойства и признаки
изменяются в пределах ареала постепенно в соответствии с изменением физико-географических
условий. Учитывая географическую изменчивость сосны обыкновенной, на территории
бывшего Советского Союза выделено 85 лесосеменных районов [24,25,26].
2. Краткая характеристика хозяйства
2.1 Природно-климатические условия
Восточно-Казахстанская
область – одна из крупных промышленных, сельскохозяйственных регионов
Республики Казахстан, занимает общую площадь 28051,2 тыс.га. Территория края
вытянута по широте от 40° до 51° и находится на долготе от 76° до 86° восточной
долготы.
Рельеф
характеризуется наличием высоких, средних и низких гор, предгорных и обширных
межгорных долин. Абсолютная высота изменяется от 250 м на западе, до 2962 м на
юго-востоке и до 4506 м на востоке. Климат области резко континентальный с
холодной зимой и жарким засушливым летом. В горных и предгорных районах
континентальность несколько сглаживается. Самый холодный месяц январь, со
среднемесячной температурой от –15 до –20°С на севере, до – 14°С на юге.
Снежный
покров в северном и центральном районах области образуется в конце октября, в
начале ноября, а к концу ноября и в южной ее части. Высота снежного покрова по
области очень не равномерна, местами не более 15 см, но может достигать и 80
см. Продолжительность периода с устойчивым снежным покровом (с ноября по март),
колеблется в пределах 105–180 дней. Низкие температуры воздуха в сочетании с
недостаточно мощным снежным покровом, в отдельные зимы, обуславливает
сравнительно глубокое промерзание почвы. Продолжительность холодного периода (с
температурой воздуха ниже 0°С) на территории области 160–170 дней, в южной ее
части 135–155 дней.
Среднемесячная
температура воздуха самого теплого месяца – июля – составляет в предгорных и
горных частях области 18–19°С, в равнине – 20–22 °С и в самой южной части –
23°С. В отдельные жаркие дни температура воздуха может повышаться до 40–43°С.
Среднегодовая температура воздуха – от 3 до 2,8°С. Продолжительность теплого
периода – от 195 до 205 дней на большей части территории региона до 210–230
дней на юге. Переход от отрицательной температуры к положительной на юге
области – конец марта – начало апреля, на остальной территории – начало апреля.
Устойчивый переход температуры воздуха через 10°С совершается в конце апреля –
начале мая в равнинной части области, и в 1 декаде мая – в предгорной и горной
части. Продолжительность безморозного периода по области 90–105 дней в воздухе
и 80–135 дней на почве. На равнинах, особенно на юге, длительность этого
периода соответствует числу дней с температурой выше 10°С, а в мелкосопочнике –
с температурой выше 15°С. В силу резких колебании температур в течении суток в
теплое время года безморозный период наступает значительно позже даты перехода
среднесуточной температуры через 10°С; кончается он также раньше, чем
среднегодовая температура опускается ниже +10°С.
Среднее
годовое количество атмосферных осадков для большей части территории составляет
около 250 мм, что при высоких летних температурах говорит о засушливости
климата. Для данного региона характерны довольно сильные ветры в течение всего
года. Среднегодовая скорость ветра изменяется от 4 до 5 м/сек на большей части
территории снижаясь до 2–3 м/сек к востоку.
Большая
часть территории Восточно-Казахстанской области носит степной характер и
образована горными системами Алтая и Саур-Тарбагатая. Почти все правобережье
Иртыша и части левобережья заняты горной системой Алтая. На юге и юго-западе
простирается обширная территория Семипалатинского Прииртышья (172,7 тыс.
км²), характеризующаяся мелкогорно-мелкосопочноувалисто холмистой
равниной.
На
приподнятых равнинах господствуют полынно-биюргуновые, тырсово-полынные,
полынно-типчаковое-кокпековые формации. Иртышская депрессия характеризуется
разнотравно-злаковыми лугами и лесными зарослями прирусловой поймы Иртыша,
типчаковыми и ковыльно-типчаковыми группировками на древних аккумулятивных
равнинах правобережья.
Согласно схеме лесорастительного районирования Казахстана
(Чупахин, 1970) и данным сектора географии АН Республики Казахстан, территория
филиала расположена в степной зоне, представленной подзоной сухих
полынно-типчаковых степей на темно-каштановых почвах.
Территория филиала входит в Иртышско-Обскую провинцию
сосновых и березовых остепненных лесов и относится к
Семипалатинско-Сростинскому боровому подрайону лесорастительного района -
Ленточные боры Прииртышья. Иртышское лесничество относится к провинции -
Иртышской пойменных лесов, лесорастительному району - Семипалатинскому
тополевых и ветловых лесов с участием тополя лавролистного.
В геоморфологическом отношении территория филиала относится к
Прииртышской впадине, которая представляет собой слабо волнистую
песчано-супесчаную равнину. Особенность
почвенного и растительного покрова тесно связана с рельефом местности.
Большинство территории занято ленточными борами на дерново-боровых почвах и
песках. В понижениях рельефа встречаются береза, осина, образующие смешанные
древостой.
В равнинной части превалируют песчано-ковыльно-типчаковые растительные
группировки на темно-каштановых малогумусных почвах. В слабо выраженных
депрессиях рельефа распространены различные луговорастительные группировки. Преобладают типчак,
ковыль; подмаренник, костер-пырей, из кустарников - таволга и карагана. В
депрессиях рельефа с близкими грунтовыми водами встречаются
разнотравно-злаковые дута.
Район тополевых и ветловых лесов (Иртышское лесничество
располагается в пойме р. Ертис.
Прирусловая часть сложена грубым, слоистым аллювием и
отличается извилисто-волнистым рельефом (прирусловые валы и ложбины, песчаные
отмели и др.).
Центральная часть характеризуется тяжелым составом слагающих
пород и значительной расчлененностью рельефа вследствие наличия большого
количества стариц и озер. На пониженных элементах мезорельефа встречаются
заболоченные луга. Кроме древесной (тополь, ветла) и кустарниковой (тальник,
жимолость татарская, шиповник и др.) растительности в пойме произрастают злаки
и высокое разнотравье (ежа, костер, вейник, канареечник, чина, вероника и др.),
на заболоченных лугах - осока, ситник, тростник.
В целом лесорастительные условия района расположения филиала
жесткие. Летом часты суховеи, которые нарушают водный баланс растений. Зимние
ветры сдувают снег с открытых мест, в результате чего почва промерзает на
большую глубину, что губительно сказывается на состоянии корневой системы.
Грозовые явления в летнее время, особенно после длительной засухи, приводят к
возникновению лесных пожаров. Суровый климат обуславливает неблагоприятные
лесорастительные условия и делает этот район трудным в вопросе облесения.
Роль лесов в охране окружающей среды трудно переоценить.
Различают по меньшей мере пять видов пользования лесом:
1} получение древесины;
2) получение других продуктов жизни леса;
3) добыча зверей, птиц;
4) использование лесов как мест для
отдыха человека;
5) использование санитарно-гигиенических, почвозащитных, водоохранных и других
защитных функций леса.
Санитарно-гигиеническая роль леса проявляется еще и в
поглощении им пыли, шума, снижения скорости ветра, смягчения климата,
успокоения нервной системы.
Фитонцидные свойства деревьев способны уничтожать многие
болезнетворные микробы. Недаром курорты, санатории, профилактории, школьные
лагеря располагаются вблизи лесных массивов.
Примыкая к г. Семипалатинску сосновые леса украшая ландшафт,
в то же время выполняют все вышеперечисленные защитные функции.
Особенно следует подчеркнуть, что в условиях г.
Семипалатинска с наличием ветров лесные массивы, закрепляя пески, предотвращают
заносы песком строений, дорог и пр.
Лиственные леса в пойме р. Ертис. кроме водорегулирующей
функции, способствуют повышению урожайности сельскохозяйственных культур,
сенокосов, пастбищ. В пойме Ертис и по границе гослесдачи расположены десятки
крестьянских хозяйств, школьные лагеря, зоны отдыха, профилактории.
Немаловажную роль играет использование древесины для нужд
населения. В среднем за ревизионный период ежегодно в филиале заготавливалось
15-20 тыс. древесины.
При катастрофическом сокращении площадей ленточных боров за
ревизионный период основной задачей, стоящей перед лесным резерватом, является
сохранение и приумножение этих крайне своеобразных лесов Прииртышья.
2.2 Хозяйственная характеристика
филиала
В соответствии с Законом Республики Казахстан от 15 июля 1997
года № 162-1 «Об особо охраняемых природных территориях» в целях сохранения и
восстановления уникальных ленточных боров Прииртышья Постановлением
Правительства Республики Казахстан от 22 января 2003 года № 73 бывшие
Бегеневское, Бородулихинское, Букебаевское, Долонское, Жанасемейское.
Жарминское, Канонерское. Морозовское, Новошульбинское и Семипалатинское
государственные учреждения по охране лесов и животного мира Комитета лесного и
охотничьего хозяйства реорганизованы (путем их слияния) в государственное
учреждение «Государственный лесной природный резерват «Семей орманы».
Семипалатинское государственное учреждение по охране лесов и животного мира
целиком вошло в состав Государственного лесного природного резервата «Семей
орманы» в качестве филиала с сохранением всех 5-ти лесничеств.
В 2004 году приказом Комитета лесного и охотничьего хозяйства
Министерства сельского хозяйства Республики Казахстан от 15.06.04 № 122 из
Жанасемейского филиала передано в состав Семипалатинского филиала Иртышское
лесничество. В настоящее время Семипалатинский филиал состоит из 6-ти
лесничеств (таблица 1).
Таблица 1. Административная структура филиала
| Лесничество |
Общая площадь,
га
|
Местонахождение
контор лесничеств и филиала
|
|
Краснокордонское
Пригородное
Батпаевское
Каштакское
Талицкое
Иртышское
Всего:
|
20248
19611
8000
24769
13134
9926
105688
|
п. Красный Кордон
п. Аксаринск
п. Батпай
п. Каштак
п. Талица
п. Бобровка
|
Леса филиала впервые устраивались в 1910 году, затем в 1929
году, тогда же были образованы Пригородная, Озерская и Лейковская лесные дачи.
В этом году лесной массив был разбит на квадраты размером 2x2 версты. Материалы
этого лесоустройства не сохранились. Семипалатинский лесхоз был организован
согласно приказу Минлесхоза КазССР от 30.01.47 №3 в результате
реорганизации Пригородного учлесхоза.
Следующее лесоустройство было проведено в 1946-47 гг.
Сибирской аэрофотолесоустроительной конторой по 2 разряду точности. Таксация
проводилась без применения аэрофотоснимков. Материалов лесоустройства также не
сохранились. Последующее лесоустройство проводилось в 1961 году Казахской
лесоустроительной конторой по Г разряду точности. Таксация производилась с
применением аэрофотоснимков. При этом лесоустройстве кварталы 2x2 версты были
разрублены визирами на 4 квартала каждый. В результате этого средняя площадь
квартала составила до 113 га. В этом же году лесной массив был разбит на
планшеты, границы которых были сняты инструментально с точностью 1:500. В это
же время была восстановлена южная граница лесного массива.
Последующие лесоустройства проводились Казахским
лесоустроительным предприятием в 1970, 1981 годах по I разряду точности с использованием аэрофотоснимков.
Предыдущее лесоустройство проводилось в 1991 году- Казахским
лесоустроительным предприятием по I разряду точности в соответствии с требованиями лесоустроительной
инструкции 1986 года на площади 95922 га с применением аэрофотоснимков залета
1990 г.
Настоящее лесоустройство (2004г.) проведено также Казахским
лесоустроительным предприятием по I разряду точности в соответствии с требованиями лесоустроительной
инструкции 1986 г. протокола 1-го лесоустроительного совещания с применением
аэрофотоснимков залета 2003 года масштаба 1:30000. В качестве геодезической
основы для составления планшетов использовались топокарты масштаба 1:25000.
Границы лесничеств и нумерация кварталов в пределах бывшего Семипалатинского
головного лесохозяйственного производственного предприятия не изменились. В
принятом, согласно приказу Комитета лесного и охотничьего хозяйства МСХ РК от
15.06.04 № 122. Иртышском лесничестве, в связи с передачей 893 га земель другим
землепользователям, произведена перенумерация кварталов.
Инвентаризация лесного фонда осуществлялась путем наземной
ходовой таксации с заходом в каждый выдел глазомерным и
глазомерно-измерительными методами с применением элементов измерительной
таксации. Для подкрепления глазомерного определения таксационных показателей
использовались высотомеры, полиотомеры. Характеристика проведенного настоящего
лесоустройства отражена в таблице 2
Таблица 2. Характеристика проведенного лесоустройства
| Показатели |
Ед. изм. |
Всего |
В том числе по лесничествам |
|
|
|
Красно
кордонское
|
Пригород
ное
|
Батпаев
ское
|
Каштак
ское
|
Талицкое |
Иртыш
ское
|
| 2 |
3 |
4 |
5 |
6 |
7 |
8 |
9 |
10 |
|
Площадь,охваченная лесоустройством, всего
в т. ч. по разрядам: 1
Количество кварталов,
всего в т. ч. средняя
площадь
|
тыс.
га
шт.
га
|
105.7
105.7
951
111
|
20.3
20.3
181
112
|
19.6
19.6
176
111
|
18.0
18.0
160
112
|
24.8
24.8
219
113
|
13,1
13.1
115
114
|
9,9
9.9
100
99
|
Таблица 3. Лесистость территории, закрепленной за маслихатом
г. Семипалатинска, на территории которой имеются земли резервата, по состоянию
на год настоящего лесоустройства
Площадь, тыс. га
|
№
п/п
|
Административный район |
Общая площадь района по данным земельного баланса |
Перечень лесовладельцев в границах района |
Наличие земель
лесного фонда,
находящихся в ведении
государственных органов
|
% лесистости |
| Комитет лесного и охотничьего хозяйства |
итого |
| 1 |
2 |
3 |
4 |
5 |
6 |
7 |
| 1. |
г.Семипалатинск |
2730600 |
Семипалатинский филиал
ГУ ГЛПР
«Семей орманы»
Жарминский
филиал ГУ
ГЛПР«Семей орманы»
|
105688
69696
1286
106974
70982
|
105688
69696
1286
106974
70982
|
2.6 |
Таблица 4. Структура лесов филиала Площадь, га
|
№
п/п
|
Наименование |
Общая площадь, га |
В том числе по лесничествам |
Перечень кварталов |
|
1
1).
|
Общая площадь лесов, всего
из них: все равнинные
|
105688
105688
20248
19611
18000
24769
13134
9926
|
Краснокордонское Пригородное Батпаевское
Каштакское
Талицкое
Иртышское
|
1-181
1-176
1-160
1-219
1-115
1-100
|
2.3 Охрана труда и техника
безопасности
Изучение
и решение проблем, связанных с обеспечением здоровых и безопасных условий, в
которых протекает труд человека - одна из наиболее важных задач в разработке новых технологий и систем производства. Изучение и выявление
возможных причин производственных несчастных случаев, профессиональных
заболеваний, аварий, взрывов, пожаров, и разработка мероприятий и требований,
направленных на устранение этих причин позволяют создать безопасные и
благоприятные условия для труда человека. Комфортные и безопасные условия труда
- один из основных факторов влияющих на производительность и безопасность
труда, здоровье работников. И по этому я неслучайно темой своей работы выбрал
охрану труда, и особенно такой категории населения, как женщины,
несовершеннолетние и лица с пониженной трудоспособностью, так как в период
нынешнего социального кризиса эта часть населения является наиболее уязвимой и
нуждается в особой защите, в том числе и в области трудовых правоотношений.
Конституция
Республики
Казахстан в качестве одного
из основных прав граждан закрепила право на охрану здоровья. Естественным
производным из этого является и право работника на здоровые и безопасные
условия труда, которые также в качестве отдельного принципа и в форме субъективного
права закреплены в Конституции.
Охрана
труда - система обеспечения безопасности жизни и здоровья работников в процессе
трудовой деятельности, включающая правовые, социально-экономические, организационно-технические,
санитарно-гигиенические, лечебно-профилактические, реабилитационные и иные
мероприятия. Выраженные в правовой форме и в первую. очередь закрепленные в
трудовом законодательстве, все эти нормы образуют важнейший. правовой институт особенной
части трудового права, хотя, конечно, нельзя при этом не учитывать, что под
охраной труда в широком смысле слова следует понимать все трудовое право, поскольку
все его нормы направлены на защиту интересов всех работающих. В узком смысле
слова под охраной труда понимается правовой институт трудового права, объединяющий
нормы, непосредственно направленные на обеспечение условий труда, безопасных
для жизни и здоровья работников. Он включает следующие группы норм
(подинституты): - правила по технике безопасности и производственной санитарии;
- специальные нормы охраны труда лиц, работающих в тяжелых, вредных и опасных производственных
условиях; - нормы по охране труда женщин, несовершеннолетних и лиц пониженной
трудоспособностью; - нормы, регулирующие деятельность органов государственного
надзора и общественного контроля, а также устанавливающие ответственность за
нарушения законодательства об охране труда.
Эти
нормы, объединенные одной целью, могут приниматься как на локальном уровне, так
и в централизованном порядке. Так, первые четыре группы должны приниматься в
централизованном порядке, чтобы установить единые стандарты вредности, тяжести
и других неблагоприятных условий в обществе и возможности их устранения и
нейтрализации, так же как и нормы, регулирующие деятельность органов надзора -
единых органов в рамках государства. Однако третья устанавливает в
централизованном порядке лишь минимум гарантий, которые могут быть повышены в
локальных актах при условии финансовых возможностей предприятий. Нормы же,
регулирующие планирование и организацию работы по охране труда, наоборот, в
большинстве случаев имеют уникальный характер, содержатся в коллективных договорах
и соглашениях. Особый характер имеют нормы, устанавливающие ответственность за нарушение
правил охраны труда. В отличие от всех других, оставляющих рассматриваемый институт
охраны труда они также входят и в институты других отраслей права, ибо санкции,
предусмотренные за соответствующие правонарушения, содержатся не только в
трудовом, но и в административном и даже в уголовном отраслях права. С учетом
содержания норм всего этого института, а также формы источников нормативные
акты по охране труда включают: - стандарты Системы стандартов безопасности
труда (государственные, отраслевые, стандарты предприятия); - санитарные
правила, нормы и гигиенические нормативы:- правила устройства и безопасной
эксплуатации (пожарной ядерной, радиационной, лазерной, биологической,
технической, взрыво- и электробезопасности); - правила по охране труда и
инструкции по охране труда. Основы законодательства РК об охране труда впервые в
нашем законодательстве раскрыли содержание субъективного права работника на
охрану труда. Право работника на охрану труда:
Каждый
работник имеет право на охрану труда, в том числе:
а) на
рабочее место, защищенное от воздействия вредных или опасных производственных
факторов, которые могут вызвать производственную травму, профессиональное
заболевание или снижение работоспособности;
б) на
возмещение вреда, причиненного ему увечьем, профессиональным заболеванием либо иным
повреждением здоровья, связанными с исполнением им трудовых обязанностей;
в) на
получение достоверной информации от работодателя или государственных и
общественных органов о состоянии условий и охраны труда на рабочем места работника,
о существующем риске повреждения здоровья, а также о принятых мерах по его
защите от воздействия вредных или опасных производственных факторов;
г) на
отказ без каких-либо необоснованных последствий для него от выполнения работ в
случае возникновения непосредственной опасности для его жизни и здоровья до
устранения этой опасности;
д) на
обеспечение средствами коллективной и индивидуальной защиты в соответствии с
требованиями законодательных и иных нормативных актов об охране труда за счет
средств работодателя;
е) на
обучение безопасным методам и приемам труда за счет средств работодателя;
ж) на
профессиональную переподготовку за счет средств работодателя в случае
приостановки деятельности или закрытия предприятия, цеха, участка либо
ликвидации рабочего места вследствие неудовлетворительных условий труда, а
также в случае потери трудоспособности в связи с несчастным случаем на производстве
или профессиональным заболеванием;
з) на
проведение инспектирования органами государственного надзора и контроля или
общественного контроля условий и охраны труда, в том числе по запросу работника
на его рабочем месте;
и) на
обращение с жалобой в соответствующие органы государственной власти, а также в
профессиональные союзы и иные уполномоченные работниками представительные
органы в связи с неудовлетворительными условиями и охраной труда;
к) на
участие в проверке и рассмотрении вопросов, связанных с улучшением условий и
охраны труда.
Общие требования безопасности в лесных хозяйствах
К лесосечным работам при проведении рубок ухода допускаются
мужчины не моложе 18 лет прошедшие медицинское освидетельствование инструктаж
на рабочем месте и стажировку. Рабочие должны проходить инструктажи: вводный
первичный на рабочем месте повторный внеплановый текущий. Лица, занятые управлением
механизированными средствами на рубках ухода должны иметь удостоверение на
право управления ими. Допуск к работе и закреплением лиц за определенным
механизмом или машиной оформляется приказом руководителя предприятия. На каждый
участок отведенный для рубок ухода за лесом применительно к конкретным условиям
рельефа местности состава насаждения способа рубки используемых машин
оборудования и форм организации груда составляется технологическая карта.
Технологическая карта составляется лесничим с участием мастера и утверждается
главным инженером предприятия. Проводить лесосечные работы без технологической
карты или с отступлениями от нее не разрешается.
Технологическая карта должна содержать: Характеристику
лесосеки. Схему лесосеки с четким изображением на ней пасек трелевочных волоков
просек канатных установок лесопогрузочных пунктов лесовозных усов площадок для
размещения оборудования опасных зон:
Технологические указания об очередности разработки пасек
расстановки рабочих в них и безопасные способы ведения работ: отметку о выполнении подготовительных работ с утвержденной технологической картой
мастер знакомит рабочих которым предстоит вести работы на лесосеке дает
расписаться в ней бригадиру и выдает ему технологическую, схему лесосеки
производить рубки ухода за лесом разрешается бригадами в составе не менее 2-х
человек 1 из которых назначается старшим при проведении прореживаний проходных
и выборочных санитарных рубок леса рабочие мастера и лица прибывшие на лесосеку
должны быть обеспечены защитными касками. Рабочие занятые на рубках ухода за
лесом и санитарных рубках должны работать в спецодежде и спецобуви рукавицах
которые им выдает по установленным нормам администрация предприятия а так же
обязаны пользоваться необходимыми средствами индивидуальной защиты от шума и
вибрации и другими средствами защиты.
Каждая бригада на рубках ухода за лесом должна быть
обеспечена домиком для отдыха и обогрева горячим питанием питьевой водой и
аптечкой для оказания первой медицинской помощи.
Не разрешается производить валку и трелевку леса обрубку
сучьев и раскряжевку хлыстов в горных лесосеках при скорости ветра свыше 8.5
м/с а в равнинной местности - только валку леса при скорости ветра свыше 11м/с
Лесосечная работа приукрашается во время ливневого дождя при грозе сильном
снегопаде и густом тумане.
Работа мотористов должна быть организована в соответствии с
"положением о режиме труда при работе «мотокустарезами» в котором
предусмотрена суммарное время работы в контакте с вибрациями более 2/3 рабочей
смены. При этом продолжительность одноразового непрерывного воздействия
вибрации включая микро паузы входящие в данную операцию не должна превышать для
ручных машин 30-40 мин Обед рекомендуется устанавливать не менее 60 мин и 2
регламентированных перерыва (для активного отдыха проведение производственной
гимнастики по спец комплексу и физиопрофилактических процедур): 20 мин через 2
часа после начала смены и 30 мин через 2 часа после обеденного перерыва
Машины оборудование инструмент приспособление находящиеся в
эксплуатации должны соответствовать требованиям технических условии и
инструкции по эксплуатации завода - изготовителя:
Ручные инструменты и приспособления должны отвечать следующим
требованиям. Рукоятки валочных вилок ваг окорочных лопаток и Других
инструментов должны быть: прочными гладкими и прочно соединенными с
металлическими частями. Топорище должны изготавливаться гладкими из сухой и
крепкой древесины с утолщением на конце и обязательно расклинен в проушине
топора: угол насадки должен быть: для колуна- 88 % для лесорубочных топоров -
86 % и для сучкорубных - 84%.
При нахождении места работы от места жительства на расстоянии
3 км и более и при отсутствии транспорта общего пользования доставка рабочих на
работу и обратно должна производиться средствами за счет предприятия на
специально оборудованном для этой цели технически исправном транспорте и в
соответствии с установленными правилами перевозки людей Перевозка людей на
непредназначенном для этих целей транспорте запрещается.
Переправа людей через реки озера и др. водные преграды должна
производиться на спец самоходных судах или оборудованных для этой цели лодках
паромах с соблюдением установленных правил перевозки. На переправах в лодках с
моторным и весельным ходом обязательно должен присутствовать дежурный лодочник.
Лодки должны иметь спасательные леер и следующий инвентарь: спасательные круги
или шары Суслова с подъемной силой не менее 0,14 кН по числу людей указанному в
грузоподъемности лодки 1 м спасательный шнур Александрова 1 запасное висло 1
черпак для отлива воды 1 фонарь 1 богор и 1 шест с металлическим наконечником.
Максимальное допустимое число людей при разных осадках лодки должно быть
обозначено цифрами ватер линией.
Гребные и моторные лодки разрешается загружать так чтобы
высота сухого борта в самой пониженной части его была не менее 20 см при штиле
и тихом ветре. При наличии волн на водной поверхности норма загрузки лодки
должна быть уменьшена с таким расчетом что бы высота сухого борта была не менее
40 см. Ватер линии отмечающие высоту сухого борта 20 и 40 см должны быть
нанесены несмываемой краской Перегрузки лодок не допускаются. Переправа на
участках рек с захламленным руслом при интенсивном движении малевой древесины
шуги ледоходе при скорости ветра свыше 8,5 м/с и густом тумане не разрешается.
О каждом случае травмирования пострадавши или очевидец
немедленно извещает мастера или другого непосредственного руководителя работ
который обязан: срочно организовать первую помощь пострадавшему и его доставку
в мед сан часть или другое лечебное учреждение сообщить лесничему или другому
руководителю о происшедшем несчастном случае сохранить до расследования
обстановку на рабочем месте и состояние оборудования такими какими они были в
момент пришествия (если это не угрожает жизни и здоровью работников не приведет
к аварии). Руководитель подразделения, где произошел несчастный случай, обязан
немедленно сообщить о несчастном случае руководителю и профсоюзному комитету
предприятия
Все рабочие должны знать приемы оказания первой доврачебной
медицинской помощи. Все рабочие обязаны выполнить установленные на предприятии
правила внутреннего трудового распорядка. Курить разрешается только в спец
местах. В местах проведения работ запрещается нахождения лиц в нетрезвом
состоянии и распитие спиртных напитков. Лица виновные в нарушении, настоящей
инструкции несут административное и дисциплинарное ответственность, если их
действия не влекут уголовной ответственности. Не выполнение требовании
инструкции не может быть оправдана их незнанием. Тракторы и др. машины работающие
на рубку ухода должны иметь огнетушители и противопожарный инвентарь. Тракторы
работающие в лесу должны быть оборудованы искрогасителями установленными на
выхлопную трубу заправка тракторов и др. машин должна производиться
механизированными заправочными средствами. В холодное время года запрещается
подогревать смазку в двигателе и в картере ведущих мостов открытым огнем.
Заправка автомобилей тракторов с тележками в крове которых
находятся легковоспламеняющиеся материалы а так же автомобили и автобусы в
кузове которых находятся люди не разрешается. Во время грозы и ее приближения
все сливоналивные операции со светлыми нефтепродуктами а так же заправка машин
должны быть прекращены. При необходимости проведения ремонта машин в полевых
условиях с применением электрогазосварки сборочные узлы должны быть прекращены.
При необходимости проведения ремонта машин в полевых условиях с применением
электрогазосварки сборочные узлы должны быть предварительно Очищены и промыты
водой. Операции связанные с мойкой очисткой техническим обслуживанием и
ремонтом машин и оборудования должны выполняться при неработающем двигателе.
При работе в лесу необходимо соблюдать общие правила пожарной безопасности по
разведению костров. Для обеспечения пожаро- и взрывобезопасности не допускается:
курение во время заправки: хранение ГСМ в кабине трактора: работать в одежде
пропитанной горючими материалами: течь горючего в баках топливо проводах и их
соединениях. Обтирочный материал хранить только в железных ящиках в закрытых
сплошной крышкой. Временные стоянки трактора с машинами в полевых условиях
должны быть очищены от сухой травы спаханы кругом полосой шириной 1 м и должны
находиться от складов материалов стогов сена лесных насаждений не ближе 20 м.
Не допускать к эксплуатации трактора и механизмы не отвечающие требованиям
безопасности и производственной санитарии. Не допускать к эксплуатации
переоборудованного и вновь изготовленные в порядке рационализации машины
механизмы и приспособления без предварительных их испытаний официальной комиссией
с участием технического инспектора труда ЦК профсоюза. Машины оборудование
механизированный инструмент должен иметь паспорт и руководство по эксплуатации
которую требуется соблюдать в процессе работы. Цветовая сигнальная окраска
машин оборудования а так же знаки безопасности должны соответствовать
требованиям ГОСТ 12 4 026- 76.
Движущиеся и вращающиеся части машин соединительные муфты
выступающей гайки болты шпонки и др. элементы движущихся и вращающихся частей
машин и оборудования с которыми возможно соприкосновение обслуживающего
персонала должны быть закрыты достаточно прочными кожухами или иметь сплошные
или сетчатые ограждения плотно прикрепленные к станине или др. неподвижной
части оборудования Зубчатые передачи не заключенные в спец коробки и не
находящиеся в нутрии оборудования должны быть закрыты со всех сторон горизонтальные вертикальные и
наклонные приводные ремни канатной и цепные передачи атак же ведущей части их
должны быть ограждены со всех сторон и по всей длине не зависимо от высоты расположения
и скорости движения
2.4 Охрана лесов
Основная задача охраны лесов на
территории планируемого природного парка - это профилактика вспышек массовых
вредителей и болезней, способных вызвать гибель лесной растительности, резкое
падение прироста, снижение деловых качеств древесины или семенной
продуктивности древостоев.
Профилактические мероприятия планируются
осуществлять посредством проведения лесохозяйственных, агротехнических и других
работ, которые выполняются в соответствии с «Санитарными правилами в лесах
Республики Казахстан» и других нормативных документов по лесозащите.
В тех случаях, когда профилактические
мероприятия оказались недостаточными, проводятся биологические, химические и
другие виды борьбы с вредителями и болезнями.
Лесопатологическое состояние лесов на
территории планируемого парка удовлетворительное. Очагов массового размножения
вредителей и болезней на осень 2000 г. выявлено не было. Образование сухостоя
мало связано с деятельностью вредителей и болезней, его количество в насаждениях,
не страдавших от пожаров, не превышает допустимых величин естественного отпада.
Острые массовые заболевания растений (эпифитотии) отсутствуют, а хронические
болезни (энфитотии) представлены лишь в небольших отдельных участках пихтовых
лесов (корневая губка).
Основную опасность на территории
природного резервата могут представлять следующие вредители леса: сибирский
коконопряд, непарный шелкопряд, боярышница.
Семена деревьев уничтожают следующие вредители:
пихтовый семяед, шишковая огневка, лиственничная муха.
Надзор за вредителями и болезнями леса
планируется установить на основе рекомендаций на постоянной основе, особенно за
хвоелистогрызущими, стволовыми вредителями и болезнями леса.
Меры борьбы с болезнями стволов и
корней, т.е. грибами дерево разрушителей будут сводиться к выполнению
санитарного минимума путем проведения соответствующих лесохозяйственных
мероприятий: удаление валежа, окорка пней, создание смешанных насаждений из
лиственничных и хвойных пород.
Таблица 5. Проектируемые лесозащитные
мероприятия
|
№
|
Наименование
мероприятий |
Ежегодный
объем |
|
1
2
3
4
5
6
|
Текущее
лесопатологическое обследование (тыс. га)
Почвенные
раскопки (ям)
Профилактическая
обработка питомника (га)
Привлечение
птиц путем развешивания искусственных гнездовий (шт.)
Огораживание
муравейников (шт.)
Создание
учетных площадок для детального надзора за
вредителями
и болезнями леса (шт.)
|
50
120
10.0
100
50
5
|
Учитывая, что в лесах филиала преобладают сосновые насаждения
на сухих песчаных почвах и климатические условия характеризуются высокой
температурой воздуха в летние месяцы, низкой относительной влажностью и
небольшим количеством атмосферных осадков, 89% территории филиала относится к 1
классу природной пожарной опасности. Квартала с преобладанием лиственных
насаждений отнесены к 4 классу природной пожарной опасности (11%). Все
мероприятия по предупреждению возникновения и ограничению распространения
лесных пожаров.
Таблица 6. Распределение площади филиала по классам природной
пожарной опасности (площадь, га)
| Лесничество |
Классы природной пожарной опасности |
Итого |
Средний класс |
|
|
1 |
2 |
3 |
4 |
5 |
|
| 1 |
2 |
3 |
4 |
5 |
6 |
7 |
8 |
| 1. Краснокордонское |
20037 |
- |
-
|
211 |
|
20248 |
1.0 |
| 2. Пригородное |
18491 |
- |
-
|
1120 |
-
|
19611 |
1,2 |
| 3. Батпаевское |
18000 |
- |
-
|
- |
-
|
18000 |
1,0 |
| 4. Каштакское |
24393 |
- |
-
|
376 |
-
|
24769 |
1,0 |
| 5. Талицкое |
13082 |
- |
-
|
52 |
-
|
13134 |
1,0 |
| 6. Иртышское |
- |
- |
-
|
9926 |
|
9926 |
4.0 |
| Итого по филиалу: |
94003 |
1 - |
-
|
11685 |
-
|
105688 |
1,1 |
Все объемы и виды противопожарных мероприятий назначены
согласно постановления Правительства Республики Казахстан от 19 января 2004
года № 53 «Нормы и нормативы по охране, защите и воспроизводству лесов и
лесоразведению на участках государственного лесного фонда». «Правил пожарной
безопасности в лесах Республики Казахстан», (Приказа Комитета лесного и
охотничьего хозяйства от 13 декабря 2004 года № 268). «Нормативов
материально-технического обеспечения на противопожарные мероприятия в
Республике Казахстан» (Алматы. 1993) и наличия техники и противопожарного
оборудования. Объемы объектов строительства и приобретения основных видов противопожарной
техники и оборудования, были согласованы на втором техническом совещании.
Строительство дорог проектируется на противопожарных
разрывах, которые не разрублены в настоящее время. Объем устройства
минерализованных полос проектируется на противопожарных разрывах, которые
требуют разрубки и расчистки. Предусматривается устройство их двойными
полосами (с каждой стороны дороги). Кроме того, устройство мин-полос требуется
на полосах, разделяющих хвойные молодняки на блоки.
Объем ухода за минполосами состоит из 2-х кратной
протяженности всех противопожарных разрывов, как существующих, так и требующих
разрубки и расчистки, 2-х кратной протяженности основных дорог, проходящих
через леса протяженности противопожарных разрывов в хвойных молодняках протяженности
внешней границы леса.
Для устройства противопожарных разрывов, ухода за ними,
разрубке квартальных просек, устройству дорог, необходимо приобретение
гусеничных тракторов (по одному на каждое лесничество).
Из средств связи количество приобретения переносных
радиостанций «KENWOOD» взято из расчета по одной на
лесничего, помощника лесничего и мастера леса: количество автомобильных
радиостанций - из расчета одна на пожарной автомашине и одна на машине
лесничего.
Остальные виды приобретений проектируются в объеме,
необходимом для докомплектации пожарно-химических станций оборудованием и
инвентарем, согласно утвержденным приказом Комитета лесного хозяйства 02.08.96 «Положение
о пожарно-химических станциях».
Противопожарная безопасность в лесу
Лесные пожары наносят народному хозяйству громадный и
разнообразный ущерб. От них страдают, а нередко и гибнут леса, заготовленная
древесина, постройки в лесу. Поврежденные пожаром древостой снижают прирост, в
них распространяются вредители и грибные болезни. Гари превращаются в очаг
заразы для соседних участков здорового леса. Таким образом, после пожаров
усыхают не только поврежденные огнем древостой, но и здоровые деревья, растущие
по соседству.
Кроме того, при пожарах сгорает подрост и подстилка. Условия
лесовозобновления ухудшаются и нередко приводят к смене пород. Так, на месте
сгоревшего елово-пихтового леса появляется самосев березы и осины. Хвойные
породы заселяют выгоревшую площадь только через много лет, уже под подогом
лиственных.
Под влиянием огня минеральный слой почвы уплотняется, образуя
непроницаемую для воды и воздуха корку. Отмершие корни усохших деревьев не
высасывают воду из нижних слоев почвы, в результате чего происходит
заболачивание всей площади гари.
Лесные пожары уничтожают или разгоняют промысловых зверей и
птиц, лишая государство ценной пушнины. В лесах водоохранного значения пожары
нарушают водный режим местности, способствуют обмелению рек, размыву берегов и
ухудшению речного судоходства. Наконец, пожары уничтожают запасы травы, сена, торфа,
снижают урожай ягод, грибов.
Громадные убытки наносят лесные пожары и сельскому хозяйству,
в результате которых гибнет урожай сельскохозяйственных культур.
Лесные пожары возникают от неосторожного обращения с огнем и
несоблюдения правил пожарной безопасности в лесу. Непогашенный костер,
оставленный лесорубами, пастухами, сборщиками ягод или случайными прохожими,
брошенная спичка или окурок, охотничьи пыжи из пакли, бумаги или других тлеющих
материалов — все это может послужить причиной пожара. Кроме того, пожары
возникают от искр паровозов, тепловозов, проходящих через лесные массивы без
искроуловителей на трубах, от тракторов, автомобилей и другой техники. Причиной
пожара нередко служит несоблюдение правил пожарной безопасности при дегтекурении,
углежжении и некоторых других работах. Много лесных пожаров возникает при
выжигании леса и старой травы на предназначенных для сенокошения участках, при
пуске сельскохозяйственных палов. Наконец, пожары могут возникать и от
природных причин - молний и самовозгорания слежавшегося покрова, что случается
сравнительно редко.
Большинство лесных пожаров возникает по вине человека. Для их
предупреждения необходимо проводить профилактические мероприятия.
Лесные пожары возникают чаще всего весной (в мае), когда
подсохший прошлогодний травяной покров не успел зарасти свежей растительностью,
а также осенью (в августе - сентябре) до наступления осенних дождей, когда
травиной покров, выросший в текущем году, высыхает. Время наибольшей горимости
лесов меняется, в зависимости от погоды места и других условии. При
продолжительной жаркой и сухой погоде пожары могут возникать в течение всего
лета, независимо от наличия сухого травяного покрова, так как в лесу всегда
много горючего материала.
Наибольшая
пожарная опасность возникает при захламленности лесов и плохой очистке вырубок
от порубочных остатков валежа и хлама.
Лесные пожары бывают трех видов: низовой, верховой и
подземный. Низовые пожары подразделяют на беглые и устойчивые. При низовом
пожаре огонь движется по поверхности почвы и сжигает лесную подстилку, траву,
мелкие сучья, шишки, валежник и подрост, обжигает комлевые части стволов у
деревьев. Хвойные породы с тонкой корой (ель и пихта) повреждаются таким
пожаром больше, чем породы с толстой корой (сосна и лиственница).
Более опасными считаются медленно движущиеся устойчивые
низовые пожары. Они обычно развиваются в середине лета, когда сильно просыхает
подстилка. При них глубоко прогорает подстилка, сильнее повреждаются живые
деревья, полностью сгорает подрост, подлесок. Дым от низового пожара
светло-серого цвета.
При верховом пожаре огонь распространяется по кронам
деревьев, при этом горят стволы, ветви и хвоя; нехры и головешки ветер относит
далеко вперед, создавая новые очаги пожара. Скорость движения огня достигает
3-5 км/ч, а при ураганном ветре - 20 км/ч и более. Дым от верхового пожара
темно-серого цвета.
При подземном (торфяном, почвенном) пожаре горит перегной и
торф. Пожар проникает на глубину всего торфяного слоя или доходит только до его
мокрой части. В сторону, он распространяется медленно, всего несколько метров в
сутки, причем огонь часто даже не выходит на поверхность. По мере выгорания
торфа сгорает и корневая система деревьев, которые постепенно вываливаются
вершиной к центру очага горения. Такие пожары создают сильную захламленность и
увеличивают пожароопасность. Дым от подземного пожара едкий, с сильным запахом
торфа. Число подземных пожаров составляет 0,5—1%, а их площадь — менее 1%.
Хвойные леса более пожароопасны, чем лиственные, причем в
сосновых древостоях чаще возникают беглые пожары. Развиваясь, пожары
приобретают определенную форму. При равномерном распространении огня в
безветренную погоду на ровной местности форма пожара округлая. Неравномерная
(разносторонняя) форма наблюдается при переменном ветре, пересеченной
местности, разнородных горючих материалах; эллиптическая (вытянутая) — при
одностороннем ветре на ровной местности.
Противопожарные мероприятия. Все мероприятия по борьбе с лесными
пожарами подразделяют на две группы: предупредительные и мероприятия
непосредственной борьбы, или ликвидация пожаров. Наибольшее значение имеют
предупредительные мероприятия, так как сохранить лес от пожара гораздо легче,
чем потушить его. Цель предупредительных мероприятий создать такие условии, при
которых лесные пожары совсем бы не возникали.
В предупредительные мероприятия входят: противопожарная
техническая пропаганда; очистка лесосек и борьба с захламленностью леса;
устройство противопожарных разрывов, защитных полос и канав;
профилактические мероприятия по горельникам, лесным,
автомобильным и железным дорогам, на лесокультурных работах, лесоразработках,
расположенных в лесу предприятиях и сооружениях; дозорно-сторожевая
противопожарная служба и метеослужба; авиапатрулирование и наземное патрулирование.
Противопожарные мероприятия проводят повсеместно и особенно
среди населения, работающего и отдыхающего в лесу. Формами пропаганды являются:
беседы, лекции, доклады; радио: и телепередачи, статьи в газетах и журналах;,
лозунги, плакаты, аншлаги, листовки, брошюры; демонстрация специальных
кинофильмов; организация уголков леса, лесных музеев, кружков друзей леса,
проведение дней леса, дней птиц, экскурсий по лесу; предупреждения с помощью
мегафонов и звукоусилительных аппаратов; организация добровольных пожарных
бригад и команд, проведение учебных занятий по борьбе с пожарами и т. д.
Основные темы пропаганды: значение леса в народном хозяйстве
и необходимость его охраны; меры предупреждения лесных пожаров и формы участия
населения а борьбе с ними; тактика и техника борьбы с лесными пожарами и т. д.
Особое, внимание обращают на работу с охотниками,
рыболовами,. пастухами, геологоразведчиками, путевыми обходчиками, лесными
рабочими, пионерами и школьниками, а также населением, отдыхающим в лесу.
Большое значение имеет устройство специальных мест для отдыха
и курения в лесу и вдоль лесных дорог, где на площадках (3X3 м), очищенных от
дернового слоя, устанавливают скамейки, столики, навесы.
Соблюдение пожарной безопасности в лесу
В пожароопасный сезон запрещается: разводить костры в хвойных
молодняках, старых горельниках, в ветровальном и буреломном лесу, на торфяниках
и неочищенных вырубках, в
местах с сухой травой, под кронами деревьев; а остальных местах допускается
разведение костров на плошадках, окаймленных минерализованной полосой шириной
не менее 0,5 м; ненужный костер должен быть тщательно засыпан землей или залит водой
до полного прекращения тления; бросать в лесу
горящие спички, окурки; употреблять при охоте в лесу пыжи из
легковоспламеняющихся или тлеющих материалов; заправлять горючим топливные баки при работающем двигателе, работать на
машинах с неисправной системой питания, курить или пользоваться открытым огнем
вблизи машин, заправляемых горючим.
Организации, работающие в лесу, обязаны:
очищать места работ от лесного хлама и оставшейся древесины;
хранить топливо-смазочные материалы в закрытой таре на
площадках, окаймленных минерализованной полосой шириной не менее 1,4м; уведомлять лесхозы о местах и времени проведения корчевки
пней взрывным методом; иметь в местах работ противопожарное
оборудование и средства для тушения лесных пожаров; создавать в пожароопасный сезон пожарные дружины, проводить
инструктаж с работающими о соблюдении правил пожарной безопасности в лесах и способах
тушения пожаров.
Противопожарные разрывы — это специально созданные просеки с
минерализованными защитными полосами. Разрывы делятся на магистральные шириной
30—50 м, барьерные шириной 6—10 м и квартальные просеки шириной 4—6 м с
опаханном дорогой или минерализованной полосой посередине. Они препятствуют
продвижению огня, служат исходным пунктом для пуска встречного огня,
производства отжигов и являются трассой для создания дорог. Цель
противопожарных разрывов — разделить, крупные пожароопасные участки леса на более
мелкие.
Разрывы должны соединяться с противопожарными барьерами
(реками, лиственными лесными, массивами), создавая изолированные лесные участки
небольших размеров. Разрывы очищают от лесного хлама, на них проводят 1—2
минерализованные полосы шириной 4-5 м или прокладывают дорогу с охранными
опаханными полосами шириной 1—3 м.
2.5 Народнохозяйственное значение
сосны обыкновенной
Сосновый бор имеет
большое санитарное и культурное значение именно среди соснового бора расположен
областной противотуберкулезный диспансер, так как лес освежает и очищает
воздух, насыщает его азоном, выделяет фотоциды, убивающие вредные
микроорганизмы, задерживает развитие носителей инфекции, предупреждая
распространение инфекционных заболеваний.
Значение леса
в народном хозяйстве огромно. Нет такой отрасли промышленности, где бы не
применялась в том, или ином виде лесная продукция. Лес необходим для
строительства промышленных объектов, электростанции, железных дорог, для
жилищного и культурного строительства.
Сок,
извлекаемый из сосновой хвои, служит исходным материалом для получения
каротиновой пасты, обладающей многими лечебными свойствами.
При
сбраживании древесины получают кормовые дрожи - прекрасный белковый корм,
позволяющий увеличить продуктивность производства свинины, птичьего мяса, яиц.
Лес также играет
значительную роль в борьбе с ветровой эрозией почвы. В прилегающих к бору
степных районах он, ослабевая силу ветра, снижает интенсивность испарения
влаги, что важно для сельскохозяйственных растений, а зимой способствует
накоплению воды в виде снега.
Ленточный
бор признан почвозащиточным и отнесен к лесам первой группы. Много видов
животных и растений нашли приют под раскидистыми ветвями его сосен.
Сосны
способствуют не заболачиванию почвы. А пожары наоборот этому способствуют.
Огонь уничтожает лесную подстилку, что приводит к уплотнению верхних слоев
почвы, которая часто становится малопроницаемой для воды и воздуха. В связи с
уничтожением огнем древостоев, испаряющих воду из нижних слоев почвы, уровень
грунтовых вод повышаются и почвы заболачиваются.
Лес – настоящий шедевр природы, дарящий ни с чем несравнимое
наслаждение. Существует это уникальное природное явление ещё со времён, когда
только сошел ледник с земель Прииртышья. Кроме того, наш ленточный бор – это
большая редкость, редкостное явление природы. Трудно переоценить
народнохозяйственное, эстетическое, санитарно-гигиеническое и рекреационное
значение сосны и образуемых сосновых насаждений. Все части дерева сосны,
начиная от почек, хвои и кончая пней и корнями, являются весьма ценным сырьем
для деревообрабатывающей, целлюлозно-бумажной, лесохимической, медицинской и
других отраслей промышленности. В табл. 7 приведены данные, характеризующие
продуктивность различных частей сосновых древостоев.
Как видно из таблицы, основную массу дерева составляет ствол,
который состоит из органических веществ, в состав которых входят углерод,
водород, кислород, азот и другие химические и минеральные вещества. Содержание
этих элементов у разных древесных пород почти одинаковое.
Таблица 7. Соотношение, % к абсолютно сухой массе, различных частей
сосновых древостоев разного возраста
| Часть дерева |
Возраст, лет |
| 20 |
40 |
60 |
80 |
100 |
120 |
140 |
160 |
| Ствол с корой |
53,7 |
66,7 |
70,4 |
69,6 |
68,9 |
70,5 |
69,6 |
69,2 |
|
Ветки:
Крупные
Мелкие
|
4,9
12,3
|
5,2
6,7
|
6,2
3,9
|
7,4
2,5
|
8,7
1,9
|
7,2
1,5
|
6,9
1,9
|
7,1
2,1
|
|
Корни:
Крупные
Мелкие
|
28,7
0,4
|
19,5
1,9
|
16,7
2,8
|
17,2
3,3
|
16,8
3,7
|
15,8
5,0
|
15,9
5,7
|
15,4
6,2
|
| И т о г о |
100 |
100 |
100 |
100 |
100 |
100 |
100 |
100 |
Таблица 8. Химический состав древесины, % от абсолютно сухой
массы
| Порода |
Углерод |
Водород |
Кислород |
Азот |
Зола |
|
Сосна
Береза
Дуб
Ель
|
51,40
48,90
50,14
50,36
|
6,08
6,06
6,00
6,20
|
42,18
44,75
43,26
43,15
|
0,18
0,12
0,30
0,06
|
0,16
0,17
0,30
0,23
|
Древесина у сосны блестящая, мягкая, смолистая, плохо
поддается гнутью, легко колется. Заболонь широкая, желтовато-белая, ядро
буровато-красного цвета. Годичные слои ясные; поздняя древесина довольно резко
отличается от ранней; смоляные ходы многочисленные, довольно крупные.
Сердцевинные лучи, многочисленные, высотой до 0,5 мм.
Качество древесины сосны, заготовляемой в различных
природно-географических районах, неодинаково. Так, в северных районах сосна
обычно обладает более высокими техническими качествами, чем сосна,
произрастающая, в других районах. В пределах каждого района технические
свойства древесины зависят от условий произрастания. Известно, что сосна
выросшая на боровых, хорошо дренированных песчаных почвах, отличается
желтовато-красным цветом, мелкослойностью, обладает наиболее плотной и
смолистой древесиной. Сосна, растущая на влажных и богатых почвах, имеет
древесину более рыхлую, крупнослойную, менее смолистую и менее прочную.
Установлено, что с увеличением содержания поздней древесины
физико-механические свойства древесины сосны улучшаются. Наиболее
высококачественная древесина расположена в комлевой части первого бревна.
При оценке качества древесины, помимо физико-механических
свойств, учитываются ее пороки. К основным сортообразующим порокам относятся
сучья, гниль, кривизна и трещины. В стандартах определены требования в
отношении допускаемых размеров порока в том или ином сорте каждого сортимента.
Различные лесохозяйственные мероприятия, проводимые в
процессе создания и выращивания сосновых лесов, оказывают большое влияние на
качество выращиваемой древесины. Более густые насаждения отличаются меньшей
сучковатостью, более высокими коэффициентами формы ствола. На сучковатость
сосны влияет также состав древостоя. Так, примесь березы часто способствует
увеличению сучковатости сосны. Если ставится задача выращивать сосну для
получения древесины высокого качества, то примесь березы нежелательна.
Однако при решении таких вопросов, как выбор густоты
древостоев, их состава на разных этапах роста и развития и т. д., необходимо
учитывать не только количество выращиваемой древесины, но и целый ряд других моментов:
стоимость выращивания, последующую потребность в проведении рубок ухода,
выполнение водоохраннозащитных функций насаждениями разного состава и др.
Сосновые леса характеризуются высоким выходом основных ассортиментов (табл.).
Таблица 9. Выход, %, ведущих ассортиментов из сосновой
древесины
| № |
Ассортимент |
Выход |
| 1 |
Пиловочник |
44 |
| 2 |
Строительные бревна |
25 |
| 3 |
Рудстройка |
15 |
| 4 |
Итого деловой древесины |
83 |
Благодаря высоким свойствам и качеству древесина сосны
применяется в промышленном, жилищном, сельскохозяйственном и железнодорожном
строительстве; весьма широко она используется в каменноугольной, горнорудной и
нефтяной промышленности, мосто-, судо-, вагоностроении, а также в
сельскохозяйственном машиностроении, широко применяется в мебельной промышленности,
а также для изготовления тары и фанеры. В процессе лесозаготовок из ствола
сосны заготовляют следующие основные ассортименты: пиловочник, строительные
бревна, рудничную стойку, подтоварник, жерди, шпальные и судостроительные
кряжи, бревна гидростроительные и для столбов, фанерные кряжи, балансы.
Спрос на ассортименты, заготовляемые в сосновых лесах,
ежегодно возрастает. Поэтому почти во всех районах страны расчетная лесосека но
сосновому хозяйству осваивается полностью.
Пни сосновые спустя 10—15 лет после рубки древостоев
используются для заготовки пневого осмола — цепного сырья для получения
смолистых веществ в смоло-скипидарном производстве. Заготовка пневого осмола
осуществляется с помощью корчевальных машин или взрывным способом.
Учитывая, что осмол заготовляют на старых вырубках, где
обычно возникают сосновые молодняки, необходимо принимать меры к сохранению
последних. При использовании корчевальных машин на вырубках повреждается больше
молодняка, чем при взрывном способе. Для вывозки осмола в целях большей
сохранности молодняка волоки следует прокладывать по старым лесовозным дорогам,
просекам, прогалинам. Несмотря на принимаемые меры по сохранению молодняка, его
в процессе смолозаготовок погибает очень много. Для устранения нежелательных
последствий при смолозаготовках необходимо усилить исследования по
использованию свежих пней в качестве осмола, а также по повышению смолистости
древесины сосны при смолоподсочке.
При проведении рубок главного и промежуточного пользования,
кроме ствола и пней, все шире используется на переработку другой компонент
дерева — крона, особенно ее зеленая часть — хвоя. В клетках хвои содержатся
многочисленные необходимые человеку и животным биологически активные вещества —
витамины, хлорофилл, микроэлементы и др. Из хвои делают экстракт для ванн.
Путем механической и химической переработки из хвои получают витаминную муку,
хлорофилло-каротиновую пасту, эфирные масла. Важным лекарственным сырьем
являются сосновые почки и весенние побеги. Сосновые почки собирают ранней весной
в момент их набухания, когда верхние чешуйки замкнуты и почки еще не
раскрылись. В почках содержатся эфирные масла смолы, дубильные вещества.
Сучья сосны, которые составляют около 10— 15 % общего запаса
древостоя, используются для изготовления технологической щепы. Щепа применяется
в целлюлозно-бумажной промышленности, для производства древесностружечных и
древесноволокнистых плит, строительных блоков, пластиков и т. д.
Велико значение сосны для защиты почвы от эрозии, улучшения
климатических условий и водного режима территории. Она широко применяется при
создании полезащитных полос, укреплении подвижных песков, облесении берегов рек
и овражно-балочных систем; ее используют для озеленения городов, рабочих
поселков. В сосновых лесах заготавливается большое количество грибов, ягод и
очень важного лесохимического сырья — живицы,
Недревесные продукты сосновых насаждений
Сосновый бор дает ценный продукт не только в результате рубки
древостоев, но и в процессе их жизнедеятельности. Основным и наиболее важным
продуктом прижизненного использования сосновых лесов является живица. Свежая,
вытекающая из сосны живица представляет собой светлую (почти бесцветную) вязкую
жидкость. Она состоит из практически нелетучих кристаллических смоляных кислот
(канифоли) и летучих терпентинных углеводородов (скипидара). На воздухе живица
быстро мутнеет, становится непрозрачной и более вязкой, засоряется кусочками
коры, хвои и древесины (механические примеси), а также водой от дождя и рос. Живица
содержит около 75% канифоли, 18—20% терпентинных углеводородов (скипидара),
5—7% воды и до 1% различных механических примесей.
Трудно назвать отрасль промышленности, где бы не
использовались продукты переработки живицы. Сосновая живица в переработанном
виде используется для приготовления некоторых лекарств в фармацевтической
промышленности, а также для приготовления типографских красок и литографических
чернил, мастик и лыжных мазей.
Основной продукт живицы — канифоль — применяется в
целлюлозно-бумажной, лакокрасочной, химической, электротехнической и
мыловаренной промышленности. Следует подчеркнуть, что канифоль в названных
отраслях промышленности, кроме мыловаренной, не имеет равноценных заменителей.
Канифоль используется также для приготовления ценного препарата — креолина,
широко применяемого в ветеринарии.
Из растущей сосны живицу добывают путем нанесения
систематических надрезов, так называемых вздымок, или подновок, на стволе
дерева в вегетационный период (апрель — сентябрь). Подновки наносят для
возобновления выхода живицы. Живица, вытекающая при подсочке сосны, находится в
особых каналах смоляных ходах, которые расположены в древесине, хвое, первичной
коре. Для подсочки имеют значение лишь смоляные ходы, расположенные в заболони
древесины. Живица образуется в выстилающих смоляной ход клетках, откуда она с
силой выдавливается в полость смоляного канала. По мере заполнения канала
смоляного хода выстилающие клетки сжимаются, создавая давление на находящуюся в
канале живицу. При нанесении подновок живица вытекает из смоляного хода, а
затем вновь образуемая живица опять заполняет смоляные ходы.
3. Собственные исследования
3.1 Цель и задачи исследования
Данная дипломная работа посвящена особенностям сбора, обработки и хранения шишек и семян
сосны обыкновенной в Семипалатинском филиале ГУ ГЛПР «Семей орманы».
Основной целью выполнения дипломной работы явилось изучение шишек и семян сосны
обыкновенной и особенностей их сбор и обработка.
Для достижения поставленной цели предусматривалось решение
следующих задач:
-
изучение методов и приспособлений сбора шишек и семян сосны обыкновенной;
-
изучение методов переработки шишек и семян
-
способов извлечения семян из шишек применяемые в ГУ ГЛПР «Семей орманы»
- изучение режимов хранения шишек и семян хвойных пород;
-
изучение специальных механизмов для сбора, обработки и хранения семян и шишек.
3.2 Материал и методы исследования
Данная работа выполнялась на территории соснового бора
Прииртышья, в частности Семипалатинского филиала ГУ ГЛПР «Семей орманы» с 01
мая по 31 декабря 2007 года. Все работы проводились по общепринятым методикам и
намеченной схеме исследований.
3.3 Результаты исследования
3.3.1 Биология плодо- и семеношения сосны обыкновенной
Под
биологией плодо- и семеношения понимают все, что связано с размножением
растений с помощью семян [6,7]. Проведенные нами исследования показали, что урожай
и качество семян зависит в первую очередь от особенностей репродуктивного цикла
той или иной древесной породы. Под репродуктивным циклом обычно понимают период
времени от заложения примордиев (зачатков) генеративных почек до формирования
зрелых семян.
В ГУ
ГЛПР «Семей орманы» хвойные по продолжительности репродуктивного цикла – очень
гетерогенная группа растений. Наиболее распрастраненным для хвойных является
однолетний репродуктивный цикл, когда семяпочки закладываются летом, зимуют на
стадии спорогенной ткани, весной заканчивается микроспорогенез и происходит
опыление. За один вегетационный период успевают развиваться и созреть семена.
Сосна
обыкновенная – типичный представитель с двухгодичным репродуктивным циклом.
Макростробилы закладываются поздней осенью и семяпочки зимуют на стадии
спорогенной ткани. На следующий год – опыление, макроспорогенез и развитие
свободноядерного женского гаметофита. На этой стадии семяпочки снова зимуют.
Весной продолжается развитие женского гаметофита, архегонии оплодотворяются в
конце июня. Семена созревают к осени.
Репродуктивный
цикл у растений обусловлен генетический, но в отдельные годы даты наступления
той или иной фазы могут сдвигаться под влиянием погодных условий. У одной и той
же породы в разных географических районах сроки прохождения репродуктивного
цикла также могут меняться. У большинства древесных пород продолжительность
репродуктивного цикла тесно связана с суммой эффективных температур. Лесоводы
давно установили, что в годы с холодным летом у хвойных пород, особенно на
севере, из-за недостатка тепла зародыш не успевает сформироваться и качество
семян очень низкое.
Возмужалость
у сосны в древостое наступает после 40 лет, хотя отмечены случаи плодоношения
сосновых жердяков в возрасте 25 – 35 лет.
Плодоношение у сосны наступает сравнительно рано [6,7]. На
территории ГУ ГЛПР «Семей орманы» деревья, растущие на свободе, начинают
плодоносить с 10—15 лет. В сомкнутых древостоях плодоношение наступает а
возрасте 30—40 лет. Если деревья, растущие на свободе, плодоносят почти
ежегодно и обильно, то этого нельзя сказать о плодоношении насаждений. По
данным В, П. Тимофеева (1940), деревья сосны, относящиеся к различным классам
роста, плодоносят по-разному: I
класс—100%, III класс — 80%, IV класс — 32% от всего числа имеющихся
в составе древостоя деревьев этого класса. Деревья разных классов дают
неодинаковое количество семян. Число их резко убывает от деревьев I класса к IV. Деревья V
класса роста обычно не плодоносят. Плодоношение сосны на юге значительно чаще,
чем на севере.
Более обильное плодоношение сосны в Восточной Сибири по
сравнению с другими районами, по-видимому обусловлено благоприятным комплексом
климатических факторов, влияющих на плодоношение древесных пород (сухость
воздуха, обилие прямого солнечного освещения, чередование годов с различным
обилием осадков, благоприятное для плодоношения распределение осадков в течение
года и вегетационного периода и т. д.). Более обильное и частое плодоношение
сосны обусловлено в этом районе также сравнительно небольшой сомкнутостью
большинства древостоев, изреживание последних вызывается частыми пожарами.
Цветет сосна на юге ареала в начале мая, в средней части лесной
зоны — в конце мая — начале июня, в северной — в июне. В Сибири эти сроки
несколько сдвинуты на более поздний период. Цветение продолжается 7—10 дней.
Обычно мужские и женские цветки развиваются на одном и том же
дереве, но иногда наблюдается почти полная двудомность. Мужские цветки
появляются на 2—3 дня раньше женских, они имеют вид небольших (5—7 мм длиной)
овальных желтых или красноватых колосков, густо скученных у основания молодых
побегов. Пыльца мелкая, с двумя воздушными мешками, заключена в пыльниках
тычинок, способна разноситься на далекие расстояния (до 1 км).
Наблюдения показали, что женские цветки имеют вид красноватых
овальных шишечек длиной 5—6 мм. По 1—3 таких цветка развиваются на верхушке
растущих молодых побегов. Каждая шишечка имеет до 30—40 чешуек, оканчивающихся
острым клювовидным островком, и такое же число более мелких кроющих чешуек, в
пазухах которых находятся семенные чешуи с двумя семяпочками. Опыление
происходит весной. После опыления женские шишечки немного увеличиваются в
объеме, чешуи их срастаются, и в таком состоянии шишки перезимовывают.
Оплодотворение наступает только летом следующего года, после чего шишки
начинают расти и достигают полного развития.
Зрелые шишки в нераскрытом виде удлиненно-яйцевидные, длина
их колеблется от 2,5 до 7,6 см, ширина 2—3 см. На одном и том же дереве
наиболее крупные шишки находятся в оптимальных условиях освещения, т. е.
примерно несколько выше середины кроны. На размер шишек влияет возраст дерева —
с его увеличением величина шишек уменьшается.
На величину шишек оказывают влияние не только
фитоценотические факторы (сомкнутость и состав древостоя, его возраст и т. д.),
но и почвенно-климатические условия. В северных районах преобладают шишки
мелких размеров как по числу семенных чешуек, так и по длине шишек; по
направлению к югу размер шишек увеличивается.
Несмотря на сильную изменчивость средних величин, характеризующих
размер шишек, среднее число семенных чешуи, приходящееся на 1 мм длины шишки, остается почти постоянной величиной, равной для всего ареала сосны 3,70.
Шишки сосны варьируют по цвету. При высыхании шишек цвет их
изменяется весьма значительно. Все разнообразие шишек по цвету сведено к трем
группам: коричневые, бежевые и серые. Шишки с указанными цветами встречаются на
протяжении всего ареала сосны. Однако в южных районах, особенно в пристепных
борах, а также на южных склонах в горах Восточной Сибири чаще встречаются сосны
с коричневой окраской шишек.
3.3.2 Сбор шишек и плодов
Исследования показали, что регулярное обеспечение лесного
хозяйства семенами деревьев и кустарников с высокими посевными качествами и
ценными наследственными свойствами возможно при наличии соответствующей
постоянной лесосеменной базы и надлежащей организации работ по сбору лесосеменного
сырья, его переработке, хранению и транспортировке семян.
В настоящее время в ГУ ГЛПР «Семей орманы» ведутся большие
работы по созданию лесосеменной базы на селекционной основе путем отбора лучших
(плюсовых)" по производительности и качеству деревьев и насаждений,
закладке постоянных лесосеменных участков и лесосеменных плантаций, а также
временных лесосеменных участков в поступающих в рубку насаждениях. До создания
постоянной лесосеменной базы на селекционной основе шишки хвойных пород
заготовляют в основном на лесосеках временного пользования, а также с деревьев
по опушкам, вдоль просек, с отдельно стоящих деревьев, в придорожных и прочих
посадках.
Примерные календарные сроки созревания и сбора шишек, плодов
и семян, а также окраска зрелых шишек и плодов приводятся в главе II «Фенологические наблюдения и учет
ожидаемого урожая семян деревьев и кустарников».
В ГУ ГЛПР «Семей орманы» сбор шишек проводится с привлечением
местного населения. В основном собираются с заранее отмеченных плюсовых
деревьев. Шишки собираются с растущих деревьев, применяя различные
приспособления: длинные палки для вытряхивания, специальные крючки
секатор-резак и др. В практике других организации, имеют случаи сбора шишек и
со срубленных деревьев.
Сбор шишек и плодов с растущих деревьев
В ГУ ГЛПР «Семей орманы» используют ручной способ сбора шишек
и с использованием специальных приспособлений. Так, шишки и плоды большинства
видов деревьев и кустарников собирают вручную, обрывая их с ветвей растущих
деревьев и кустарников (стоя на земле, на лестнице или поднявшись в крону
дерева).
Для пригибания веток используют шесты с крючками на концах. Плоды,
легко отделяющиеся от ветвей кустарников, ошмыгивают руками в брезентовых
рукавицах или обивают короткими палками в корзины или на подостланные пологи.
Некрепко сидящие плоды на деревьях, если их нельзя достать руками, стряхивают с
ветвей крючками на шестах, сбивают при помощи хлыстов и тростей из гибкой,
легкой, но прочной древесины (преимущественно еловой).
Также, в филиалах используют метод отряхивания применяют
часто в безветренную погоду при сборе крылатковых плодов, опадающих сразу или
вскоре после созревания.
В лесостепных районах путем отряхивания веток собирают семена
сосны обыкновенной в период раскрывания шишек. Наблюдения показали, что сбор
семян проводят в ясную, безветренную погоду, встряхивая ветки ударами шеста;
семена опадают на разостланные под кронами пологи, изготовленные из полотна или
из другого легкого, плотного материала. Наиболее удобны пологи и брезенты
размером 5X12 м. После работы пологи просушивают, а при загрязнении стирают.
Применяют усовершенствованные пологи в виде перевернутого
зонта, укрепленного на двухколесной тачке; в центре полога — зонта имеется
отверстие, через которое плоды попадают в расположенный ниже ящик.
Наблюдения показали, что широко также используются приспособления
для съема шишек и плодов.
При сборе шишек и плодов с деревьев применяют также различные съемные
приспособления с ручным или механическим приводом. В первом случае они состоят
из рабочей головки и деревянного шеста, или легкой трубчатой металлической
штанги, или короткой рукоятки (при сборе шишек и плодов с низко расположенных или притянутых
крючками ветвей). В съемных приспособлениях с механическим приводом
используется электродвигатель постоянного тока мощностью в 500 Вт или
бензиновый двигатель и валик внутри штанги, обычно на шарикоподшипниках для
передачи вращательного движения на рабочую головку. Шесты и штанги могут быть
цельными или составными из 2 - 3 частей. Деревянные шесты для съемных
приспособлений с ручным приводом применяют длиной 4 - 7 м, штанги для
приспособлений с механическим приводом— длиной 3 м.
По принципу устройства и способу отделения шишек и плодов от
веток различают следующие группы шишкосъемных приспособлений: очесывающие или
отрывающие; срезающие или откусывающие; откручивающие; спиливающие,
стряхивающие, сбивающие.
Приспособления срезающего типа имеют рабочую часть в виде
пластины с острыми краями лезвия, которым подрезают ножки шишек или плодоножки
плодов. К этому типу относятся секаторы-резаки с серповидным и фигурными ножами
- секаторы-крючок, с помощью которого пригибают
ветви крючком срезают шишки и плоды суживающимся разрезом движением от себя и
суживающимся разрезом движением на себя; секатор-сучкорез; садовый
секатор-ножницы, применяемый в основном для срезки кистей плодов кустарников.
Секаторы-резаки и сучкорезы крепятся на деревянных шестах длиной 3,5—6 м.
На равне с этим работки и местные жители используют приспособление
для сбора шишек сосны на лесосеменных плантациях, предложенное Н. И. Мамоновым.
Оно представляет собой узкую коробку, открытую с верхней и нижней сторон. Одна
из 4 граней железная, имеет вверху У-образный вырез с заостренными краями.
Остальные стороны коробки пластмассовые. Внизу коробки прикреплена железная
трубка, а к ней трубчатая алюминиевая штанга длиной до 6 м, диаметром 1,5 см,
составленная из 3 секций. К нижней части коробки крепится также узкий (по
сечению коробки) мешок из полиэтилена или легкой ткани.
Шишки отделяют от ветвей движением съемного приспособления
вверх, когда шишка попадает в V-образный
вырез коробки. Срезанная шишка при этом попадает в мешок.
Если шишки находятся на очень тонкой ветке или расположены
так, что не попадают в V-образный
вырез, то пользуются находящимся в плоскости выреза отсекателем в виде железной
пластинки, один конец которого постоянно оттягивается пружиной вниз. При
движении вниз прикрепленной к отсекателю капроновой нитки отсекатель защемляет
шишку.
Масса приспособления без штанги 0,4 кг. При среднем урожае
шишек за 1 ч работы можно собрать 2—2,5 кг шишек.
К откусывающему типу шишкосъемочного приспособления относится
откусывающая рамка с шишкосборным мешком. Приспособление имеет неподвижную
рамку с прикрепленным к ней мешком и подвижную рамку, которая под действием
пружины ударяет по неподвижной. Обе рамки имеют
заостренные края, крепятся на деревянном шесте длиной 3 м.
Для отделения шишки от ветви рабочий, оттянув с помощью шнура
подвижную рамку, проводит мешок под шишку так, чтобы ее ножка легла на рамку, и
резко отпускает шнур. Под действием пружины рамка, ударяя ножку шишки,
перерубает ее и шишка падает в мешок. Масса шишкосъемника 3,35 кг. Шишкосъемник
откручивающего типа в верхней части имеет шишкозахват в виде 2 губок, быстро
вращающихся в одном направлении вместе с шишкой. Вращение производится от
электродвигателя через валик в штанге. Захват шишки губками осуществляется с
земли с помощью 2 тяг. В результате вращения шишки ножка ее деформируется,
разрушается и шишка отделяется от ветви. Масса шишкосъемника 8,55 кг.
У шишкосъемника спиливающего типа рабочая головка
представляет собой редуктор из пары конических шестерен, на выходном валу
которого закреплен вращающийся пильный диск. Вращательные движения диска
производятся от электродвигателя через вал внутри трубчатой штанги. Масса
шишкосъемника 9,3 кг.
Шишко- и плодосъемник отряхивающего типа представляет собой
трубчатую штангу, внутри которой закреплен вал с эксцентрическим грузом в
верхней части. Над грузом на кожух съемника помещена вилка, прижимаемая перед
стряхиванием шишек и плодов к плодоносящей ветке. При вращении вала и
эксцентрического груза с вилкой рабочая головка начинает вибрировать и сильно
трясти ветку, шишки или плоды отрываются от ветки и падают на землю или в
подвешенный под рабочей головкой мешок. Масса съемника 7,4 кг.
Приспособления для подъема в кроны деревьев. Работники ГУ
ГЛПР «Семей орманы» и местные жители при сборе шишек и плодов с
невысоких деревьев применяют переносные простые или складные лестницы
деревянные или из легких сплавов, а также шестовые лестницы в виде толстой
слеги с набитыми поперек брусьями.
В будущем в «Семей орманы» планируется использование для
подъема на высоту до 8 м раздвижная лестница
на платформе грузовой автомашины. Лестницу будет поднимать в крону дерева
ручной лебедкой или валом отбора мощности автомобиля.
Сборщиков поднимают в кроны высоких деревьев с помощью гибких
и жестких подвесных лестниц, переносных многозвеньевых приставных лестниц,
разного рода древолазных устройств, а иногда и телескопических подъемников.
Могут также использоваться и многозвеньевые приставные
лестницы изготовляют из легких сплавов. По литературным данным [7,13], в
Винницкой лесной опытной станции такая лестница изготовлена из полых
дюралюминиевых шестов с наружным диаметром 40 мм, длиной 480 мм, выпускаемых
как спортивное оборудование. Лестница состоит из 2 основных секций по 4,8 м
каждая и 3 дополнительных длиной 3,2, 2,6 и 2,4 м. Общая высота всей лестницы
17,6 м. Основные секции соединены между собой шарнирно, дополнительные секции
соединяются с основными и друг с другом при помощи заходящих в боковые трубы
коротких вкладышей. Перекладины лестницы длиной по 400 мм каждая приварены к
боковинам через 40 см одна от другой.
Основные секций устанавливают к стволу в сложенном виде
шарнирным соединением вверх и первую секцию прикрепляют к стволу. После этого
поднимают вверх конец второй секции с помощью вспомогательного дюралюминиевого
шеста, а затем пеньковыми шнурами, закрепленными за концы боковин второго
звена, придают звену вертикальное положение и концы шнуров закрепляют за другие
деревья (пни) так, чтобы ствол дерева, к которому крепится лестница, находился
между шнурами. После этого рабочий, надев предохранительный пояс, охватывает
цепью ствол и лестницу, поднимается вверх и закрепляет среднюю часть верхней
секции к стволу. Став в верхней части секции, рабочий поднимает с помощью
капронового шнура следующую секцию, наращивает ее на лестницу и закрепляет.
Таким образом, наращивают и остальные звенья, если это требуется. Закрепляют
звенья к стволу через каждые 2—3 м ремнями, капроновыми шнурами или тонкими и
легкими цепями.
При передвижении по стволу в кроне рабочий поочередно
охватывает ствол или крупные ветви 2 цепями предохранительного пояса.
На монтаж лестницы и передвижение по стволу и в кроне
затрачивается 10—20 мин. Средняя масса 1 м лестницы 1,9 кг. Масса всей лестницы
33 кг.
Подобные лестницы в основном целесообразно использовать на
заготовке семян и черенков с плюсовых деревьев.
Древолазное устройство «Белка»[13], конструкции Латвийского
научно-исследовательского института лесохозяйственных проблем (сейчас
производственное объединение «Силава») состоит из 2 передвижных захватов, 2
подножек и механизмов для перемещения устройства по стволу. Масса устройства —
8,6 кг.
Передвижной захват представляет собой стержень шестигранного
сечения, изогнутый в передней части, охватывающей ствол. Эта часть захвата
облицована резиной. На противоположной задней части захвата нарезана рейка.
К подножкам в передней их части прикреплены по 1 опоре,
упирающейся в ствол дерева при передвижении рабочего по стволу. В нижней части
каждой подножки имеется кронштейн и направляющая втулка передвижного захвата.
Для перемещения захвата в кронштейне подножки имеется зубчатое колесо, которое
поворачивают с помощью рычага, снабженного храповым механизмом двустороннего
действия. Фиксация захвата во втулке кронштейна обеспечивается установленным в
ней фиксатором, который удерживается пружиной и управляется рычагами и гибким
тросиком.
Перед подъемом дерева подножки прикрепляют к ногам ремнями.
Передвижные захваты древолазного устройства устанавливают на стволе на
требуемое расстояние между опорами с помощью рукоятки перемещения захвата.
Подъем по стволу осуществляется перестановкой одной подножки над другой. По
мере поднятия по стволу в связи с уменьшением диаметра его уменьшают и
расстояния между опорами; при спуске эти расстояния увеличивают.
Древолазы карельские ДК-1 состоят из 2 агрегатов. Каждый
агрегат включает ножную стойку, ножную пластинку, ремни для укрепления ног,
опору, охватывающую ствол петлю, выполненную в виде троса, и головку зажима
троса. Головка зажима состоит из коромысла, пружины, опорной скобы, 2 щек,
эксцентрика с рукояткой, эксцентрика без рукоятки для крепления конца троса.
Перед подъемом на дерево агрегаты крепят к ногам ремнями,
плотно притягивая ботинки к ножным пластинам. Затем надевают предохранительный
пояс, и, охватив ствол свободным концом троса, протягивают трос через головку
зажима и зажимают его движением рукоятки эксцентрика. Под действием пружины
головка зажима троса вместе с тросом поднимается под углом примерно 45° к
плоскости ножной пластинки. Когда нога рабочего находится в приподнятом,
согнутом положении, кольцо троса занимает горизонтальное положение, что
позволяет его свободно перемещать по стволу. При нагрузке на стремена ножная
стойка принимает вертикальное положение, пружина растягивается.
По мере движения вверх по стволу трос периодически
подтягивают. Для этого его сначала отжимают движением рукоятки эксцентрика,
затем подтягивают и снова зажимают. При спуске с дерева длину опоясывающей
ствол части троса увеличивают, также отжимая, а затем зажимая трос. Масса
древолаза ДК-1 7,3 кг.
ГУ ГЛПР «Семей орманы» планирует закуп специальной техники с телескопическим
подъемником. Подъемники выпускаются
промышленностью на автомобильных и тракторных шасси. Особенностью конструкции
этих машин является складывающаяся мачта, состоящая из 2 шарнирно-соединенных
колен. Гидроподъемники поднимают по 2 люльки с 1 рабочим в каждой. Нижняя
часть мачты шарнирно закреплена на поворотной колонке, устанавливаемой на раме
автомобиля или трактора. Шарнирное соединение колен мачты и возможность
поворота колонки в горизонтальной плоскости позволяют поднять и доставить,
рабочих в сторону под любым уклоном от оси вращения поворотной колонки.
Подъемники имеют 2 пульта управления: в люльке и у основания мачты.
Применение смонтированного автогидроподъемника на шасси
автомобиля ГАЗ:66 повышает производительность при сборе шишек сосны на
лесосеменных участках в 4—5 раз, а затраты на сбор снижает в 1,5 раза.
С высоких деревьев шишки можно собирать и с помощью
телескопических подъемников, предназначенных только для вертикального подъема.
К ним относится подъемник ТВ-26 на базе автомашин. Мачта подъемника состоит из
5 выдвигающихся стальных труб; устойчивость вышки в рабочем положении
обеспечивается выносными опорами.
Хотелось бы отметить, что общими недостатками перечисленных
подъемных машин — их плохая маневренность. Работать с этими машинами можно
только в редкополнотных насаждениях, на просеках, лесосеменных участках и плантациях, при ровном рельефе местности.
Изучение работ других авторов показывает, что также можно
использовать и вибрационный метод заготовки семян. Метод заключается в придании
стволу дерева быстрых колебательных движений, в результате которых спелые плоды
или шишки отрываются от ветвей и падают на землю или в специальные
улавливатели, устанавливаемые под кронами деревьев.
Работы в филиалах показали, что отряхивание семян
рекомендуется проводить в насаждениях 50-80 лет,
так как с деревьев этого возраста легче стряхивать семена, чем с деревьев более
старого возраста. Кроме того, в этом возрасте кора у деревьев становится
достаточно толстой, чтобы можно было предохранять камбий от повреждений. В
первую очередь следует собирать семена в насаждениях, которые должны поступать
в рубку в ближайшие 3—4 года, отряхивание проводить в ясную, солнечную погоду в
насаждениях с полнотой 0,3—0,5, дающих наибольший урожай.
Заготовка плодов и семян с лиственных деревьев можно
импользовать и воздушный поток. Этот метод сбора плодов и семян заключается в отрыве их от
ветвей сильной струей воздуха путем сбивания или отсасывания. Для сбора семян
сконструирован и создан опытный образец сборщика семян ССМ-1, который может
работать с тракторами Т-40, Т-40А, МТЗ-50, МТЗ-52, имеющими гидронавеску и вал
отбора мощности (схема 1).

Схема 1. Общая схема сборщика семян ССМ-1: 1-рама; 2 -система
привода; 3- вентилятор; 4- всасывающий воздуховод; 5-циклон; 6 - гибкий шланг; 7
— наконечники
Плоды, отрываемые воздушным потоком от ветвей, всасываются
через гибкие шланги с наконечниками, которыми маневрирует сборщик в кроне, транспортируются
в циклон (сборник плодов) и оседают в бункере, а чистый воздушный поток через
воздуховод поступает в вентилятор и выбрасывается им наружу. Производительность
на сборе плодов за 1 ч чистого времени с трактором МТЗ-50— 8,6 кг. В некоторых
хозяйствах при проведении официальных, запланированных рубок могут
использоваться и сбор шишек со срубленных деревьев. При сборе шишек и плодов на
лесосеках должны соблюдаться элементарные требования селекции: рубка
высокопроизводительных высококачественных насаждений по возможности в урожайные
годы и в период заготовки семян; предварительная отметка на лесосеках минусовых
деревьев, с которых запрещается сбор шишек и плодов.
3.3.3 Хранение шишек сосны
Шишки сосны обыкновенной в ГУ ГЛПР «Семей орманы» собираются
в определенные сроки с привлечением местного населения и хранятся в специальных
помещениях. Семена сосны обыкновенной могут храниться без заметного снижения
всхожести семян в течение 4—6 лет. Хранят семена в специальных помещениях с дощатым полом.
Исследования показали, что шишки сосны ранних сроков сбора
(сентябрь, октябрь) имеют влажность до 45—60% абсолютно сухой массы, поэтому их
до закладки на хранение просушивают в сухую погоду на открытом месте, а в
дождливую — под навесом или в хорошо проветриваемом помещении, рассыпав слоем
0,3—0,5 м и периодически перелопачивая. Просушенные шишки можно хранить слоем
не более 1,5—2 м.
В ГУ ГЛПР «Семей орманы» амбары и приспособленные помещения
для хранения шишек должны отвечать следующим требованиям: иметь емкость,
позволяющую хранить Шишки в количествах, обеспечивающих бесперебойную работу
шишкосушилки; иметь число закромов, позволяющих хранить раздельно все
поступающие партии шишек; по возможности непосредственно примыкать к
шишкосушилке; хорошо проветриваться для предотвращения плесневения шишек и
загнивания семян.
В амбарах большой емкости должны быть механизированы загрузка
закромов, перемешивание шишек, доставка в приемное устройство' шишкосушилки.
Всесоюзным проектно-изыскательским институтом
«Союзгипролесхоз» разработаны [14], и можно рекомендовать для использования типовой
проект амбаров для шишек емкостью 50 и 100 т (типовые проекты № 411-1-28 и №
411-1-29). Эти амбары могут строиться в комплексе с шишкосушилкои, котельной
шишкосушилки, складом лесных семян и отдельно.
Амбар емкостью 50 т имеет длину 21 м, емкостью 100 т — длину
33,5 м; ширина амбаров 5,4 м. В амбарах имеются помещения для хранения,
загрузки, сортировки и выдачи шишек и хранения тары (схема 2). Стены амбаров
дощатые по деревянному каркасу. Кровля из волнистых асбестоцементных листов,
полы дощатые.

Схема 2. Амбар для шишек емкостью 100 т: 1 — барабан сортировочный;
2 — элеватор ковшовый; 3 — верхний ленточный транспортер; 4 — нижний желобчатый
транспортер; 5—закром
В помещении хранения шишек вдоль стен амбара расположены
закрома емкостью 10 м3 каждый. Для хранения мелких партий часть закромов может
быть разделена перегородками на секции.
Поступающие в хозяйство шишки выгружают в приемный бункер,
имеющий наклонную плоскость дна. По ней шишки самотеком через выпускное
отверстие по лотку попадают в сортировочный барабан. Барабан имеет уклон 4—5°
по ходу движения шишек, частота вращения его 17 об/мин. Не отвечающие
требованиям по размерам шишки и мусор собираются в ящик под барабаном. Из
барабана шишки поступают по лотку в загрузочный люк вертикального ковшового
элеватора, элеватором поднимаются вверх и по лотку попадают на верхний
ленточный транспортер. Транспортером шишки доставляются к закромам и плужковым сбрасывателем
сбрасываются по скатному лотку в закром.
Для выгрузки шишек из закромов открывают заслонки имеющихся
отверстий в нижней части закромов, шишки попадают на нижний желобчатый
транспортер и подаются им в загрузочный люк указанного выше вертикального
ковшового элеватора, который доставляет их на второй этаж. Если амбар находится
в блоке с шишкосушилкой, то поднятые на второй этаж шишки по лотку направляются
на верхний ленточный транспортер и подаются
им в приемное устройство шишкосушилки на переработку. Если
амбар является отдельным несблокированным зданием, то поднятые наверх шишки по
лотку выгрузки направляются в автомашину.
При необходимости ворошения шишек их выпускают из закрома на
нижний желобчатый транспортер, доставляют на ковшовый элеватор, поднимают
вверх, на ленточном транспортере доставляют до свободного закрома и загружают
его с помощью плужкового сбрасывателя и лотка.
Вентиляция амбаров естественная, через вентиляционные шахты,
выводящие влажный воздух. Приток воздуха осуществляется через жалюзи,
являющиеся наружными стенами амбаров. Управление электродвигателями
технологического оборудования осуществляется со щита автоматики.
Определение массы шишек с учетом изменения их влажности. В процессе хранения влажность и масса
шишек изменяются обычно в сторону уменьшения. Реже, при увеличении влажности
воздуха масса шишек увеличивается. Влажность шишек зависит и от сроков их
сбора. Так, шишки сосны обыкновенной, заготовленные в октябре имеют влажность
50—60%, в декабре 40%, в марте 20—30%. Разница во влажности и массе шишек
разных сроков сбора в зоне хвойно-широколиственных лесов и тем более в
лесостепной зоне менее значительна. При хранении шишек на складах влажность их
к марту-апрелю в зависимости от района сбора снижается до 10—20%. Чтобы установить
убыль массы шишек (усушку х при хранении за тот или иной период, например, при
передаче шишек от одного лица, ответственного за их хранение, другому и при
других случаях учета), нужно знать массу и влажность шишек, поступающих на
склад, и влажность шишек в момент последующих учетов. Влажность шишек
определяют также при контроле за состоянием хранящихся шишек, испытании
шишкосушилок, контрольных сушках шишек. Для определения массы шишек с учетом
изменения их влажности за тот или иной период можно пользоваться следующей
формулой:
X=(100-n) a/100-t
где Х
— искомая масса шишек после хранения в течение того или иного срока;
а —
первоначальная масса шишек (при закладке на хранение);
n— исходный процент относительной влажности шишек;
t—процент влажности шишек после хранения.
Зная первоначальную и искомую после хранения массу шишек,
легко определить и убыль шишек в абсолютном выражении и в процентах.
Чтобы избежать трудоемкой работы по взвешиванию шишек при их
приемке и установить более правильную оплату работы по сбору шишек (влажные
шишки имеют большую массу, а следовательно, и сбор их оплачивается выше, чем
заготовка менее влажных шишек при том же количестве), можно учитывать не по массе,
а по объему в литрах и гектолитрах. При этом
выход семян из 1 гл шишек — достаточно стабильный показатель, пригодный как для
оценки работы шишкосушилки, так и для премирования рабочих за высокий выход
семян.
3.3.4 Переработка шишек
Основной задачей при переработке шишек сосны обыкновенной
является извлечение семян не снижая их качества. Исследования показали, что в
ГУ ГЛПР «Семей орманы» переработку шишек проводят в специальных помещениях
шишклсушилках используя термический метод, а также барабанные сушилки. Также
используется и механический способ извлечения семян из шишек.
Извлечение семян из шишек в шишкосушилках ГУ ГЛПР «Семей
орманы».
Семена большинства хвойных пород извлекают из шишек в
шишкосушилках, где под влиянием повышенной температуры происходит интенсивное
испарение влаги из шишек (при удалении окружающего увлажненного воздуха),
чешуйки шишек, теряя влагу, изгибаются и шишки вследствие этого раскрываются.
В практике исследовании, применяют сушку шишек естественный
воздушно-солнечный и искусственные методы. Воздушно-солнечная сушка проводится
в солнечных шишкосушилках, применяется редко, при переработке небольших партий,
если стоит ясная солнечная погода. Искусственная конвекционная сушка — основной
способ извлечения семян из шишек, при котором шишки в специальных камерах
пронизываются агентом сушки — воздухом, нагретым до определенной температуры.
По принципу нагрева воздуха шишкосушилки делятся на:
огнедействующие, в которых воздух нагревается огневым печным калорифером;
паровые — нагрев воздуха осуществляется паровыми калориферами; электросушилки —
воздух нагревается электрокалориферами или электропечами; сушилки с нагревом
воздуха воздухоподогревателем.
В зависимости от используемого вида топлива различают
сушилки, работающие на твердом топливе (в основном на отработанных шишках), на
жидком топливе (керосине, солярке), с использованием электроэнергии.
Повышение температуры воздуха при сушке ускоряет процесс
сушки, однако значительное повышение, особенно в сочетании с высокой влажностью
шишек и воздуха в сушилке, отрицательно сказывается на качестве семян. Поэтому
влажность шишек предварительным подсушиванием при невысоких температурах
доводят до 20—25%, а затем проводят сушку при более высоких температурах: шишек
сосны до 55 - 65° С, ели до 40—50° С, лиственницы до 40—45° С. Предварительная
подсушка значительно сокращает срок сушки.
В зависимости от того, каким способом осуществляется движение
воздуха в сушильном отделении, различают шишкосушилки с приточно-вытяжной
естественной вентиляцией и принудительной механической вентиляцией,
осуществляемой при помощи вентиляторов.
В Семипалатинском филиале мы изучили работушишкосушилки
барабанного типа. В
барабанных шишкосушилках шишки во время сушки находятся в барабанах, где они
периодически перемешиваются путем вращения барабанов. В шишкосушилках шишки
непрерывно перемещаются в камерах подсушки и сушки сверху вниз на сетчатых
транспортерах.
Шишкосушилки могут быть периодически действующие и непрерывно
действующие. В первом случае сушка в период загрузки и выгрузки шишек
прекращается, во втором случае сушку проводят непрерывно, без остановки
процесса сушки. Все шишкосушилки искусственной сушки делятся на стационарные и
передвижные.
К современным шишкосушилкам предъявляются следующие
требования:
возможность получения на шишкосушилке семян преимущественно I класса качества; полное извлечение семян из шишек; возможно короткий срок
сушки и, как следствие, высокая производительность, выражаемая количеством
шишек, перерабатываемых в единицу времени (сутки); непрерывная работа
шишкосушилки без остановки на загрузку и выгрузку шишек; механизация и автоматизация всех производственных процессов; наличие в крупных шишкосушилках для переработки небольших
партий шишек (с лесосеменных плантаций, лесосеменных участков, плюсовых
насаждений и т. д.) в сушильной камере отдельных
небольших секций, выделенных сетками, не пропускающими семена из соседних
секций; удобное для эксплуатации расположение
отдельных помещений и оборудования шишкосушилки; соблюдение санитарно-гигиенических требований и требований техники
безопасности, обеспечивающих нормальные условия работы обслуживающего
шишкосушилку персонала.
Сушка шишек в печах или на печах (в домашних условиях), в
банях и других не приспособленных для сушки помещениях запрещается.
Ниже приводится краткое описание шишкосушилок разных типов,
наиболее распространенных или перспективных.
Барабанная сушилка для шишек Семипалатинского филиала. Производительностью 4,5 кг семян в
сутки.
Здание сушилки одноэтажное, размерами в осях 6,65х7 м. Проект
разработан в 2 вариантах: с кирпичными и брусчатыми стенами. Основные помещения
сушилки: рабочее помещение, сушильные камеры, помещение обслуживания
подъемника, помещение предварительной сушки, находящееся на чердаке шишкосушилки.
В сушилке предусмотрен огневой калорифер. Он находится между 2 сушильными камерами, в каждой из
которых имеется по 2 сетчатых барабана; общая загрузка их — 0,75—0,8 м3 шишек.
В чердачном помещении имеются 4 бункера предварительной подсушки шишек. К
бункерам шишки подаются ковшовым подъемником, а сбрасываются в бункера при
помощи плужкового сбрасывателя. Вращение барабанов осуществляется от
электропривода (через 15—20 мин) по 2—3 мин.
В сушильных камерах при сушке шишек сосны температура
поддерживается до начала раскрытия шишек в пределах 30-40° С, в дальнейшем до
полного раскрытия шишек — 40—60° С; Температурный режим контролируется
автоматической звонковой сигнализацией с помощью ртутно-контактных термометров.
Следить за температурой можно также визуально через остекленные отверстия
стены, отделяющей сушильную камеру от рабочего помещения, так как в каждой
камере на уровне барабанов устанавливаются 2 термометра.
Выпадающие из раскрывшихся шишек семена попадают в съемные
семеприемники, устанавливаемые под барабанами. Удаляют семена сушек вручную
через каждые 2—3 ч.
Отработанные шишки из сушильных камер удаляют ленточным
транспортером и подают ковшовым подъемником на верхний транспортер, а с него
при помощи сбрасывателя и лотка — в бункер отработанных шишек для сжигания.
Вентиляция в сушильных камерах приточно-вытяжная с
естественным побуждением, в рабочем, помещении — естественная, через форточки.
В помещении предварительной сушки вентиляция осуществляется осевым
вентилятором.
Топку печи, открытие и закрытие шиберов приточных и вытяжных
каналов для регулирования температуры в сушильных камерах с помощью выведенных
через стены камер рукояток и удаление семян из камер сушки производят вручную.
Вращение барабанов и приведение в действие ковшового подъемника и транспортера
осуществляется также в рабочем помещении сушилки с находящегося там перед
фронтом сушильных камер пульта управления. Для управления ленточными
транспортерами в проходах вдоль транспортеров устанавливаются дополнительные
кнопки.
Продолжительность цикла сушки — 1 сутки. При выходе семян
сосны 1,1—1,2% от массы шишек производительность шишкосушилки 4,5 кг. Сушилка
работает в 3 смены. В каждую смену сушилку обслуживает 1 рабочий.
Исследования других авторов [15,17], показало возможность
использования барабанной стационарной шишкосушилки производительностью 15 кг
семян в сутки.
Шишкосушилка представляет собой блок, состоящий из собственно
шишкосушилки, котельной и склада для хранения шишек емкостью 100 т.
Из сушильного барабана шишки и выпавшие из них семена
подаются в отбивочный барабан, находящийся под сушильными барабанами. Из
отбивочного барабана семена попадают на транспортер, который подает их в
помещение обескрыливания, а шишки скатываются на ленточный транспортер, который
направляет их в котельную.
Все процессы в шишкосушилке и на складе шишек
механизированы. Проектом предусматривается: ручное и автоматическое управление
работами линии загрузки шишками барабанов подсушки, работой барабанов подсушки
и сушки, работами линий удаления семян и шишек; полная автоматизация
поддержания заданной температуры и контроль влажности в камерах подсушки и
сушки, а также управление работой электродвигателей вентиляторов.
Предусмотрена информационная световая сигнализация и звуковая
аварийная сигнализация. Вся аппаратура, с помощью которой осуществляется
управление работами в шишкосушилке и сигнализация, размещена в щите
автоматики, установленном в операторской.
В лесных хозяйствах России используются стационарные
механизированные шишкосушилки шахтного типа производительностью 15 кг сосновых
семян в сутки [26], которую также можно использовать в ГУ ГЛПР «Семей орманы».
На шишкосущилку
имеется типовой проект № 411-1-55, разработанный «Союзгипролесхозом» в 1970 г.
на основе экспериментальной шишкосушилки Тихвинского лесхоза Ленинградской
области. Согласно типовому проекту «Союзгипролесхоза» шишкосушилка представляет
собой блок из собственно сушилки, склада лесных семян на 3 т, котельной и
склада для шишек емкостью 100 т.
В помещении сушки шишек установлены: бункер предварительной
подсушки шишек, ковшовый элеватор, бункер сушки, приемное устройство и барабан-выколачиватель
семян из шишек (схема 3).

Схема 3. Схема шишкосушилки шахтного 1—калорифер бункера
предварительной подсушки шишек; 2 — шишки; 3— сетчатый транспортер; 4 — бункер
предварительной подсушки; 5 — бункер загрузочный; 6 — ковшовый вертикальный
транспортер; 7 — бункер сушки шишек; 8 — сетчатый транспортер; 9 — приемное устройство
с виброситом; 10 — барабан-выколачиватель; 11 — калорифер бункера сушки
Шишки из склада хранения ковшовым элеватором подаются на
верхний транспортер и попадают в приемную часть бункера предварительной
подсушки и на сетчатые транспортеры этого бункера, по которым тонким слоем
передвигаются сверху вниз. После этого шишки поднимаются ковшовым транспортером
вверх, попадают в бункер сушки и там совершают на сетчатых транспортерах такой
же путь сверху вниз, что и в бункере предварительной подсушки. Агентом сушки
является воздух, подогретый паровыми калориферами, расположенными под
бункерами. В бункер предварительной подсушки воздух поступает нагретым до
35—40° С, в бункер сушки —- до 55—65° С. Подогретый воздух засасывается в
бункера вентиляторами. В каждом бункере шишки находятся по 4 ч. Таким образом,
процесс подсушки и сушки занимает 8 ч.
Из бункера сушки шишки попадают в приемное устройство, где
происходит отделение семян от шишек. Невыпавшие семена выколачивают в
барабане-выколачивателе. Выпадающие из шишек семена удаляются воздушной струей
в семеприемник, а освобожденные от семян шишки на ручной тележке отвозятся к
топке котельной. Все процессы в шишкосушилке, кроме подачи шишек в котельную,
механизированы. Процесс сушки в бункерах автоматизирован. В дополнение к
автоматическому регулированию температуры в бункерах подсушки и сушки
предусмотрен дистанционный "контроль температуры со щита управления.
Регулирование влажности осуществляется вручную дистанционно.
Шишкосушилка непрерывно действующая, работает без остановки
для загрузки сырья. Работа проводится в 3 смены длительностью по 8 ч. Общее
число работающих — 8 человек.
В сушильной камере устанавливаются 3 яруса стеллажей. Каждый
ярус состоит из 7 сетчатых створок типа жалюзи. Подсушка и сушка шишек,
обеспечиваются путем принудительной подачи теплого воздуха в камеру сушки под
нижний стеллаж воздухоподогревателем передвижным ВПТ-400. Он установлен в
отдельном помещении, примыкающем к сушильной камере. ВПТ-400 работает на
керосине или на солярке.
Верх камеры сушки представляет собой люк, через который
камера загружается свежими шишками. Люк плотно закрывается металлическим щитом.
В центре щита имеется задвижка, позволяющая регулировать выход влажного воздуха
из камеры.
Первоначально в сушилке загружаются шишками все 3 яруса и в течение первых 3 ч проводится подсушка шишек
при температуре 30° С. В дальнейшем шишки сосны сушат при температуре в нижнем
ярусе до 60° С и ели до 50° С. После выгрузки шишек с нижнего яруса на него
пересыпаются шишки второго яруса, на второй ярус — с третьего яруса, а третий
ярус загружается свежими шишками. Расчетная влажность свежих шишек принята
40%.Теплый воздух, поступающий в камеру сушки в нижний стеллаж с
подсушенными уже шишками, отдает часть тепла на сушку шишек этого яруса,
проходит слой шишек второго яруса, там также теряет часть тепла и достигает
слоя шишек верхнего яруса, уже имея температуру 30° С, при которой ведется
подсушка загруженных свежих шишек.
Каждый стеллаж загружается 1500 кг шишек сосны и 1000 кг
шишек ели. Время сушки шишек сосны на каждом стеллаже 4 ч, ели — 3 ч.
Производительность шишкосушилки в сутки: по сосне 80 кг семян (с выходом 1,2%),
по ели 180 кг семян (с выходом 3%).
Загружается камера сушки ленточным транспортером. Поднятие и
опускание металлического щита люка, перегрузка шишек со стеллажа на стеллаж и
выгрузка их с нижнего стеллажа осуществляется с помощью трособлочной системы. Выгруженные шишки
самотеком (пол камеры сушки имеет трёхсторонний уклон) через открываемое
отверстие в металлической двери камеры сушки подаются в отбивочный барабан, где
семена отделяются от шишек. Семена попадают в семепрйемные ящики, а
отработанные шишки удаляются пневматически через воздуховоды. Оба эти процесса
ведутся одновременно и управляются с
пульта управления, установленного в шишкосушилке.
Семена сосны обыкновенной иногда плохо отделяются от шишек
при сушке шишек в шишкосушилках, что объясняется большой смолистостью шишек и
особенностями их строения. В связи с этим исследования других авторов показало
возможность использования извлечение семян из шишек хвойных пород механическим
способом.
3.3.5 Машины и устройства для сбора и
обработки семян
Мной также изучены и различные машины и устройства для сбора
и обработки семян предлагаемые другими исследователями. Работа в ГУ ГЛПР «Семей
орманы» показало, что во многом используются моломеханизированные устройства.
Считаю, возможным использование следующих механизмов и устройств для сбора и
обработки семян, предлагаемые другими авторами, которые приемлемы для нашего
региона. Переработка сосновых шишек ведется в стационарных шишкосушилках, хотя
возможны использование следующих устройств:
Устройства и приспособления для сбора семян
Потребность лесного хозяйства в семенах древесных и
кустарниковых пород, особенно хвойных (сосна, ель, лиственница), постоянно
возрастает. Ежегодный сбор сосновой шишки составляет, примерно 85 тонн. В 100 кг
шишек содержится чистых семян сосны – 1-1.5 кг. Семена нужны для окультуривания
необлесившихся вырубок, создания полезащитных лесных полос, живых изгородей
вдоль железных дорог, облесения оврагов, балок и поселков, озеленения берегов
водохранилищ, каналов, оросительных систем и других целей.
Сбор семян и плодов большинства древесных пород и последующая
их обработка (сортировка и хранение) — исключительно -трудоемкие операции.
С растущих деревьев семена и шишки собирают двумя способами:
сборщики со съемными приспособлениями находятся на земле или поднимаются в
крону дерева мри помощи различных устройств. Съемное приспособление деревянный
шест или легкая металлическая штанга с укрепленным на конце рабочим органом -
счесывающим, отрывающим, отрезающим, откусывающим и пр. Счесывающие и
отрывающие рабочие органы выполнены в виде грабель или гребенок. Шишки или
семена, попав между зубьями, отрываются и падают на землю или в подвешенный к
шесту мешочек. Откусывающие и срезающие устройства — секаторы и ножницы разных
типов.
1) Подъемник для сбора шишек ПСШ поднимает двух рабочих в
крону дерева на высоту до 8,5 м с целью сбора шишек на плантациях. Он
смонтирован на гусеничном тракторе ДТ-75М и состоит из колонны 2 (Приложение),
гидроцилиндра подъема плеча 3, стрелы 4, гидроцилиндра управления люльками 5,
рукояти 7, и механизма 8 раздвижения люлек (корзин) 6.
2) Виброустановка ВСО-1 (Приложение) отряхивает орехи грецкие
(и другие подобные плоды) с растущих деревьев в период растрескивания
околоплодника, когда максимальная сила связи плодов с ветвями не превышает
1—1,5 кг при влажности плодоножки не более 10—15%. Виброустановку навешивают на
тракторы различных марок. Она состоит из рамы 2 с навесным устройством, стрелы
3 со штангой 4, гидравлического привода 5, подвесного устройства 6 и вибратора
7.
Стрела представляет собой сварную конструкцию и служит для
установки вибратора и подъема его на определенную высоту. Внутри стрелы
проложены маслопроводы гидравлического оборудования привода вибратора. Вибратор
подвешен к стреле при помощи стального каната 9, охватывающего шарниры 8, что
дает возможность во время работы установки отклоняться вибратору в любой
плоскости в зависимости от кривизны ствола дерева в месте захвата.
Машины для обработки шишек, семян и плодов. Плоды и шишки различных деревьев и
кустарников различаются по форме, размерам и строению, поэтому способы и
технология извлечения семян хвойных, лиственных и кустарниковых пород
неодинаковы.
Шишки со зрелыми семенами в естественных условиях сушки при
температуре воздуха 20—25°С раскрываются через 1—2 сут, семена выпадают через
4—6 дней. Поэтому естественную сушку шишек применяют при заготовке лишь
небольших партий семян в растянутые сроки. Для выделения семян из шишек ели,
сосны и лиственницы применяю- шишкосушилки.
В сушильной камере шишкосушилок сушка ускоряется благодаря
действию на шишки непрерывного нисходящего потока горячего воздуха. При этом
происходит быстрая отдача находящейся в шишках влаги в воздух, который затем
выбрасывается в атмосферу. Искусственная сушка шишек обычно протекает при
температуре 45—60°С для сосны, 40—45°С для ели.
При загрузке сырых шишек непосредственно в сушильную камеру с
температурой 50°С всхожесть семян снижается. Семена выносят более высокую
температуру в сухом состоянии, чем во влажном. Особенно неблагоприятна высокая
температура для семян, заключенных в сырых шишках, гак как вследствие
медленного раскрывания шишек влажность воздуха внутри них может достигнуть
степени полного насыщения при относительно сухом воздухе в сушильной камере.
Сушат шишки в камерах периодическою или непрерывного
действия. Эти камеры могут быть стационарными или передвижными. Передвижные
шишкосушилки имеют примерно одну и ту же технологическую схему.
Многие семена древесных и кустарниковых пород, как хвойных
(сосна и др.), так и лиственных (ясень, клен и др.), черед сортированием на
сорта проходят механическую обработку - обескрыливание. В то же время отделяют
примеси мусор, почвенные частицы, листья, хвою, обломки сухих исток и т. п.
Разделение семян на сорта основано на различиях их размерных
характеристик отдельных фракций. Для. очистки семян от посторонних предметов
также использую различия их форм и физико-механических характеристик по
удельному весу, коэффициенту трения, парусности и т. п.-
1) Шишкосушилка стационарная (Приложение) производит сушку
шишек с целью раскрытия их чешуи, необходимого при извлечении из них семян.
Шишкосушилка состоит из барабана 1 для очистки от примесей и сортировки шишек;
трех ленточных транспортеров 2, 16, 18 для подачи шишек через люк 12 в камеру
сушки /0, в которой установлены три яруса стеллажей 3, имеющих каждый
решетчатые створки (типа жалюзи) и открывающиеся при помощи канатно-блочной
системы; воздухоподогревателя, работающего на смеси дизельного топлива с
технологическим керосином и служащего для подачи нагретого воздуха в камеру
сушки со скоростью до 10 м/с; наклонно установленного отбивочного
цилиндрического барабана 6, образующая поверхность которого состоит из
продольных прутков с зазором 10 мм и установленного против скатных плоскостей
сушильной камеры; ящиков-семесборников 7 и пневмотранспортера для пустых шишек
и образовавшихся примесей, работающего от вентилятора 8. емкостью 50 т, который
загружается транспортерами щишкосуцшлки с помощью сбрасывателей.
В процессе работы шишкосушилки нагретый воздух, проходя через
три слоя шишек, расположенных на стеллажах, постепенно охлаждается и удаляется
в атмосферу. Шишки обогреваются воздухом разной температуры, которая
регулируется автоматически на нижнем стеллаже — до 60°С, среднем — 45°С,
верхнем - 30°С. Через каждые 4 ч сухие шишки выгружают с нижнего стеллажа и
пересыпают на него шишки со второго стеллажа, а на этот — с верхнего, на
который загружают новую порцию шишек. Полный цикл сушки длится 12-ч.
Последовательность перемещения шишек с верхних стеллажей на нижние обеспечивает
сохранение всхожести семян при сушке воздухом до 60°С, поскольку они проходят
предварительную подсушку на верхнем и среднем стеллажах при 30 и 45°С
соответственно. При вращении наклонно установленного барабана с частотой 12—16
об/мин семена выбиваются из сухих шишек и пересыпаются в ящики — семесборники,
после чего отправляются для дальнейшей обработки и хранения. Производительность
шишкосушилки составляет до 80 кг семян в сутки.
2) Шишкосушилка передвижная ШП-0,06 (Приложение) производит
сушку шишек сосны обыкновенной, ели обыкновенной и лиственницы сибирской. Она
состоит из пневмоколесного шасси /, сушильной камеры 2, воздухораспределителя
3, вентилятора 4, ленточного транспортера 5, стеллажей 6, сетчатого
транспортера 7, выгрузного бункера 8, теплогенератора 9, помещения для
оператора 10, машины для очистки и сортировки семян (МОС-1А) 11, а также систем
электроподключения, автоматического управления и контроля.
Пневматическое шасси служит для размещения
всех частей потребность в электроэнергии - - 70 кВт-ч при работе с
электроподогревом, при работе с теплогенератором — 10 кВт-ч. Нагревает воздух и
подает его в камеру сушки тепловоздушная установка. Загрузочное устройство
поднимает сырые шишки на верхний стеллаж и равномерно их распределяет.
Выгрузной бункер направляет высушенные шишки в отбивочный барабан. Ленточный
транспортер удаляет пустые шишки из барабана в кузов тракторного прицепа.
Шишкосушилку устанавливают в 8—10 м от склада шишек на ровной
горизонтальной площадке, подключают к электросети и опробуют электродвигатели и
освещение. Затем засыпают в загрузочный бункер сырые шишки, включают
электролебедку, поднимают бункер и, переметная его по направляющим, высыпают
шишки на верхний стеллаж сушильной камеры. Бункер опускают вниз.
Затем открывают заслонку вентилятора и в автоматическом
режиме запускают тепловоздушную установку. Температура воздуха должна быть
50—60"С. Сушку продолжают 3—7 ч (в зависимости от вида шишек). По
истечении времени сушки шишки с верхнего стеллажа пересыпают на средний, а на
верхний стеллаж засыпают новую партию. По истечении времени сушки на втором
стеллаже шишки пересыпают па нижний стеллаж и средний, а на верхний опять
засыпают сырые шишки. По окончании сушки на нижнем стеллаже через смотровое
окно визуально определяют степень раскрытия шишек. Если шишки раскрыты
полностью, их ссыпают в выгрузной бункер и по транспортеру отправляют в
отбивочный барабан. В отбивочном барабане от шишек отделяется ворох чешуи и
через сетку просыпаются в приемный бункер семена.
Сушилка транспортируется автомобилем ЗИЛ-131.
Производительность, кг/ч: шишек ели - - 88, шишек сосны — 140. Работа
круглосуточная, в 3 смены, обслуживающий персонал — 1 человек в смену. Емкость
загрузочного бункера 0,95 м3; масса загружаемых шишек сосны обыкновенной 350
кг, ели обыкновенной — 200 кг; продолжительность сушки 12- -18 ч.
3) Рекомендуется для использования семяочистительную машину
МЮС-1А обескрыливает семена хвойных и лиственных пород, извлекает их из сережек,
стручков, коробочек и ягод, а также очищает семена от примесей, сортирует их по
размерам и массе. Она состоит (Приложение) из электромотора 1, вентилятора 2,
заслонки 3, осадочной камеры 4, вертикального канала 5 воздушной очистки,
заслонки приемного бункера б, загрузочного бункера 7, ворошилки 8, заслонки
приемного бункера 9, барабана обескрыливателя 10, клиноременной передачи 11
привода вала обескрыливателя и цилиндрического барабана, приемных бункеров 14 и
15, ворошилки 16, семесборника обескрыленных и неочищенных семян 19 и решет
барабана 20, 21 и 22. предназначенные для очистки и сортирования семена из
бункера 7 поступают в барабан 10 обескрыливателя через отверстие, регулируемое
заслонкой 9. Более равномерное прохождение семян обеспечивается периодическим
вращением ручкой ворошилки 8. Капроновые щетки 12, установленные на роторе
обескрыливателя, интенсивно перемешивают семена. Отделение семян от крылышек и
извлечение их из плодов осуществляются за счет трения смеси в сетку 13
барабана. Обработанный ворох, пройдя через отверстие сетки, поступает в бункер
/5, от него питателем 16 через окно 17 направляется в вертикальный канал
воздушной очистки. После этого по лотку 18 ворох попадает в барабан, состоящий
из трех смежных цилиндрических решет с пробивными отверстиями. Решето 20 имеет
продолговатые отверстия, решета 21 w 22 — круглые. Ширина продолговатых отверстий 1; 1,3; 1,5 м, а диаметр
отверстий сменных решет 21 и 22 — 2; 2,5; 3; 3,5; 4; 5; 6; 8 и 10 мм. Если
обескрыленные семена сортировать не нужно, то, повернув заслонку, их можно
направить в семесборник 19. Привод сборочных единиц и механизмов осуществляется
от электромотора / мощностью 1,7 кВт. Производительность машины по массе при
двукратной обработке семян сосны составляет около 18 кг/ч исходного материала и
8,4 кг/ч очищенных семян.
Поворотом заслонки 3 можно регулировать скорость воздушного
потока от 0 до 12 м/с. При большой скорости воздушного потока в осадную камеру
очистки вместе с легковесными примесями, пустыми и недоразвитыми семенами поступает
часть полнозернистых семян. При малой скорости воздушного потока пустые семена
и легкие примеси не полностью выдуваются из потока семян из-за большой их
подачи в вертикальный канал, которая регулируется заслонкой 6.
Поскольку две регулировки одновременно влияют на степень
выделения легких примесей, необходимо выполнять их в определенной
последовательности. Сначала при подаче семян необходимо уменьшить силу
воздушного потока до величины, при которой полнозернистые семена не будут
выдуваться в осадочную камеру воздушной очистки, а затем, постепенно открывая
заслонку б, обеспечить такую подачу семян, чтобы при установленной силе
воздушного потока легкие примеси полностью выдувались из смеси. Перед началом
работы регулируют специальными болтами наклон роторного барабана, так как при
большом его наклоне увеличивается скорость движения семян вдоль барабана через
соответствующие решета и семена падают вместе с крупными примесями в отходы.
4) Агрегат-семеотделитель АС-0,5 извлекает семена из
трудно-раскрываемых шишек хвойных пород — сосен эльдарской, пицувдекой и
алеутской, а также из плодов кипариса, гледичии, биоты восточной, акации белой
и др. Он состоит из станка для высверливания стержня шишек (Приложение) и
машины для извлечения семян МИС-1, Станок включает раму 1, на которой
установлен электродвигатель 2, клинорсменную передачу 3, подшипниковую опору 4,
сверло 5, направляющие б, лоток 7, зажимной конус 8, рукоятку 9, подвижную
каретку 10, упор 11 и маховик 12. Шишку помещают в зажимной конус и посредством
маховика вручную вместе с кареткой подают на вращающееся сверло, которое
высверливает стержень шишки. После этого каретка отводится маховиком,
обработанная шишка извлекается упором и направляется по лотку в емкость.
5) Машина для извлечения семян МИС-1 (Приложение) состоит из
барабана наружного неподвижного 13, внутреннего подвижного 14 с вертикальным
валом, загрузочного бункера 15 для исходного материала, в котором также
размещен редуктор 16 для привода внутреннего барабана; решетного устройства 17.
Все части машины смонтированы на станине 18.
Во время работы машины шишки с
высверленными стержнями на станке засыпаются в загрузочный бункер, а из него —
в пространство между барабанами, где разрушаются коническими зубьями,
имеющимися на неподвижном и подвижном барабанах. Раздробленные шишки попадают
на решетный стан, где просеиваются, при этом семена отделяются от примесей.
Заключение
Исследования проведенные на территории Семипалатинского
филиала ГУ ГЛПР «Семей орманы» показало, что большинство древесных пород в
естественных условиях размножается преимущественно семенами, и результаты
селекционной работы могут быть внедрены в лесное хозяйство только посредством
организации семеноводства этих пород на селекционно-генетической основе. В
настоящее время лесное семеноводство является отраслью лесного хозяйства, в
задачу которого входит получение семян лесных пород с ценными наследственными
свойствами и высокими посевными качествами, обеспечение их длительного хранения
и рационального использования для лесовосстановления и лесоразведения.
В данном дипломной работе были отражены основные моменты
сбора шишек сосны обыкновенной ее переработка и хранение. Так, исследования
показали, что в Семипалатинском филиале ГУ ГЛПР «Семей орманы» заготовку шишек
сосны ведут на лесосеменных участках. С растущих деревьев шишки обрывают
руками, отряхивают, обивают, с высоких деревьев очесывают. Для заготовки семян
считаю необходимым создание постоянной лесосеменной базы.
Семена сосны обыкновенной как и большинства хвойных пород
извлекают из шишек в шишкосушилках, где под влиянием повышенной температуры
происходит интенсивное испарение влаги из шишек (при удалении окружающего
увлажненного воздуха), чешуйки шишек, теряя влагу, изгибаются и шишки
вследствие этого раскрываются.
Повышение температуры воздуха при сушке ускоряет процесс
сушки, однако значительное повышение, особенно в сочетании с высокой влажностью
шишек и воздуха в сушилке, отрицательно сказывается на качестве семян. Поэтому
влажность шишек предварительным подсушиванием при невысоких температурах
доводят до 20—25%, а затем проводят сушку при более высоких температурах: шишек
сосны до 55 - 60° С. Предварительная подсушка значительно сокращает срок сушки.
Для сушки шишек применяют шишкосушилки барабанного типа. Семена некоторых видов
хвойных деревьев плохо отделяются от шишек при сушке шишек в шишкосушилках, что
объясняется большой смолистостью шишек и особенностями их строения. В этих
случаях применяют механическую обработку шишек.
Семена сосны обыкновенной могут храниться без заметного
снижения всхожести семян в течение 4—6 лет. Хранят семена в специальных
помещениях (складах) с дощатым полом, в таре с
герметической крышкой. Для измерения влажности семян в бутыль кладут
дополнительно и кобальтовую бумагу.
Было установлено, что жизнеспособность семян в процессе
хранения несколько снижается. Происходит это в первую очередь из-за того, что в
семенах при хранении продолжается процесс дыхания, на которое расходуются
энергетические вещества семян.
Выводы и предложения
1) В Прииртышье сосна обыкновенная одна из самых
распространенных пород деревьев, которая отличается своей устойчивостью и периодом
плодоношением, причем плодоношение зависит от погодных условий;
2) Семена в шишках созревают осенью на второй год после
цветения, но раскрывание шишек и опад семян происходит в марте – апреле;
3) Масса 1000 шт. семян весит 9-10 г, нередко 12 г. В пределах одного лесорастительного района масса семян в разных типах леса
неодинакова. Более стабильный вес имеют семена черной окраски;
4) Заготовку шишек сосны ведут на временных лесосеменных
участках в филиалах ГУ ГЛПР «Семей орманы». С растущих деревьев шишки обрывают
руками, отряхивают, обивают, с использованием специальных приспособлений;
5) Для сбора шишек с высоких деревьев используют механические
лестницы и древолазные устройства, а также возможно использование специальных
мобильных подъемников;
6) Семена извлекают в шишкосушилках при температуре 50-60°С,
обескрыливают и отвеивают. Шишки ранних сборов выдерживают до переработки 1-2
месяца в хорошо проветриваемых помещениях, слоем до 50 см, периодический
перемешивая;
7) Семена хранят в специальных стеклянных бутылях с
герметической пробкой 5-6 лет с рекомендуемой влажностью 6-7%, при наличии
кобальтовой бумаги.
Список
использованной литературы
1.Сосна. А.В.Побединский,
Москва, “Лесная промышленность”,1979. 2. Леса СССР. Леса Казахстана,
среднеазиатских республик и юго-востока европейской части СССР. Том 5. Изд-во
«Наука». М. 1970.
3. П.Л. Богданов
Дендрология (учебник). – М., Лесная промышленность, 1974.
4.С.В. Белов Лесоводство,
Москва, «Лесная промышленность», 1983 год
5. М.Е.Ткаченко Общее
лесоводство Гослесбумиздат, Москва, 1955,
6. В.Г. Атрохин, Е.Д.
Солодухин
Лесная хрестоматия,
Москва, Лесная промышленность, 1988
7. Гроздев Б.В. Дендрология. –М., Лесная промышленность,
1962, 320с.
8. Деревья и кустарники СССР (под редакцией профессора С.Я.
Соколова), т.1,2,3. – М; Л., АН СССР 1949 –1962.
9. Жизнь растений. Т. 4-6, -М., Просвещение, 1978-1988.
10. Мушегян А.М. Деревья и кустарники Казахстана. Кайнар,
Алма-Ата, част-1, -1962, часть-2 – 1966.
11. Бессчетнов П.П., Мальцев С.Н. –Редкие и ценные растения
Казахстана. Алма-Ата.Кайнар, 1981, 224с.
12. Колесников А.И. Декоративная дендрология. –М., Лесная
промышленность, 1074, 703с.
13. Бруно П., Кремер. Деревья. – М., «Астрель», 2002.
А.Л. Михайличенко, Ф.П. Садовничий
14. Эфирные масла сосны.
А.И.Чернодубов, Р.И.Дерюжкин, “Издательство Воронежского университета”,1990.
15. Древесиноведение с основами
лесного товароведения. Б.Н. Уголев, Москва,
“Лесная промышленность”,1986.
16. Инструкция по
организации и производству геологосъемочных работ и составлению Государственной
геологической карты СССР масштаба 1:50000 (1:25000). Л. 1986.
17. Казанцев М.И.
Природные богатства Восточного Казахстана. Г. Усть-Каменогорск. 1960.
18.Древесина и лесное
товароведениею. А.А.Михайличенко, Ф.П.Садовничнй.
19. Методические
рекомендации. Развитие национальных парков и охраняемых природных территорий в
туристских целях. Туризм и окружающая среда. Серия технических докладов №
13.1992.
20. Основные положения
организаций и развития лесного хозяйства Восточно-Казахстанской области.
Алма-Ата. 1971.
21. Природные условия и
естественные ресурсы Восточного Казахстана. Алма-Ата. Наука, 1978.
22. Реймерс Н.Ф. Особо
охраняемые природные территории. Мысль, 1978.
23. Рекреационное
использование территорий и охрана лесов. М. Лесная промышленность,1980.
24. Соколов А.А. Общие
особенности почвообразования и почв Восточного Казахстана. Алма-Ата. Наука,
1977.
25. Древесиноведение с основами
лесного товароведения,
Москва, «Лесная промышленность», 1988
год
26. Шелгунова Ю.В. Технология и организация лесопользования,
Москва, «Лесная промышленность», 1980 год.
27. Зябловский Е. Ф. Основа лесоводства Москва, «Лесная промышленность»,
1987 год.
Приложение
Приложение 1
Техника
безопасности при сборе плодов и шишек. Требования безопасности перед началом
работы
До
начала работ бригадиру (звеньевому) проверить совместно с мастером выполнение
указаний по способам и порядку выполнения работ с учетом требований
безопасности (ограждение специальных зон, соблюдение безопасных расстояний,
уклонов и т.д.), предусмотренных технологической картой, с которой бригада
(звено) знакомятся до начала работ. Без разрешения мастера не изменять
установленного порядка и способа ведения работ. Убедиться в исправности
лестниц, стремянок, используемых для сбора шишек и плодов с растущих деревьев:
лестницы
должны иметь устройства, предотвращающие их сдвиг и опрокидывание, лестницы
длиной более 3 метров должны иметь не менее 2-х стяжных болтов, расположенных
под ступенями;
концы
лестниц оковываются острыми металлическими наконечниками, верхние ступеньки
обшиваются войлоком, расстояние между ступенями 15-25 см.
Для
сбора семян и шишек на высоте более 5 м используются лазы или гидроподъемники.
До
начала работ проверить исправность лазов и вспомогательного оборудования
(страховочные пояса).
Подъемники
должны обеспечивать:
проходимость
и устойчивость при работе и переездах, предельно допустимый поперечный угол
наклона подъемника с поднятым сборщиком должен быть не более 5 градусов;
надежную
фиксацию корзины в поднятом положении, исключение возможности падения корзины;
фиксирование
дверей корзины для входа и выхода из нее сборщика;
корзина
должна иметь ограждение высотой не менее 1,2 м, обеспечивающее защиту сборщика
от удара ветвей;
корзины
подъемников оборудуются звуковой сигнализацией — проверить исправность всего
этого оборудования.
Требования
безопасности во время работы
Сбор
семян и шишек должен производиться бригадами (звеньями) в составе не менее 2-х
человек, один из них назначается старшим.
Перед
сбором семян и шишек с растущего дерева убедиться в его устойчивости, при сборе
не выходить из корзины, постоянно страховаться предусмотренным способом и проявлять
осторожность и осмотрительность при работе на высоте.
Не
допускать сбора семян и шишек: с опасных деревьев (зависших, с поврежденной
корневой системой, с гнилью, подпиленных и т.д.); с приземленных деревьев,
находясь на их стволах, в опасной зоне валки леса, ближе 50 м от сбрасываемой
пачки со щита трактора, одновременно с обрубкой (обрезкой) сучьев; в зоне
погрузочных работ, с приземленных деревьев на склоне без их привязки, с
деревьев, приземленных и расположенных вдоль склона крутизной более 20 градусов
и поперек склона крутизной более 15 градусов.
Лестницы
и стремянки должны обеспечивать безопасность работы на высоте. Недопустимо для
этих целей подкладывать доски, камни, ветки. Обязательно иметь на концах
лестниц металлические упоры. Нельзя работать на одной стремянке сразу двоим
рабочим.
Требования
безопасности в аварийных ситуациях
Сбор
семян, шишек, плодов с растущих деревьев прекращается во время дождя и после
него (до высыхания ствола), при обледенении стволов, в снегопад, туман, при
скорости ветра более 6,5 м/с. Во время грозы приостановить работу, занять
безопасное место на поляне, участке лиственного молодняка, между деревьями,
растущими на расстоянии 20 м друг от друга, в горах и холмистой местности ближе
к середине склона, по возможности расположиться на изолирующем материале (сухой
валежник, мох, береста), удалить от себя металлические предметы, машины и
механизмы. Запрещается во время грозы: находиться в движении, на вершине горы,
холма, опушке леса; останавливаться у ручьев, рек, озер; прятаться под отдельно
стоящими деревьями, скалами, камнями, прислоняться к ним; стоять возле и под
ЛЭП, у триангуляционных знаков, других вышек и знаков, располагаться ближе 10м
от машин и механизмов.
При
возгорании леса принять меры к тушению пожара собственными силами, при
возможности дать информацию в лесхоз, лесничество либо иную организацию,
предприятие либо населению. При невозможности затушить пожар и угрозе для
жизни—принять меры личной безопасности и покинуть место возгорания. Аналогичным
образом поступить при любой иной опасности (экологической, стихийном бедствии,
радиационной, химической опасности), угрожающей жизни людей.
При
несчастном случае оказать пострадавшему доврачебную помощь, при необходимости
принять к доставке его в медицинское учреждение, о происшествии сообщить
руководителю работ, по возможности сохранить обстановку происшествия.
Требования
безопасности по окончании работы
Очистить,
привести в порядок инструмент, оборудование, поместить их на хранение в
отведенные места. Снять обмундирование, спецодежду и обувь, очистить и
освободить их от пыли, поместить их на хранение. Убедиться в отсутствии
энцефалитного клеща, при наличии—удалить.
Выполнить
гигиенические процедуры, при работе в зоне радиационного загрязнения выполнить
предписанные процедуры. О всех замечаниях по работе сообщить должностному лицу
и занести замечания в журнал административно-общественного контроля по охране
труда. Загасить костры и присыпать их почвой.
Приложение 2
Машины и устройства для сбора и обработки семян
Подъемник для сбора шишек ПСШ поднимает двух рабочих в крону
дерева на высоту до 8,5 м с целью сбора шишек на плантациях. Он смонтирован на
гусеничном тракторе ДТ-75М и состоит из колонны 2, гидроцилиндра подъема плеча
3, стрелы 4, гидроцилиндра управления люльками 5, рукояти 7, и механизма 8
раздвижения люлек (корзин) 6.
Виброустановка ВСО-1 отряхивает орехи грецкие (и другие подобные плоды) с
растущих деревьев в период растрескивания околоплодника, когда максимальная
сила связи плодов с ветвями не превышает 1—1,5 кг при влажности плодоножки не
более 10—15%. Виброустановку навешивают на тракторы различных марок. Она
состоит из рамы 2 с навесным устройством, стрелы 3 со штангой 4, гидравлического
привода 5, подвесного устройства 6
и вибратора 7.
Шишкосушилка стационарная
Семсочистительная машина
МЮС-1А
Обескрыливает семена хвойных и лиственных пород, извлекает их
из сережек, стручков, коробочек и ягод, а также очищает семена от примесей,
сортирует их по размерам и массе. Она состоит из электромотора 1, вентилятора
2, заслонки 3, осадочной камеры 4, вертикального канала 5 воздушной очистки,
заслонки приемного бункера б, загрузочного бункера 7, ворошилки 8, заслонки
приемного бункера 9, барабана обескрыливателя 10, клиноременной передачи 11
привода вала обескрыливателя и цилиндрического барабана, приемных бункеров 14 и
15, ворошилки 16, семесбор-ника обескрыленных и неочищенных.семян 19 и решет
барабана 20, 21 и 22. предназначенные для очистки и сортирования семена из
бункера 7 поступают в барабан 10 обескрыливателя через отверстие,
Машина для извлечения семян МИС-1

Состоит из барабана наружного неподвижного 13, внутреннего
подвижного 14 с вертикальным валом, загрузочного бункера 15 для исходного
материала, в котором также размещен редуктор 16 для привода внутреннего
барабана; решетного устройства 17. Все части машины смонтированы на станине 18.