Курсовая работа: Механизация доения крупного рогатого скота
ВГСХА
Кафедра ТЭО
Курсовая работа
Тема:
«Механизация доения
крупного рогатого скота»
Киров 2009
1.
Обоснование темы
Существуют
три способа доения коров: естественный — сосание вымени теленком, ручной —
выжимание молока из вымени руками дояра, машинный — отсасывание или выжимание
молока доильным аппаратом.
Машинное
доение облегчает труд операторов и повышает производительность, позволяет
получить чистое, доброкачественное молоко при низкой его себестоимости. В
процессе машинного доения реализуются две задачи: обеспечение припуска молока
(молокоотдача) животным и извлечение молока из вымени (выдаивание).
Молокоотдача
возникает вследствие непрерывного раздражения рецепторных зон сосков и вымени и
в результате действия внешних раздражителей на нервную систему животного через
зрительный, слуховой, обонятельный и другие анализаторы. Время от начала воздействия
на вымя при подготовке коровы к доению до активного припуска составляет около
45 с. Продолжительность молокоотдачи животным составляет 3...4 мин, после чего
наступают спад и полное ее прекращение. Поэтому перед машинным доением
обязательно проводят: подготовительные операции — обмывание вымени теплой
водой, обтирание его и массаж, сдаивание первых струек молока, включение
аппарата в работу и надевание доильных стаканов на соски; основную операцию —
собственно машинное доение с машинным додаиванием; заключительные операции —
отключение аппарата и снятие доильных стаканов с вымени.
Основные
зоотехнические требования, предъявляемые к технологий машинного доения и
обусловленные физиологией животного, следующие. Нельзя начинать доение, если
корова не припустила молоко. Все подготовительные операции на вымени должны
быть проведены в течение 45...60 с. Выдаивание должно быть выполнено за 4...6
мин со скоростью доения 2...3 л/мин. При этом необходимо обеспечить полный
отвод молока из-под сосков в период наибольшего выдаивания. Следует обеспечить
полное машинное доение всех коров без применения ручного додоя и исключить
вредное влияние аппарата на вымя и состояние животного, возникающее особенно
при передержках доильных стаканов на сосках и приводящее к заболеванию
маститом.
Выпускаемые
промышленностью доильные установки в основном удовлетворяют перечисленным
требованиям. При правильном использовании они обеспечивают достаточно полное
выдаивание и безопасны для коровы.
2. Обзор и
анализ существующих способов и схем доения
Доильная
установка — одна из наиболее сложных машин в сельском хозяйстве. По многим
технико-экономическим показателям (стоимости, металлоемкости, производительности
и другое) она превосходит такие машины, как самоходные зерноуборочные комбайны
или мощные тракторы.
В зависимости
от принятой технологии содержания животных и организации машинного доения
доильные агрегаты и установки можно условно разделить на три типа: стационарные
агрегаты и установки для доения в стойлах, стационарные установки станочного
типа для доения в специальных помещениях, передвижные установки для доения
коров на пастбищах.
К агрегатам и
установкам первого типа относятся АД-100А, ДАС-2Б (со сбором молока в доильные
ведра), АДМ-8, «Импульс» М-620 (со сбором молока в молокопровод). Для доения в
специальных помещениях предназначены установки «Тандем» УДТ-6, УДТ-8 с
последовательно расположенными станками; установки «Елочка» УДЕ-8, УДЕ-8А с
групповыми станками, конвейерные доильные установки с последовательным и косым
расположением станков. Эти же установки выпускаются в автоматизированном
варианте УДА-8, УДА-16, где предусмотрено автоматическое выполнение машинного додаивания
и снятия доильных аппаратов после окончания выдаивания коровы. При доении коров
на пастбищах используют установку УДС-ЗА. В настоящее время промышленностью
также осваивается производство конвейерных доильных установок «Карусель» УДА-100.
Кроме отечественных доильных установок, в хозяйствах нашей страны нашли
применение импортные доильные установки производства ГДР.
По данным
задания нам нужны доильные установки с трехтактными доильными аппаратами, таким
образом, нам подходят доильные установки АД-100А и УДС-3А.
АД-100А. Эти
агрегаты непроизводительны, большую часть времени доярка расходует на переходы
от одной коровы к другой, подключение и отключение аппаратов и на транспортировку
ведер с молоком.
Кроме того,
по свидетельству некоторых ученых, на линейных агрегатах у коров не возбуждается
полноценный рефлекс молокоотдачи. Это объясняется тем, что животные находятся в
одном помещении и, когда начинается дойка, внешние раздражители (шум работающих
доильных аппаратов, вид и запах доярки и другое) воздействуют на всех животных
одновременно, хотя и не в равной степени. У некоторых коров рефлекс
молокоотдачи наступает преждевременно, что резко снижает эффективность доения
таких животных.
Узлы и
оборудование агрегата следующие: десять доильных аппаратов «Волга» (включая два
запасных), вакуумный трубопровод с кранами, арматурой, фитингами и приборами
для контроля и регулирования величины вакуума, вакуумная установка УВУ-45/60,
стенд для циркуляционной промывки доильных аппаратов и крышек ведер, тележки
для перевозки бидонов, шкаф для хранения запасных и сменных частей, набор ершей
для чистки доильных аппаратов и запасных частей.
Эффективность
эксплуатации любой доильной установки в значительной степени зависит от доильного
аппарата. Неудовлетворительная работа последнего может привести к заболеванию
вымени и к снижению продуктивности животного. Вакуумная система доильного
агрегата обеспечивает разрежение в доильных аппаратах и установке для промывки
и дезинфекции их. Она состоит из вакуум-проводов, изготовленных из оцинкованных
стальных труб, фитингов и арматуры, вакуум-баллона, вакуум-регулятора и
вакуумметров. Разрежение в вакуумной системе создается вакуумной установкой,
состоящей из ротационного пластинчатого вакуумного насоса и приводного
электродвигателя.
В настоящее
время все доильные агрегаты АД-100А с переносными аппаратами комплектуются
устройствами для их циркуляционной промывки, применение которых дает
возможность использовать аппараты без разборки 20—30 дней.
Установка для
циркуляционной промывки аппаратов (моечный стенд) состоит из следующих основных
узлов и деталей: рамы с крючками для подвешивания доильных аппаратов,
резервуара для моющей жидкости, опорожнителя для всасывания и слива моющей
жидкости, пульсоусилителя для периодического переключения цилиндров
опорожнителя с атмосферы на вакуум, воронок для крепления и промывки крышек
доильных ведер и коллекторного трубопровода со шлангами для сбора моющей
жидкости от аппаратов. Для промывки крышек любой конструкции на дне воронки
имеется упор, который поднимает обратный клапан крышек трехтактных аппаратов и
не мешает промывке крышек двухтактных аппаратов.
Принцип
циркуляционной промывки аппаратов заключается в том, что вода или раствор под
действием вакуума из резервуара засасывается доильными стаканами, циркулирует
по шлангам, крышкам, коллекторному трубопроводу и через опорожнитель снова
сливается в резервуар.
После
окончания доения каждая доярка устанавливает свои аппараты на моечном стенде,
предварительно обмыв их горячей водой. Крышки ведер вставляют в воронки,
доильные стаканы опускают в ванну, а свободный конец вакуумного шланга надевают
на заглушку под воронкой.
В ванну
заливают 40—50 л теплой воды температурой 30—35° и устанавливают лоток для
слива воды наружу. После этого включают вакуум, под действием которого крышки
присасываются к воронкам, при этом происходит ополаскивание аппаратов.
Загрязненная вода сливается в канализацию. После выпуска всей воды снимают
лоток, в ванну заливают 30—40 л 0,5-процентного моющего раствора температурой
70—80° и включают стенд на циркуляционную промывку, которая продолжается 10
мин. Во время циркуляционной промывки аппаратов можно проводить другую работу
на ферме. После циркуляционной мойки аппаратов загрязненный раствор выпускают,
а в ванну заливают 40—50 л горячей воды, которая во время 3—5-минутной
циркуляции ополаскивает аппараты от остатков моющего раствора. После слива
через лоток загрязненной воды отключают стенд от вакуум-провода и выключают
вакуум-насос.
Дезинфекцию
проводят один раз в день в течение 5—6 мин циркуляционным способом,
дезинфицирующим раствором температурой 50—60°. Если дезинфекция проводится
сразу после дойки, то промывать аппараты моющим раствором не нужно.

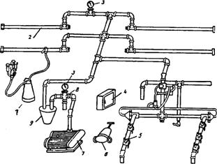
1 — рама; 2 —
резервуар; 3 — опорожнитель; 4 — пульсоусилителъ; 5 — воронка; 6 — крышка доильного
аппарата; 7 — шланг; 8 — коллекторный трубопровод.
Рисунок
1-Установка для циркуляционной промывки доильных аппаратов «Волга»
Доильная установка
типа УДС-ЗА с параллельно-проходными станками отличается универсальностью. Ее
можно использовать в помещении коровника, в отдельном доильном зале, а также в
летнем лагере или на пастбище. Кроме того, все оборудование установки, за
исключением станков, можно использовать зимой при обычном, доении в стойлах, а
летом монтировать его на доильные станки и возить на пастбища.
Установка
состоит из вакуумного агрегата, восьми расположенных параллельно станков,
оборудованных кормушками с дозаторами, и молочной линии, куда входят доильные
аппараты, охладитель, молочные насосы и танк. В новых установках марки УДС-ЗА
есть молокопровод, мерные цилиндры и устройство для циркуляционной промывки
молочной линии.
Вакуумный
силовой агрегат может работать в помещении от электродвигателя, а на пастбище —
от бензодвигателя марки ЗИД-4,5. В комплект установки включен агрегат для водоснабжения
с котлом и водяным баком.
Вакуумный,
молочный и моечный трубопроводы расположены над задней частью доильных станков.
В летний период сверху станки прикрывают тентом. Установка снабжена также
специальным ящиком для хранения льда, который используют для охлаждения молока
на пастбищах.
Все
оборудование установки работает примерно так же, как и на других установках с молокопроводом.
Несколько отличается процесс доения коров.
В станки
подготовленной к работе установки впускают по одной или сразу восемь коров. Для
этого задние дуги станков поднимают вверх, а передние дверцы закрывают. После
того как животные войдут в станки, дуги опускают, и коровы оказываются
зафиксированными каждая в своем станке. После выдачи концентратов из бункеров-дозаторов,
что делается с рабочего места доярки путем поворота рычагов, приступают к
доению. По мере выдаивания коров выпускают, а на их место впускают других.
Таким образом, на этой установке имеет место поточный процесс доения с меньшим
временем простоя доильных аппаратов.
Работа на
установке позволяет учитывать индивидуальные особенности каждого животного.
Если корова медленно отдает молоко, она может стоять в станке дольше других, пока
не выдоится полностью.
В связи с
широким применением доильных установок УДС-3 в различных зонах и повышающимся
просом на этот агрегат в последнюю модель установки внесен ряд усовершенствований,
улучшающих эксплуатационные качества.
Вакуумный
насос соединен с электродвигателем бензиновым двигателем центробежными муфтами,
что позволяет быстро переключить привод с электрического на бензиновый
двигатель и наоборот.
Специальный
клапан, установленный между охладителем и молочным насосом, предотвращает
возможность засасывания молока или моющего раствора в вакуумную систему. Улучшена
конструкция охладителя — увеличена его рабочая поверхность. Значительно усовершенствована
молочная линия. Вместо алюминиевого предусмотрен прозрачный молокопровод с
мерными цилиндрами для учета надоев молока от каждой коровы. Цилиндры,
выполненные из термостойкого стекла, попарно укрепляются на общей плите,
расположенной между двумя доильными станками. Распределительное корыто, установленное
над верхней крышкой, направляет молоко ми моющий раствор на стенки цилиндра,
благодаря, чему молоко не вспенивается при доении, а при циркуляционной
промывке стенки цилиндра хорошо очищаются от остатков молока и жира.
Установка
снабжена мощными водяным и молочным насосами и алюминиевым молочным танком на 600
л с двойными стенками и теплоизоляцией между ними. В систему водоснабжения
установки включены трубопровод, насос-смеситель, работающий от вакуума, и
четыре распылителя, что обеспечивает эффективное обмывание вымени теплой водой.
Доильные станки оборудованы системой электроосвещения, введена также
дополнительная подсветка вымени животных.
С доильными
установками АД-100А и УДС-3А используются доильные аппараты «Волга», у которого
цикл работы состоит из тактов сосания, сжатия и отдыха.
Во время
такта сосания под соском и в межстенном пространстве доильного стакана образуется
вакуум — происходит высасывание молока. Этот такт должен быть
непродолжительным, чтобы в соске не задерживалась кровь и не нарушалось
кровообращение в вымени. После такта сосания в межстенное пространство стакана
поступает атмосферный воздух, который сжимает сосковую резину — происходит такт
сжатия и массаж соска. И все-таки такта сжатия недостаточно для полного восстановления
физиологических функций соска, потому что кончик соска всегда находится под действием
вакуума. Поэтому в трехтактном аппарате введен еще один такт — отдых, во время
которого как в межстенное, так и в подсосковое пространство поступает
атмосферный воздух. Чередование тактов происходит благодаря взаимосвязанной
работе пульсатора и коллектора доильного аппарата.
Доильный аппарат
состоит из трех основных узлов — пульсатора, коллектора и доильных стаканов,
соединенных шлангами и патрубками.
Пульсатор
доильного аппарата преобразует постоянный вакуум в переменный.
Коллектор
аппарата предназначен для сбора молока во время доения, передачи его по молочному
шлангу в ведро или в молокопровод. Доильные стаканы выводят молоко из вымени.
Любой доильный аппарат можно подключать к молокопроводу доильной установки или
к переносному ведру. Характеристика доильного аппарата «Волга» приведена в таблице
1.
Таблица
1-Техническая характеристика доильного аппарата «Волга»
| Соотношение тактов, % |
Число пульсов в минуту |
Величина рабочего
вакуума (мм кПа рт. ст.). |
|
Сосание—60
Сжатие—10
Отдых-60
|
60 |
50,6—53,2
380—400
|

1 — ведро; 2
— крышка ведра; 3 — пульсатор; 4—зажим молочного шланга; 5—воздушный шланг; 6 —
молочный шланг; 7—коллектор; 8—вакуумный патрубок; 9—молочный патрубок; 10 —
соединительное кольцо; 11 — сосковая резина; 12 — гильза стакана; 13 — доильные
стаканы;
Рисунок 2-
Доильный аппарат «Волга»
3. Выбор
конкретной схемы
По заданию
доение производится при привязном содержании трехтактном доильным аппаратом, то
есть нам подходит доильная установка АД-100А, технологическая схема которой
изображена на рисунке 3.

1 - доильный
аппарат, 2 – вакуум-провод; 3 – вакуумметры; 4-шкаф запасных частей; 5 -
устройство для промывки доильных аппаратов; 6 - тележка для перевозки фляг, 7 -
вакуум-насос; 8 вакуум-регулятор; 9 – вакуум-балон.
Рисунок 3 -
Доильная установка со сбором молока в ведра
4.
Технологический расчет и подбор машин для организации работ
По условиям у
нас дано:
-поголовье
доильных коров на ферме m=400гол.
-время
машинного доения tm=4 мин;
-время ручных
операций tp=2мин.; сюда вхоят tп, tо, tн, tд, tс,
то есть tp=
tп+tо+tн+ tд+ tс= 2 мин.
-время доения
одного животного (время цикла) t=6 мин.; сюда входят tп, tо, tн, tд, tс,
то есть tp=
tп+tо+tн+ tд+ tс= 6мин.;
Количество
доильных аппаратов Аф, потребное для обслуживания всего поголовья дойных коров
на ферме, определяется по формуле

где
m-количество дойных дней не ферме, гол.; m=400гол.;
t-среднее
время доения одного животного, мин. (время цикла);
t=6 мин.;
Тд - общая
продолжительность дойки, мин.; Тд=90…135мин.; принимаем Тд=100 мин.
Тогда
.
Оптимальное
количество аппаратов Ао, с которым может работать один дояр без простоев, можно
определить, если допускать, что все ручные операции выполняются им за время tp,
кратное времени полного рабочего цикла (времени доения t одного животного).
Тогда
Число дояров
Л, необходимое для обслуживания указанного поголовья, определяется по формуле
дояров.
Пропускная
способность W доильной установки за время Тд=100 мин. (на одного дояра)
определяется по формуле


коров.
Тогда общая
пропускная способность доильной установки W общ на тринадцать дояров (Л=8дояров)
будет равна
W общ=
W*Л=48*8=384 коровы.
Далее часовая
производительность доильной установки Wду (при работе восьми дояров)
определяется из выражения
коров/ч,
где 60 -
число минут в одном часе.
Часовая
производительность Wд одного дояра определяется по формуле
≈29
коров / ч.
Далее зная по
расчетам:
- количество
доильных аппаратов Аф=24 аппарата;
- оптимальное
количество доильных аппаратов для одного дояра Ао =3 аппарата;
- число дояров,
необходимых для обслуживания всего поголовья Л=8;
- часовую
производительность доильной установки Wду =230 коров/ч,
а также руководствуясь
технологическими возможностями особенностями доильного оборудования выбираем
необходимое количество доильных установок (комплектов доильных установок).
Для данного
расчетного примера можно выбрать АД-100А, имеющий по технической характеристике
следующие показатели:
-
обслуживаемое поголовье (коровы) 100 гол.;
- обслуживающий
персонал (дояры) 3 чел.;
- количество
доильных аппаратов (включая, запасные) 10 шт.;
- установка
укомплектована трехтактном доильным аппаратом «Волга»;
- установка
укомплектована вакуумной установка УВУ 45 общей производительностью 45 м3/ч, мощностью
вакуумной установки 3кВт.
Для выдаивания
всего стада (400 гол.) в принятое время доения (100 мин.) необходимо четыре
комплекта АД-100А.
Для подбора
оборудования у нас есть следующие данные:
- ферма
крупного рогатого скота с поголовьем m=400гол.;
-
среднегодовой надой на корову Qср. год=4900 л/год;
- доение
производится АД-100А;
- доение на
ферме двухразовое; утренняя дойка начинается с5 ч 20мин и заканчивается в 7 часов
утра. Вечерняя с 17 ч 20мин. до 19 часов.
Определяем
средний суточный удой по формуле

где Qсут. ср
- средний суточный удой на ферме, л/сут.;
m -
количество коров на ферме, m = 400 гол.;
Qср. год
-среднегодовой удой на корову, Qср. год 4900 л/год;
365 -
количество дней в году.
л/сут
Максимальный
суточный удой суточной неравномерности н находится из выражения
α,
Qсут. мах -
максимальный суточный удой на ферме, л/сут.;
α - коэффициент
суточной неравномерности удоя, а = 1,5...2,5; принимаем α,= 2,0.
Тогда
Qсут. мах = 5369,86*
2,0 = 10739,72 л/сут.
Суточный удой
на ферме поступает неравномерно. Зоотехниками определено, что при двухразовом
доении утром поступает примерно 60% суточного удоя, а в вечернюю донку 40%
уточного удоя. Далее для подбора оборудования необходимо определить разовый
удой (утреней, вечерний). Он учитывается коэффициентом неравномерности поступления
молока и определяется по формуле
Qраз= Qсут.
мах*β,
где Qраз -
разовый удой молока на ферме (утренний, вечерний), л;
β -
коэффициент неравномерности поступления молока в течение суток,

Β1 = 0,6
и β2 = 0,4 (при двухразовой донке);
Qраз.утр =
Qсут. мах*β1,
где Qраз.утр-
утренний удой молока на ферме. Л
β1
- коэффициент неравномерности поступления молока на утренней дойки, β1=0,4.
Тогда
Qраз.утр =10739,72
*0,6 =6443,83 л..
Далее определяем:
Qраз.веч. =
Qсут. мах*β2,
Qраз.веч. -
вечерний удой на ферме, л;
β2
- коэффициент неравномерности поступления молока с вечерней дойки, β2=
0,4,
Тогда Qраз.веч.=10739,72*0,4=4295,88
л.
После
расчетов имеем следующие цифры
Qсут. мах =
10739,72 л/сут,
Qраз.утр
=6443,83 л.,
Qраз.веч=4295,88
л.
В последующих
расчетах по максимальной производительности определяем необходимые параметры
машин технологической линии, подбираем машины по каталогу (справочнику) и пересчитывают
работу машин на фактическое время по формуле
,
где Qмах.птл -
максимальное расчетное количество продукта, подлежащего обработке на поточной
технологической линии (или на машине) л;
Qмаш- производительность
вакуум-насоса доильной установки АД-100А, л/ч;
Тф - фактическое
время работы линии (или машины), ч.
ч.,
то есть
установка АД-100А утром работает 0,14ч.=8,4мин.
Тогда
вечером:
ч.,
то есть
0,095ч =5,7мин.
5.
Энергетический расчет
Робщ=
Росв+Рнас,
Робщ - общая
установленная мощность оборудования в молочной (включая освещение), кВт;
Росв -
установленная мощность освещения, кВт;
Росв=qосв*S
где qосв - удельная
величина освещения помещения, Вт/м2; qосв = 4 Вт/м2;
S - площадь
молочной, м.
Площадь
определяется умножением площади, занимаемой машинами и механизмами S ', на
коэффициент увеличения площади к; к =3... 5; принимаем к =5;
Тогда
S = S '*к =
62*5=310 м2,
где S ' = 62 м2-
площадь, занимаемая машинами, схема которой представлена на рисунке 3.
Тогда
Росв =4*310=
1240 Вт = 1,24 кВт.
Рнас -
установленная мощность четырех вакуум-насосов УВУ-45 доильных установок
АД-100А.
Рнас =4*3
=12кВт.
Тогда
Робщ=1,24+12
=13,24 кВт
Далее находим
общий расход электроэнергии по формуле
Wобщ=Росв*tосв+Рнас*tнас,
где Wобщ
–общий расход электроэнергии за сутки, кВт*ч;
tосв- время
работы освещения, ч. tосв= tосв(утр)+ tосв(веч),
где
tосв(утр)- время работы освещения в утреннюю дойку, tосв(утр) =3ч.;
tосв(веч)
-время работы освещения в вечернюю дойку, tосв(веч)=3ч.;
тогда tосв =3+3=6
ч;
tнас- время
работы вакуум-насосов УВУ-45 доильных установок АД-100А,ч.
tнас=
tнас(утр)+ tнас(веч);
где
tнас(утр)- время работы вакуум-насосов УВУ-45 доильных установок АД-100А утреннюю
дойку, tнас(утр)=1 ч. 40мин;
tнас(веч)-
время работы вакуум-насосов УВУ-45 доильных установок АД-100А вечернюю дойку,
tнас(веч)= 1 ч. 40мин.;
Тогда
tнас=1 ч.
40мин+1 ч. 40мин=3ч.20 мин.=3,3 ч.
Долее
подставляем расчетные данные и находим общий расход электроэнергии
Wобщ=1,24*6+12*3,3=47,04
кВт*ч.
6. График
работы оборудования и график установленных мощностей
Таблица 2-
Время работы оборудования
| Оборудование (марка) |
Время работы |
| утром |
вечером |
| начало |
конец |
начало |
конец |
| Освещение |
5 ч |
8 ч |
17 ч |
20 ч |
| УВУ-45(1) |
5ч 20 мин |
7 ч |
17 ч 20 мин |
19 ч |
| УВУ-45(2) |
5ч 20 мин |
7 ч |
17 ч 20 мин |
19 ч |
| УВУ-45(3) |
5ч 20 мин |
7 ч |
17 ч 20 мин |
19 ч |
| УВУ-45(4) |
5ч 20 мин |
7 ч |
17 ч 20 мин |
19 ч |
Таблица 3- Данные
к графику установленных мощностей
| Обозначение позиций |
Технологическая
операция |
Марка машины |
Общее время работы t, ч
и мин |
Мощность Р, кВт |
| І |
Освещение |
лампы |
6 ч. или 360мин |
1,24 |
| ІІ |
Доение |
УВУ-45(1) |
3ч20мин или 200мин |
3 |
| ІІІ |
УВУ-45(2) |
3ч20мин или 200мин |
3 |
| ІV |
УВУ-45(3) |
3ч20мин или 200мин |
3 |
| V |
УВУ-45(4) |
3ч20мин или 200мин |
3 |
По данным
таблиц 2 и 3 строим график работы оборудования и график установленных
мощностей.
7.
Технико-экономические показатели, техника безопасности и противопожарные мероприятия
Технико-экономические
показатели
При оценке
мероприятиях связанных с внедрением средств механизации в животноводство
используются количественные и качественные показатели.
1)Количественные
показатели характеризуют уровень оснащения производственных процессов машинами
и другим:
а) объем
механизированных работ
б) уровень
механизации производственных процессов. Этот уровень характеризуется отношением
поголовья скота, которое обслуживается при помощи машин к общему поголовью
скота, %
,
где m1 -
поголовья скота, которое обслуживается при помощи машин;
m- общее
поголовье скота.

в) уровень
механизации фермы.
2)Качественные
показатели:
а) затраты
труда на обслуживание поголовье
,
где Tгол затраты
труда на голову, чел.ч;
Л- количество
людей, работающих на процессе;
t-время
работы этих людей, ч.;
m- поголовье,
гол.

.
б) затраты
труда на единицу произведенной продукции
,
где Тпр-
затраты труда на единицу произведенной продукции,
;
W- количество
произведенной продукции, т;W= 4900л/год
Количество
произведенной продукции из литров переводим в тонны (продуктивность * плотность
молока, которая равна 1,03 л/кг); W= 5,047т.
.
в) прямые
эксплуатационные издержки является основным показателем оценки экономической
эффективности средств механизации.
И=З+А+Рт.о.+Рт.р.(к.р.)+Сэ+Ст
И- прямые
эксплуатационные издержки,руб;
А-
амортизационные отчисления, руб;
З- зарплата
рабочих, 4000 руб*8=32000 руб.;
Рт.о. –
отчисление на техническое обслуживание, руб;
Рт.р.(к.р.) –
отчисления на текущий и капитальный ремонт, руб;
Сэ – затраты
на электроэнергию, руб;
Ст – затраты
на топливо-смазачные материалы. руб;
Х – затраты
на хранение.
,
где Б-
балансовая стоимость оборудования, руб;
а – процент
отчисления на амортизацию, а=20%.
Б=П*(1,1…1,3),
где П-
прейскурантная цена
Б=6000*1,2=7200руб.,
так как у нас четыре доильной установки АД-100А, то балансовую стоимость
оборудования умножаем на четыре, то есть Б=28800 руб.

,
где б-
процент отчисления на техническое обслуживание, б=35 %,

,
где в-
процент отчисления на текущий и капитальный ремонт, в=25%,

Сэ=Ц* Wобщ,
где Ц-цена
электроэнергии -стоймость 1 кВт.= 1,60 руб.
Сэ=47,04*1,60=75,26
руб.
Ст=Цт*Q,
где Цт- цена
топлива, Цт=20руб.,
Q- количество
израсходованного топлива, Q=0 руб.
Ст=20*0=0 руб

,
где Nгол- затраты
на одну голову,
;
0,56 руб/гол.
,
где Nm-
затраты на тонну, руб/т;
руб/т
Техника
безопасности и противопожарные мероприятия
Соблюдение
правил техники безопасности способствует надежной работе оборудования и
предотвращает несчастные случаи.
Правила
техники безопасности запрещают эксплуатировать оборудование не имеющих
защитного заземления электродвигателей. Опасно пользоваться оборудованием, если
открыты токонесущие части его электрических приборов, не защищенных вращающиеся
и движущиеся части оборудования.
Запрещается
эксплуатировать оборудование при неисправных приборах автоматики, прикасаться к
движущимися частям включенного в сеть агрегата независимо от того, находиться
он в работе или в состоянии автоматической остановки.
По окончании
работы на измельчительно-режущем оборудовании необходимо обесточить его,
очистить рабочее место, протереть сухой мягкой тканью. Запрещается использовать
для протирки легкоиспаряющиеся жидкости, такие как бензин, дихлорэтан и прочие.
К работе с
машинами и аппаратами допускают физически здоровых людей, прошедших медицинский
осмотр, изучивших устройство и правила эксплуатации машин. Все работники до
начала работы знакомятся с устройством, получают подробный инструктаж по
технике безопасности.
Запрещается
допускать к работе на машинах и аппаратах лиц моложе 18 лет, кормящих и
беременных женщин, а также лиц, не знакомых с правилами техники безопасности,
устройством и правилами обслуживания машин и механизмов.
На рабочем
месте нельзя принимать пищу, пить воду, курить. Для этого служит специально
отведенное место, расположенное на расстоянии не менее 100 м. Перед едой
необходимо снять спецодежду, вымыть руки, лицо и прополоскать рот.
Список
используемой литературы
1) Беляевский Ю.И.
Современная техника на молочных фермах и ее эксплуатация.- М.: Московский
рабочий,1985-с.164;
2) Велиток И.Г.
Технология машинного доения коров.- М.: Колос,1975-с.248;
3) Дерябин А., Брага
С.С., Бородулин Е.М. Учебник оператора по обслуживанию дойного стада.- М.: Колос,1982-с.256;
4) Карташов Л.П. Словарь
– справочник оператора машинного доения.- М.: Россеьхозиздат,1980-с.156;
5) Карташов Л.П., Чугунов
А.И., Аверкиев А.А. Механизация, электрификация и автоматизация
животноводства.- М.: Колос,1997-с.368;
6) Рощин П.М. Механизация
в животноводстве.- М.:Агропромиздат,1988-с.284.