Реферат: Зноси корпуса гідророзподільника
1. Стан
питання. Мета і задачі досліджень
1.1 Стан питання
У
сучасних тракторах і інших сільськогосподарських машинах багато гидрофіцированних
вузлів, агрегатів і систем. Від їх технічного стану багато в чому
залежать надійність і експлуатаційні показники техніки, а отже, велика увага повинна
приділятися своєчасному і правильному проведенню ремонту гідравлічних систем. Високоякісний
ремонт дозволяє підвищити надійність гідроагрегатів. Якість ремонту гідравлічних
систем визначає надійність трактора в цілому.
У той же час на долю
гідросистеми рульового управління падає до
16
% відмов від загальної їх кількості по трактору
в цілому. Середнє напрацювання на відмову є низьким і складає 260…463 мотогодин
[2]. Спостереження за роботою тракторів Т-150К в умовах експлуатації і аналіз отриманих
даних показує, що найбільша кількість відмов має клапан витрати, шланги і трубопроводи,
розподільник. Детальніша інформація про відмови гідросистеми рульового керування
трактора Т-150К надана у таблиці 1.1 додаток А
[15].
Метою
роботи є дослідження зносів корпуса (втулки) гідророзподільника, отже треба розглянути
конструктивні варіації цього вузла. Головними робочими одиницями гідророзподільника
є прецизійна пара втулка - золотник.
По
числу управляючих вікон і схемі управління навантаженням золотникові пари діляться
на одне, - двух- і чотирьохщілинні.
Однощілинні
золотникові пари є гідравлічним опором тільки в одному ланцюзі управління навантаженням,
за допомогою їх можна змінювати потужність (від нуля до максимуму), що підводиться
від джерела тиску до споживача, але не можна змінювати напрям потоку. Однощілинні
золотникові пари знаходять широке застосування в пристроях, регулюючих зміну перепаду
тиску або витрати (запобіжні, редукційні і інші клапани).
Двощілинні
золотникові пари застосовуються для регулювання потужності і управління потоком
рідини в одному ланцюзі навантаження наприклад, в одній порожнині управління диференціальним
циліндром для забезпечення зворотно-поступального руху такого циліндра потрібно
прикласти протидіючі сили (сили ваги, стиснення пружини від тиску рідини).
Чотирьохщілинні
золотникові пари дозволяють регулювати потужність і змінювати потік рідини в двох
ланцюгах управління навантаженням, наприклад, в двох порожнинах циліндра двосторонньої
дії. Вони можуть виконуватися з трьома і чотирма поясочками.
По
величині перекриття золотникові пари діляться на ідеальні, золотникові пари з позитивним
і негативним перекриттям.
Ідеальна
золотникова пара (рис. 1.1 а) має нульове перекриття робочого вікна (Δх=0).
Залежність витрати рідини Q через робоче вікно від ходу такої пари лінійна, без
зони нечутливості. Забезпечити нульове перекриття в золотникових парах важко.
Золотникові
пари з позитивним перекриттям (рис. 1.1 б) мають витратну характеристику із зоною
нечутливості, рівній величині перекриття Δх
робочого вікна. Такі пари забезпечують мінімальні витоки в нейтральному положенні
і технологічніші, ніж ідеальні.
Витратна
характеристика золотникової пари з негативним перекриттям (рис. 1.1 в) має злам
при ході, рівному величині перекриття без зони нечутливості.
Золотникові
пари виконуються циліндровими або плоскими. Золотники в них здійснюють поступальні
або обертальні переміщення що до корпусу.
Найбільш
широке застосування знаходять циліндрові золотникові пари. Вони прості по конструкції,
технологічні, мають малу вагу і габарити.

Рисунок
1.1 – Схеми золотникових пар і їх витратні характеристики залежно від величини перекриття
робочого вікна [2].
Основними
недоліками їх є значні витоки рідини по зазорах золотникової пари, збільшення зусилля
страгивання (можливо навіть заклинювання) після витримки пари під тиском або роботи
на забрудненій рідині. Золотник можна встановлювати в корпус що дозволяє виконати
його з мінімальними габаритами і вагою, або в запресовану гільзу, для підвищення
технологічності і ремонтнопридатності, застосовуються золотникові вузли зі вставними
ущільненими гільзами, а також гільзи з круглими і профільованими отворами замість
внутрішніх кільцевих канавок [2].
1.2 Характеристика об'єкту дослідження
1.2.1 Будова рульового механізму з розподільником
Рульовий
механізм, зібраний спільно з розподільником і запірним клапаном, служить для управління
поворотом трактора. Він прикріплений трьома болтами до кронштейна, встановленого
на правому лонжероні передньої напіврами трактора.

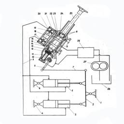
Рисунок
1.2 - Схема рульового управління
1
- вертикальний шарнір рами; 2 - поворотні важелі силових циліндрів; 3,5 - силові
поворотні циліндри; 4,6 - кронштейни кріплення силових циліндрів; 7 - тяга зворотного
зв'язку; 8 - сошки; 9 - трубопроводи; 10 - чавунний картер; 11 - сектор; 12 - черв’як;
13 - вал; 14,22 - упорні шайби; 15 - втулка золотника; 16 - золотник; 17,20 - грибкові
клапани запірного клапана; 18-плунжер запірного клапана; 19 - корпус запірного клапана;
21 - корпус розподільника (ГПК); 23 - верхня кришка; 24 - роликовий підшипник; 25-рульова
колонка; 26-клапан витрати; 27-шестерінчастий насос; 28 – бак.
У
чавунному картері 10 на двох циліндрових роликових підшипниках встановлений вал
13 рульового механізму. Циліндрові роликові підшипники дозволяє валу 13 спільно
з внутрішніми обоймами і роликами підшипників здійснювати обертальний рух і осьове
переміщення щодо зовнішніх обойм підшипників, зафіксованих в картері стопорними
кільцями.
На
шліцах нижньої частини валу встановлений двозахідний черв'як 12, який знаходиться
в постійному зачепленні з сектором 11, зуби якого нарізані на площині частини вінця.
Сошка
8 закріплена на шліцах валу сектора гайкою. Між верхньою площиною картера 10 і верхньою
кришкою 23 чотирма шпильками з гайками розподільник рульового управління. Розподільник
складається з корпусу 21, втулки 15, золотника 16 і восьми плунжерів з пружинами
розпорів (на схемі не показані). Плунжери упираються в шайби 14 і 22.
Втулка
15 золотника запресована в корпус 21 і зафіксована стопорним кільцем (на схемі стопорне
кільце не показане). У втулці 15 переміщається двухпоясковий
золотник 16. Для проходу робочої рідини до золотника 16 у втулці 15
передбачено три ряди отворі великого діаметру (ø10
мм) і чотири ряди малого діаметру (ø
4 мм). Центральна проточка корпусу (канал "в")
сполучається з нагнітальною порожниною насоса 28, а дві крайні проточки (канали
"а")
через запірні клапани 17 і 20 сполучаються з порожнинами гідравлічних силових циліндрів
3 і 4.
При
нейтральному положенні золотника його шийки перекривають великі отвори у втулці,
залишаючи відкритими невеликі сегментні площі в них для проходу робочої рідини.
При
зсуві золотника в осьовому напрямі відбувається плавна зміна прохідних площ, що
сприяє плавній зміні витрати тиску робочої рідини, що поступала до гідравлічних
силових циліндрів [2,13]
1.2.2 Робота рульового механізму
У
зібраному рульовому механізмі чотири верхні плунжери упираються своїми торцями у
верхню шайбу 22 і нижню площину верхньої кришки 23, а чотири нижні плунжери упираються
в нижню опорну шайбу 14 і верхню площину картера 10. Оскільки лінійні розміри корпусу
22 розподільники і золотники 16 однакові, плунжери, розтискав пружинами, встановлюють
золотник в нейтральному положення.
При
нейтральному положенні золотника між опорними шайбами і корпусом розподільника встановлюється
зазор 2,5 мм.
У
зв'язку з наявністю зазору між опорними шайбами 14, 22 (рис. 1.2) і корпусом розподільника
21 вал 13 рульового механізму трактора може переміщатися в осьовому напрямі і черв'ячна
пара починає працювати як гвинт і гайка. Черв'як 12 нагвинчується і згвинчується
по черв'ячному сектору 11.
При
повороті рульового колеса управо черв'як нагвинчується по черв'ячному сектору і
вал рульового механізму із золотником зміщуються вниз (рис 1.2).
При
цьому опорна шайба 22 (рис. 1.2), впливаючи на плунжери, стискаючи пружини, зусилля
яких сприймається як зусилля на рульовому колесі (на мал. 1.2 плунжерів і пружини
не показані). «золотник 16, зміщуючись вниз (вліво), перекриває нижніми кромками
верхнього і нижнього поясочків сегментні щілини верхнього і нижнього рядів отворів
у втулці і від'єднує нагнітаючу порожнину насоса від зливної магістралі. Верхня
кромка нижнього поясочка золотника збільшує величину відкриття сегментних щілин
в нижньому ряду отворів у втулці, сполучаючи напірну магістраль насоса з порожниною
грибкового клапана 17 замкового клапана. Верхня кромка верхнього поясочка збільшує
величину відкриття сегментних щілин у верхньому ряду отворів у втулці, сполучаючи
порожнину протилежного клапана 20 із зливною магістраллю.
Робоча
рідина, що нагнітається насосом, своїм тиском відкриває грибковий клапан 17 і поступає
у відповідні порожнини зливних циліндрів.
Одночасно
робоча рідина зрушує плунжер 18 замкового клапана, який своїм хвостовиком відкриває
грибковий клапан 20, сполучаючи відповідні порожнини циліндрів із зливною магістраллю.
Поршні силових циліндрів здійснюють робочий хід, повертаючи напіврами трактора управо.
Трактор повертається управо. При повороті напіврам поворотний важіль 2 переміщає
стежачу тягу 7 вперед. При цьому повертається сошка 8, а разом з нею і сектор 11.
Впливаючи на черв'як 12 як важіль, сектор 11 переміщає черв'як вгору, прагнучи встановити
золотник в нейтральне положення, щоб припинити подачу робочої рідини від насоса
до силових циліндрів і поворот напіврам трактора. Поки швидкість обертання рульового
колеса більше швидкості дії зворотного зв'язку на золотник, напіврами трактора повертаються.
Як
тільки припиняється обертання рульового колеса, зворотний зв'язок встановлює золотник
в нейтральне положення і поворот напіврам трактора припиняється.
Грибкові
клапани замкового клапана під впливом пружин сідають на сідла, замикаючи силові
циліндри і напрям руху трактора стабілізується.
При
повороті рульового колеса вліво черв'як згвинчується по черв'ячному сектору. При
цьому нижня упорна шайба 14 через плунжери стискає пружини.
Золотник
16 розподільника зміщується вгору і перекриває верхніми кромками верхнього і нижнього
поясочків сегментні щілини верхнього і нижнього ряду отворі у втулці, а нижні кромки
поясочків золотника збільшують величину відкриття сегментних отворів. Робоча рідина,
що нагнітається насосом, відкриває грибковий клапан 20 і поступає у відповідні порожнини
силових циліндрів. Плунжер 18 відкриває грибкові клапана 27, з'єднавши відповідні
порожнини циліндрів із зливною магістраллю. Трактор повертається вліво. Далі процес
відбувається також, як і при правому повороті.
З
вищесказаного можна зробити наступний виснавок: від роботи ГПР залежить плавність
повороту трактора Т-150К, і перш за все від зміни прохідних площ при зсуві золотника
щодо втулки золотника.
1.3 Існуючи способи відновлення деталі
Технологія
відновлення втулок мало досліджена.
У
втулки відновлюється тільки внутрішня поверхня під золотник. Існуючи дефекти, розміри
за кресленням, способи та засоби контролю наведені у таблиці 1.2.
Таблиця
1.2 – Дефекти втулки [13]
| Найменування та
позначення контролюємої деталі |
Контрольований
дефект |
Розміри, мм |
Способи та засоби
контролю |
Висновок |
| За кресленням |
Допустимі |
Наймену
вання
|
Позначення |
|

Втулка золотника
125.40.113
|
1- знос внутрішньої
поверхні |
46+0,027 |
46+0,027 |
Нутромір |
18-50
ГОСТ 9244-75
|
Віднов-лювати |
Найбільш
- прийнятним способом відновлення отворів корпусів під золотники є алмазне хонінгування.
Попереднє (чорнове) і остаточне (чистове). Обробка ведеться на вертикально -
хонінговальном
напівавтоматі 3921 при наступних режимах: попереднє хонінгування -
швидкість обертання хонінговальной
головки 11,6 рад/с і зворотно – поступального руху 0,2 м/с, радіальна
подача брусків 0,85 мкм на
подвійний хід (хонінгування ведеться до остаточного усунення слідів зносу і до виправлення
геометричної форми).
Остаточне
хонінгування - швидкість обертання хонінговальной
головки 11,6 рад/с і зворотно-поступального руху 0,19 м/с, радіальна
подача брусків 0,3 мкм на
подвійний хід (припуск на
остаточне хонінгування 0,005...0,008 мм). Після хонінгування проводиться контроль
розмірів і якості отворів корпусів [1,7,8,16].
1.4
Мета та задачі дослідження
Мета
полягає у дослідження причин та величини зносу і розробка оптимальної технології
відновлення зношених корпусів (втулок) розподільника гідропідсилювача рульового
керування (ГПК) трактора Т-150К.
Для
досягнення заданої мети у роботі повинні бути вирішені наступні задачі:
1.
Розглянуті теоретичні предпосилки до виконання
дослідження і обґрунтування технології відновлення корпуса (втулки);
2.
Провести ремонтно-технологічний аналіз об’єкту
дослідження;
3.
Дослідити величину та характер зносу корпуса
(втулки);
4.
Розробити технологію відновлення корпуса
(втулки);
5.
Зробити висновки.