Учебное пособие: Розрахунок і конструювання сталевої стропильної ферми покриття промислового будинку
Міністерство аграрної політики України
Херсонський Державний Аграрний Університет
Кафедра Будівництва
Методичні
рекомендації до курсового проекту
з
дисципліни “Сталеві конструкції”
для
студентів заочної форми навчання зі спеціальності
7.092.101
“Промислове та цивільне будівництво”
Розрахунок
і конструювання сталевої стропильної ферми покриття промислового будинку
Янін О.Є.
Херсон
2005
УДК 626.422.24
Методичні
рекомендації до курсового проекту рекомендовано до видання рішенням
науково-методичної ради будівельно-гідромеліоративного факультету (протокол № 5
від 12 січня 2005р.)
Рецензент:
Доцент, к.т.н. Кириченко
В.Л.
Янін О.Є.
Розрахунок і
конструювання сталевої стропильної ферми покриття промислового будинку– Херсон: РВВ “Колос” ХДАУ,
2005.- 28с.
Вступ
Методичні рекомендації призначені для використання студентами
будівельно-гідромеліоративного факультету при виконанні курсових та дипломних
робіт.
Загальні відомості
У рамках
курсового проекту треба розрахувати і сконструювати сталеву стропильну ферму з
паралельними поясами для покриття промислового будинку.
Метою розрахунку
і конструювання ферми є:
1) підбір розмірів
поперечного перерізу стержнів виходячи із забезпечення нормативних вимог по
міцності, стійкості, граничній гнучкості;
2) розробка
конструкцій і розрахунок вузлів ферми виходячи із забезпечення надійної
передачі зусиль від одного стержня до другого.
Розрахунок і
конструювання ферми повинні виконуватись на основі нормативних документів [1],
[2]. В них викладені основні вимоги, виконання яких треба забезпечити при
проектуванні.
Курсовий проект
складається з:
1) пояснювальної
записки на листах стандартного формату А-4;
2) графічної
частини, яка виконується на одному листі стандартного формату А-1 або на двох
листах стандартного формату А-2.
Графічна частина
включає в себе[3]:
1) геометричну
схему і схему зусиль ферми;
2) детальне
креслення ферми;
3) схеми
розташування основних елементів (ферм, прогонів або панелей покриття,
горизонтальних в’язей по верхнім і нижнім поясам ферм);
4) таблиці,
специфікації.
1. Вибір
геометричної схеми ферми
Проектування
ферми треба починати з розробки геометричної схеми. Її утворюють осьові лінії,
які проходять через центри ваги стержнів. Осьові лінії усіх стержнів, що
сходяться у вузлі, повинні пересікатись в однієї точці – центрі вузла.
Геометричну схему
ферми треба приймати у відповідності з вимогами уніфікації. При застосуванні
рулонної покрівлі в основу уніфікації покладені
1) модуль
прольоту промислового будинку, що кратний 6м
2) довжина панелі
верхнього поясу d=3м
3) уклін покрівлі
і верхнього поясу і=1,5% (при виконанні розрахунків цей уклін можна не
враховувати)
4) трикутна
решітка зі стійками
5) висота ферми:
3150мм – якщо
стержні виконані з парних кутиків (по зовнішнім граням поясів)
2900мм; 3500мм;
3600мм - якщо стержні виконані з круглих труб і ГЗП (гнуто-зварних профілів).
Уніфіковані
геометричні схеми ферм для різних прольотів і форм поперечних перерізів
стержнів наведені на рис.1.1.
а)

б)

а) для ферм з
парних кутиків
б) для ферм з
круглих труб і ГЗП
Рис.1.1
Уніфіковані геометричні схеми стропильних ферм
У відповідності з
вказаними у завданні на проектування прольотом ферми L і типом
поперечного перерізу стержнів, необхідно обрати відповідну геометричну схему за
рис.1.1 і навести її у пояснювальній записці до курсового проекту.
2. Вибір
розрахункової схеми ферми і збір навантажень
У розрахунковій
схемі розкісної стропильної ферми треба прийняти шарнірне сполучення усіх
стержнів у вузлах. Ферма спирається на колони у двох крайніх вузлах нижнього
поясу.
Покриття по
стропильних фермах буває двох типів:
1) прогонне
2) безпрогонне.
При прогонному
типі, на верхні пояси стропильних ферм у вузлах встановлюють прогони у вигляді
балок або легких наскрізних конструкцій. Вони розташовані в напрямку,
перпендикулярному площині ферми. На прогони зверху укладають:
- дрібнорозмірні
елементи (як правило, у вигляді сталевого профільованого настилу)
- ізоляційні шари
конструкцій покрівлі та шари, що вирівнюють.
При безпрогонному
типі покриття, на верхні пояси стропильних ферм укладають крупнорозмірні
залізобетонні ребристі панелі покриття, довжиною, рівний кроку ферм (6 або 12м)
і шириною 3м. Поздовжні ребра панелей розташовані у напрямку, перпендикулярному
площині ферми. Відстань між ними відповідає ширині панелі і складає 3м.
Оскільки відстань між вузлами верхнього поясу також дорівнює 3м, то поздовжні
ребра залізобетонних панелей спираються на верхні пояси стропильних ферм у
вузлах. На панелі покриття зверху укладають ізоляційні шари конструкцій
покрівлі та шари, що вирівнюють.
Тип покриття при
виконанні курсового проекту треба прийняти у відповідності із завданням.
На ферму діють
такі навантаження:
1) постійне від
власної ваги конструкцій покриття (покрівлі, ферми, в’язей)
2) тимчасове
снігове.
При обох типах
покриття, несучі елементи спираються на верхній пояс ферми у вузлах. Тому,
навантаження на ферму від елементів покриття та снігу можна представити у
вигляді вертикальних зосереджених сил, прикладених до вузлів верхнього поясу
(див. рис.2.1). Для їх визначення вводяться поняття вантажної площі ферми і вантажної
площі вузла.
Вантажна площа
ферми –
частина площі покриття, навантаження з якої передається на дану ферму.
Вантажна площа
вузла –
частина вантажної площі ферми, навантаження з якої передається на даний вузол
(рис.2.1).

Рис.2.1
До визначення вантажних площ ферм і вузлів
Вертикальні
зосереджені сили, прикладені до вузлів (вузлові сили) треба обчислювати як
добуток постійного і тимчасового розрахункових навантажень, що діють на 1м2
покриття (поверхневих навантажень), на вантажну площу відповідного вузла.
Збір
постійних навантажень виконується на підставі розділу №2 [1]. Поверхневі постійні навантаження
на 1м2 покриття зручно підраховувати у табличній формі
(таблиці 2.1 і 2.2). Таблицю 2.1 треба заповнювати при прогонному типі
покриття, а таблицю 2.2 – при безпрогонному.
В обох таблицях
послідовно переліковуються усі елементи покриття зверху униз, включаючи ферму.
При цьому умовно прийнято, що власна вага ферм, прогонів, панелей покриття
рівномірно розподілена по площі у плані.
Власна вага
різних слоїв покрівлі обчислюється за формулою
, (2.1)
де γ, кН/м3
– питома вага матеріалу
t, м – товщина
шару.
При виконанні
курсового проекту покрівлю прийняти утепленою. Вид, питому вагу (γутепл)
і товщину (tутепл) утеплювача треба прийняти у відповідності із
завданням на проектування. При заповненні строки №4 таблиць 2.1 і 2.2 треба
знайти gн(утепл)=γутепл·tутепл і записати
отримане значення у стовпчик №3.
Власна вага
елементів покриття і покрівлі прийняті на основі даних, що наведені у
літературі (стор.149 [4]), (стор.320 [5]).
Коефіцієнти
надійності за навантаженням γf для стовпчика №4 прийняті за
таблицею 1 [1]. Значення γf(утепл) для утеплювача треба
прийняти рівним:
1,2 – якщо
утеплювач виконується у заводських умовах (мінераловатні, фібролітові плити)
1,3 - якщо
утеплювач виконується на будівельному майданчику (пінобетон).
Розрахункове
навантаження для стовпчика №5 треба для кожної строки обчислювати за формулою
g=gн·γf
. (2.2)
Поверхневі
постійні навантаження від власної ваги 1м2 покриття прогонного типу
Таблиця 2.1
| Номер наван-тажен-ня |
Склад навантажень і розрахунок їх
нормативних значень |
Норма-тивне наванта-ження gн,кПа
(кН/м2)
|
Коефіці-єнти надійно-сті за
на-ванта-женням γf
|
Розра-хункове наванта-ження g,кПа (кН/м2)
|
| 1 |
2 |
3 |
4 |
5 |
| 1. |
Захисний шар із бітумної мастики з
утопленим гравієм, γ=21кН/м3; t=0,02м; gн=γ·t=21·0,02=0,42кН/м2
|
0,42 |
1,3 |
0,546 |
| 2. |
Гідроізоляція з 4-х шарів руберойду |
0,16 |
1,3 |
0,208 |
| 3. |
Цементна (або асфальтова) стяжка,
γ=18кН/м3; t=0,02м; gн=γ·t=18·0,02= =0,36кН/м2
|
0,36 |
1,3 |
0,468 |
| 4. |
Утеплювач з (вказати вид або матеріал
утеплювача згідно із завданням), gн(утепл)=γутепл·tутепл
|
gн(утепл)
|
γf(утепл)
|
gн(утепл)· ·γf(утепл)
|
| 5. |
Пароізоляція у вигляді одного шару
пергаміну або руберойду |
0,04 |
1,3 |
0,052 |
| 6. |
Сталевий профільований настил |
0,12 |
1,05 |
0,126 |
| 7. |
Прогони |
0,08 |
1,05 |
0,084 |
| 8. |
Стропильні ферми з в’язями |
0,24 |
1,05 |
0,252 |
|
|
Разом |
gн=
|
|
g= |
Поверхневі
постійні навантаження від власної ваги 1м2 покриття безпрогонного типу
Таблиця 2.2
| Номер наван-тажен-ня |
Склад навантажень і розрахунок їх
нормативних значень |
Норма-тивне наванта-ження gн,кПа
(кН/м2)
|
Коефіці-єнти надійно-сті за
на-ванта-женням γf
|
Розра-хункове наванта-ження g,кПа (кН/м2)
|
| 1 |
2 |
3 |
4 |
5 |
| 1. |
Захисний шар із бітумної мастики з утопленим
гравієм, γ=21кН/м3; t=0,02м; gн=γ·t=21·0,02=0,42кН/м2
|
0,42 |
1,3 |
0,546 |
| 2. |
Гідроізоляція з 4-х шарів руберойду |
0,16 |
1,3 |
0,208 |
| 3. |
Цементна (або асфальтова) стяжка,
γ=18кН/м3; t=0,02м; gн=γ·t=18·0,02= =0,36кН/м2
|
0,36 |
1,3 |
0,468 |
| 4. |
Утеплювач з (вказати вид або матеріал
утеплювача згідно із завданням), gн(утепл)=γутепл·tутепл
|
gн(утепл)
|
γf(утепл)
|
gн(утепл)· ·γf(утепл)
|
| 5. |
Пароізоляція у вигляді одного шару
пергаміну або руберойду |
0,04 |
1,3 |
0,052 |
| 6. |
крупнорозмірні залізобетонні ребристі
панелі покриття |
1,4 (при кроці ферм 6м)
1,9 (при кроці ферм 12м)
|
1,1 |
1,54 (при кроці ферм 6м)
2,09 (при кроці ферм 12м)
|
| 7. |
Стропильні ферми з в’язями |
0,4 |
1,05 |
0,42 |
|
|
Разом |
gн=
|
|
g= |
Примітка: Крок
ферм (6 або 12м) вказаний у завданні на проектування.
Після заповнення
таблиці необхідно знайти суми усіх значень по стовпчикам №3 і №5 та записати їх
у строку “разом”. Ці суми позначені відповідно gн і g. Збір
снігового навантаження виконується на підставі розділу №5 [1].
Розрахункове поверхневе снігове навантаження на 1м2 горизонтальної
проекції покриття
p=so·μ·γf(cн),
(2.3)
де so
- нормативне поверхневе снігове навантаження на 1м2 горизонтальної
поверхні землі
μ –
коефіцієнт переходу від снігового навантаження на землі до снігового
навантаження на покриття
γf(cн)
- коефіцієнт надійності за сніговим навантаженням
Величина so
залежить від географічного району будівництва. Для її визначення необхідно на
карті (рис.2.2) знайти вказаний у завданні на проектування географічний пункт,
у якому зводиться будинок.
Потім треба
визначити номер снігового району для цього пункту. Границі районів на карті
показані суцільними лініями. Номери снігових районів позначені римськими
цифрами (І,ІІ,ІІІ,ІV …). Для знайденого району за таблицею 2.3 треба визначити
відповідне значення so.
Нормативні
снігові навантаження на 1м2 горизонтальної поверхні землі so
Таблиця 2.3
| Номер снігового району по карті (рис.2.2) |
I |
II |
III |
IV |
V |
VI |
|
Значення so, кПа (кН/м2)
|
0,5 |
0,7 |
1,0 |
1,5 |
2,0 |
2,5 |
Наприклад: для м.
Херсона маємо сніговий район – І. За таблицею2.3 для цього району so=0,5кПа. Коефіцієнт μ для покриття по
фермах паралельними поясами треба прийняти рівним одиниці (див. додаток 3,
схему №1, стор.17 [1] ). Коефіцієнт γf(cн) у відповідності з п.5.7 [1] треба
прийняти рівним:
1,4 – при 
1,6 - при
.
Розрахункові
вертикальні зосереджені сили від повного навантаження (постійного і
тимчасового), прикладені до середніх вузлів (див. рис.2.1)
P=(g+p)·b·d, (2.4)
де b,м – крок
ферм згідно із завданням
d=3м – довжина
панелі верхнього поясу ферми.
Розрахункові
вертикальні зосереджені сили від повного навантаження (постійного і
тимчасового), прикладені до крайніх вузлів
Pкр=(g+p)·b·0,5·d=0,5·Р.
(2.5)
У розрахунковій
схемі розкісної ферми треба прийняти, що стержні у вузлах з’єднані шарнірно
(див.рис.3.1). Тоді при вузловому навантаженні у всіх стержнях виникають тільки
поздовжні сили (N).
3.
Визначення поздовжніх сил у стержнях ферми (статичний розрахунок)
Поздовжню силу у
кожному стержні ферми від повного розрахункового навантаження треба обчислювати
за формулою
N=N1·P,
(3.1)
де N1
– поздовжня сила у стержні при завантаженні ферми одиничними вузловими силами
(рис.3.1).


Рис.3.1
Розрахункові схеми ферм, завантажених одиничними вузловими силами
Стержні верхнього
поясу, нижнього поясу, розкосів і стійок позначені відповідно буквами: В, Н, Р,
С. Пронумеровані вони зліва направо до осі симетрії порядковими номерами.
Наприклад, третій зліва розкіс позначений Р3. Перший розкіс Р1, що йде від
опори будемо називати опорним. Ось симетрії ферми знаходиться посередині
прольоту L і на рис.3.1 позначена штрих-пунктирною лінією.
Значення N1
треба визначати за таблицею 3.1 у залежності від прольоту ферми L і
форми поперечних перерізів стержнів (парні кутики, круглі труби, ГЗП) при
відповідному номері схеми за рис 3.1. Цей номер повинен відповідати
уніфікованій геометричній схемі ферми, обраній у розділі 1.1.
Поздовжні сили у
стержнях N1 при завантаженні ферми одиничними вузловими силами
згідно з (рис.3.1).
Таблиця 3.1
| Елемент |
Позначення стержня за рис.3.1 |
Ферма з парних кутиків, прольотом L,м |
Ферма з круглих труб і ГЗП, прольотом L,м |
| 18 |
24 |
30 |
36 |
18 |
24 |
30 |
36 |
| Номер схеми на рис.1.1 і рис 3.1 |
| 1 |
2 |
3 |
4 |
5 |
6 |
7 |
8 |
| Верхній пояс |
В1 |
0
|
0
|
0
|
0
|
0
|
0
|
0
|
0
|
| В2 |
-3,81
|
-5,714
|
-7,619
|
-9,524
|
-4,138
|
-6,207
|
-6,857
|
-8,333
|
| В3 |
-3,81
|
-5,714
|
-7,619
|
-9,524
|
-4,138
|
-6,207
|
-6,857
|
-8,333
|
| В4 |
-
|
-7,619
|
-11,43
|
-15,24
|
-
|
-7,759
|
-10,29
|
-13,33
|
| В5 |
-
|
-
|
-11,43
|
-15,24
|
-
|
-
|
-10,29
|
-13,33
|
| В6 |
-
|
-
|
-
|
-17,14
|
-
|
-
|
-
|
-14,58
|
| Нижній пояс |
Н1 |
2,381
|
3,333
|
4,286
|
5,238
|
2,586
|
3,621
|
3,857
|
4,583
|
| Н2 |
4,286
|
7,143
|
10,0
|
12,86
|
4,655
|
7,759
|
9,0
|
11,25
|
| Н3 |
-
|
-
|
11,91
|
16,67
|
-
|
8,276
|
10,714
|
14,583
|
| Н4 |
-
|
-
|
-
|
-
|
-
|
-
|
-
|
15
|
| Розкоси |
Р1 |
-3,452
|
-4,833
|
-6,214
|
-7,595
|
-3,597
|
-5,036
|
-5,927
|
-7,159
|
| Р2 |
2,071
|
3,452
|
4,833
|
6,214
|
2,158
|
3,597
|
4,61
|
5,858
|
| Р3 |
-0691
|
-2,071
|
-3,452
|
-4,833
|
-0,719
|
-2,158
|
-3,293
|
-4,556
|
| Р4 |
-
|
0,691
|
2,071
|
3,452
|
-
|
-0,719
|
1,976
|
3,254
|
| Р5 |
-
|
-
|
-0,691
|
-2,071
|
-
|
-
|
-0,659
|
-1,953
|
| Р6 |
-
|
-
|
-
|
0,691
|
-
|
-
|
-
|
-0,651
|
| Стійки |
С1 |
-0,5
|
-0,5
|
-0,5
|
-0,5
|
-0,5
|
-0,5
|
-0,5
|
-0,5
|
| С2 |
-1,0
|
-1,0
|
-1,0
|
-1,0
|
-1,0
|
-1,0
|
-1,0
|
-1,0
|
| С3 |
-
|
-1,0
|
-1,0
|
-1,0
|
-
|
0,5
|
-1,0
|
-1,0
|
| С4 |
-
|
-
|
-
|
-1,0
|
-
|
-
|
|
0,5
|
Обчислення
поздовжніх сил у стержнях ферми від повного розрахункового навантаження N
за формулою 3.1 зручно виконувати у табличній формі (табл.3.2).
Визначення
поздовжніх сил у стержнях ферми від повного розрахункового навантаження
Таблиця 3.2
| Елемент |
Позначення стержня за рис.3.1 |
Поздовжні сили у стержнях N1
при завантаженні ферми одиничними вузловими силами (з табл.3.1)
|
Поздовжні сили у стержнях N від
повного розрахункового навантаження
|
| Верхній пояс |
В1 |
|
|
| В2 |
|
|
| В3 |
|
|
| В4 |
|
|
| В5 |
|
|
| В6 |
|
|
| Нижній пояс |
Н1 |
|
|
| Н2 |
|
|
| Н3 |
|
|
| Н4 |
|
|
| Розкоси |
Р1 |
|
|
| Р2 |
|
|
| Р3 |
|
|
| Р4 |
|
|
| Р5 |
|
|
| Р6 |
|
|
| Стійки |
С1 |
|
|
| С2 |
|
|
| С3 |
|
|
| С4 |
|
|
У пояснювальній
записці до курсового проекту треба навести обрану розрахункову схему ферми у
відповідності з рис.3.1.
4. Підбір
поперечних перерізів стержнів ферми
Підбір треба
виконувати виходячи із забезпечення нормативних вимог [2]. Загальний вигляд
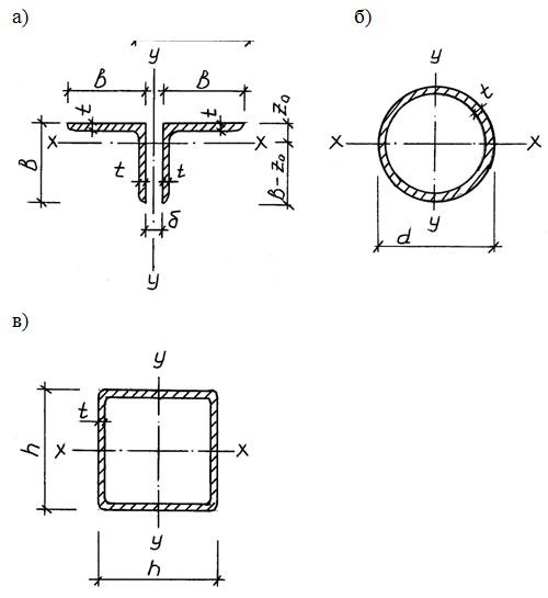
поперечних перерізів різних типів стержнів наведений на рис.4.1.

Рис.4.1 Типи
(види) поперечних перерізів стержнів ферми.
Через центри ваги
перерізів проведені головні осі інерції Х-Х і У-У. Тип перерізу треба обирати у
відповідності із завданням на курсовий проект.
Переріз з двох
рівнополичних кутиків (рис.4.1а) позначають: 2L b × t,
де b,мм – ширина
полиці
t,мм – товщина
полиці.
Наприклад: 2L 100
× 8.
Переріз з круглих
труб (рис.4.1б) позначають: Тр. D × t,
де D,мм –
зовнішній діаметр
t,мм – товщина
стінки.
Наприклад: Тр. 83
× 3.
Переріз з
квадратних ГЗП (рис.4.1в) позначають: ڤ h × t,
де h,мм – висота
(ширина) профілю
t,мм – товщина
стінки.
Наприклад: ڤ
80 × 5.
В фермах, прольотом 18 і
24м пояси можна прийняти постійного перерізу за всією довжиною.
При прольоті L=18м
за схемами №1 і №5 (див.рис.3.1) переріз верхнього поясу підбирається по поздовжній силі N
у стержні В3, а нижнього поясу по поздовжній силі N у стержні Н2.
При прольоті L=24м
за схемою №2
переріз верхнього і нижнього поясів підбирається по поздовжнім силам N
відповідно у стержнях В4 і Н2.
При прольоті L=24м
за схемою №6
переріз верхнього і нижнього поясів підбирається по поздовжнім силам N
відповідно у стержнях В4 і Н3.
В фермах,
прольотом 30 і 36м переріз поясів за довжиною доцільно змінювати.
При прольоті L=30м
за схемами №3 і №7
- переріз
стержнів верхнього поясу В4 і В5 можна підбирати по поздовжній силі N у
стержні В5
- переріз
стержнів верхнього поясу В1,В2 і В3 можна підбирати по поздовжній силі N
у стержні В3
- переріз
стержнів нижнього поясу Н2 і Н3 можна підбирати по поздовжній силі N у
стержні Н3
- переріз стержня
нижнього поясу Н1 треба підбирати по зусиллю, що у ньому діє.
При прольоті L=36м
за схемою №4:
- переріз
стержнів верхнього поясу В4, В5 і В6 можна підбирати по поздовжній силі N
у стержні В6
- переріз
стержнів верхнього поясу В1,В2 і В3 можна підбирати по поздовжній силі N
у стержні В3
- переріз
стержнів нижнього поясу Н1 і Н2 можна підбирати по поздовжній силі N у
стержні Н2
- переріз стержня
нижнього поясу Н3 треба підбирати по зусиллю, що у ньому діє.
При прольоті L=36м
за схемою №8:
- переріз
стержнів верхнього поясу В4, В5 і В6 можна підбирати по поздовжній силі N
у стержні В6
- переріз
стержнів верхнього поясу В1,В2 і В3 можна підбирати по поздовжній силі N
у стержні В3
- переріз
стержнів нижнього поясу Н2 і Н3 можна підбирати по поздовжній силі N у
стержні Н3
- переріз
стержнів нижнього поясу Н1 і Н4 треба підбирати по зусиллям, що діють у них.
Для усіх схем
поперечний переріз опорного розкосу Р1 можна прийняти таким, як і у стержня
верхнього поясу В2 (якщо буде забезпечена стійкість розкосу). Стійки (С1,С2...)
можна прийняти одного поперечного перерізу. Підбирати його треба по поздовжній
силі N у стержні С2.
Усі розкоси, що
працюють на розтяг, доцільно виконати однаковими. Для підбору їх поперечного
перерізу необхідно у таблиці 3.2 знайти розкос, у якому діє максимальна
поздовжня сила з позначкою “+”. По цій поздовжній силі треба виконувати підбір
перерізу.
Стиснуті не опорні
розкоси також можна прийняти одного поперечного перерізу. Для їх підбору
необхідно у таблиці 3.2 знайти розкос, у якому діє максимальна поздовжня сила з
позначкою “-”. По цій поздовжній силі треба виконувати підбір перерізу.
Щоб стержні не
скривлялися від випадкових впливів та на провисали від власної ваги, їх
гнучкість обмежується. У відповідності з п.6.15 і 6.16 [2] граничні
(максимально припустимі) гнучкості складають:
- для стиснутого
поясу і опорного розкосу – λlim=120
- для решти
стиснутих стержнів - λlim=150
- для розтягнутих
стержнів - λlim=400.
Оскільки ферма є
симетричною відносно середини прольоту, то при проектуванні достатньо підібрати
перерізи стержнів лівої половини прольоту.
4.1 Підбір
поперечних перерізів стиснутих стержнів ферми
У відповідності з
даними статичного розрахунку (див. розділ №3) на стиск працюють:
1) верхній пояс
2) стійки (за
винятком стержнів С3 за схемою №6 і С4 за схемою №8)
3) висхідні розкоси
(якщо розглядати ліву половину прольоту ферми до осі симетрії).
Розкос називають висхідним,
якщо його лівий кінець нижче правого.
При досягненні
поздовжньою силою деякого критичного значення, стиснутий стержень втрачає
стійкість. Це означає, що прямолінійна форма рівноваги перестає бути стійкою, а
стійкою буде криволінійна форма. Спостерігається випинання (витріщання)
стержня. Воно може відбуватись
1) у вертикальній
площині, яка співпадає з площиною ферми (у площині ферми)
2) у
горизонтальній площині, яка перпендикулярна до площини ферми (з площини ферми).
У першому випадку
згин стержня відбувається відносно осі Х-Х (див. рис.4.1) і він втрачає
стійкість у площині ферми. У другому випадку згин стержня відбувається відносно
осі У-У (див. рис.4.1) і він втрачає стійкість з площини ферми.
З урахуванням
цього у відповідності з нормами [2] підбір розмірів поперечного перерізу
стиснутого стержня треба виконувати виходячи із забезпечення:
1) його стійкості
у площині та з площини ферми (відносно головних осей інерції Х-Х і У-У) як
центрально-стиснутого елементу
2) виконання
вимоги по обмеженню гнучкості, яке розглянуте вище.
Умови стійкості
центрально-стиснутого стержня у площині та з площини ферми відповідно мають
вигляд:
;
, (4.1)
де N –
розрахункова поздовжня стискаюча сила (за абсолютною величиною) з таблиці 3.2
А– площа поперечного
перерізу стержня
Ry - розрахунковий опір
сталі стиску, розтягу згину по межі текучості
γc – коефіцієнт умов роботи.
φх
і φу
– коефіцієнти поздовжнього згину відповідно у площині та з
площини ферми
γn – коефіцієнт надійності за
призначенням (див. завдання).
Якщо умови (4.1)
не виконуються, то випинання стержня не відбувається, і він є стійким.
Для визначення Ry
необхідно обрати марку сталі для ферми за табл.50* [2]. Можна прийняти, що
ферма працює при статичному навантаженні і відноситься до другої групи за цією
таблицею. Тоді її можна виготовити зі сталі марки ВСт3пс6-1 за ТУ 14-1-3023-80.
За табл.51* [2] для фасонного прокату, виконаного з цієї марки, при товщині
t=4-20мм - Ry=240МПа=24кН/см2.
У фермах з
кутиків коефіцієнт γc треба прийняти рівним:
0,95 – для
верхнього і нижнього поясів, опорного розкосу (Р1 – див.рис.3.1) розтягнутих
спадних (на лівій половині довжини ферми) розкосів
0,8 – для
стиснутих стійок та неопорних розкосів.
Розкос називають спадним,
якщо його лівий кінець вище правого.
У фермах з
круглих труб і ГЗП коефіцієнт γc треба прийняти рівним:
0,95 – для
нижнього розтягнутого поясу, розтягнутих розкосів
1,0 – для решти
стержнів.
Коефіцієнт поздовжнього
згину φх(φу) визначається за
табл.72* [2] по інтерполяції у залежності від:
1) гнучкості
стержня λх(λу)
2) розрахункового
опору сталі Ry.
Фрагмент таблиці
72* [2] наведений у табл.4.1.
Коефіцієнти поздовжнього
згину φ
Таблиця 4.1
|
Гнучкість λ
|
Коефіцієнти φ при Ry,
МПа
|
| 200 |
240 |
280 |
| 10 |
0,988 |
0,987 |
0,985 |
| 20 |
0,967 |
0,962 |
0,959 |
| 30 |
0,939 |
0,931 |
0,924 |
| 40 |
0,906 |
0,894 |
0,883 |
| 50 |
0,869 |
0,852 |
0,836 |
| 60 |
0,827 |
0,805 |
0,785 |
| 70 |
0,782 |
0,754 |
0,724 |
| 80 |
0,734 |
0,686 |
0,641 |
| 90 |
0,665 |
0,612 |
0,565 |
| 100 |
0,599 |
0,542 |
0,493 |
| 110 |
0,537 |
0,478 |
0,427 |
| 120 |
0,479 |
0,419 |
0,366 |
| 130 |
0,425 |
0,364 |
0,313 |
| 140 |
0,376 |
0,315 |
0,272 |
| 150 |
0,328 |
0,276 |
0,239 |
Значення
гнучкості стержня визначається за формулою
,
(4.2)
де lef,x
i lef,у – розрахункові довжини стержня відповідно у площині
та з площини ферми
іx i іу –
радіуси інерції поперечного перерізу стержня відповідно відносно осей Х-Х і
У-У.
Значення lef,x
i lef,у визначаються за табл.11[2]. На її основі складена
табл.4.2.
Розрахункові
довжини стержнів ферми
| Напрямок поздовжнього згину |
Форма (тип) поперечного перерізу стержня |
розрахункові довжини lef
|
| поясів і опорних розкосів |
решти елементів решітки (стійок і
розкосів) |
| у площині ферми |
парні кутики (див. рис.4.1а) |
l |
0,8l |
| Круглі труби і ГЗП (див. рис.4.1б,в,г) |
l |
0,9l |
| з площини ферми |
парні кутики (див. рис.4.1а) |
l1
|
l1
|
| Круглі труби і ГЗП (див. рис.4.1б,в,г) |
l1
|
0,9l1
|
Позначення,
прийняті у таблиці:
l – геометрична довжина
стержня, яка дорівнює відстані між центрами вузлів
l1 - відстань між вузлами, які
закріплені від зміщення з площини ферми.
Значення l треба
знаходити по геометричній схемі ферми, прийнятій на основі рис.1.1 при відомій
висоті ферми h і довжині панелі верхнього поясу d=3м. Наприклад,
довжина розкосу Р2 (див. схему№1 не рис 1.1 і 3.1)
.
Для стержня
верхнього поясу l=d=3м, для стійок l=h.
Для стержня
нижнього поясу l=2·d=6м.
Значення l1
для верхнього поясу треба приймати рівним (див стор.221-222[5]):
l1=2·l – при прогонному
типі покриття
l1=l – при безпрогонному
типі покриття.
Для елементів
решітки l1=l.
Підбір розмірів
поперечного перерізу стиснутого стержня починають з визначення потрібної площі
поперечного перерізу із умови стійкості
. (4.2а)
Значення сили N
з табл.3.2 треба підставляти у формулу (4.2а) по абсолютній величині.
Коефіцієнт поздовжнього
згину φ залежить від невідомих розмірів поперечного перерізу.
Тому, для обчислення Aпотр його треба прийняти у першому
наближенні у межах 0,5-0,8. Це приводить до необхідності вирішувати задачу
підбору перерізу стержня методом послідовних наближень.
Вимогу по
обмеженню гнучкості, викладену на початку розділу №4, математично можна
записати таким чином:
,
. (4.3)
Тоді
,
, (4.4)
де іx,min
i іу,min – мінімальні радіуси інерції поперечного перерізу
стержня відповідно у площині і з площини ферми, що відповідають граничній
гнучкості. Їх значення треба розрахувати за формулою (4.4).
При підборі
перерізу стержня з парних кутиків (див.рис.4.1а) треба мати на увазі, що
знайдене значення Aпотр відповідає площі перерізу двох
кутиків, а у сортаменті наведені площі для одного кутика. Потрібна площа
перерізу одного кутика складає 0,5·Aпотр.
У фермах з парних
кутиків стержні поясів і решітки з’єднують у вузлах за допомогою фасонних
листів (фасонок), які пропускають у зазор “δ” між кутиками
(див.рис.4.1а). Тоді, товщина фасонки буде дорівнювати “δ”. Цю
величину треба визначати за табл.4.3 у залежності від поздовжньої сили у
опорному розкосі Р1.
Товщини фасонок,
що рекомендуються
| Поздовжня сила у опорному розкосі Р1, кН
(за абсолютною величиною) |
до 150 |
160-250 |
260-400 |
410-600 |
610-1000 |
1010-1400 |
1410-1800 |
Більше 1800 |
| Товщина фасонки, мм |
6 |
8 |
10 |
12 |
14 |
16 |
18 |
20 |
Радіус інерції
поперечного перерізу стержня з двох кутиків (рис.4.1а) відносно осі У-У (іу)
залежить від товщини фасонки “δ” , і це потрібно враховувати при
виборі калібру профілю.
При визначених Aпотр,
іx,min i іу,min необхідно за сортаментом
прийняти конкретний калібр профілю, вид якого вказаний у завданні (парні
кутики, круглі труби, ГЗП). При цьому, для нього повинні виконуватись умови
(4.4), а фактична площа поперечного перерізу повинна бути близькою до Aпотр.
Значення A, іx i іу для кожного
калібру профілю вказані у сортаменті.
При прийнятому
перерізі стержня необхідно перевірити його стійкість. Це пов’язане з тим, що
коефіцієнт поздовжнього згину φ був прийнятий
приблизно, і його значення не обов’язково співпаде з фактичним, що відповідає
прийнятому калібру профілю.
Для перевірки
стійкості треба
1) з сортаменту
виписати значення A, іx i іу для
прийнятого калібру профілю
2) знайти
гнучкості стержня за формулами (4.2)
3) з двох
знайдених гнучкостей обрати максимальне значення – λmax
4) за табл.4.1
(табл.72 [1]) визначити φ при знайденій величині λmax
і відомому (прийнятому раніше) значенні Ry. При необхідності
треба виконати інтерполяцію
5) перевірити
стійкість стержня за умовою (4.1):
.
Якщо ця умова не
виконується, або виконується з великим запасом (ліва частина набагато менше
правої), то потрібен наступний цикл послідовного наближення. У цьому випадку
необхідно при знайденому значенні φ обчислити Aпотр
за формулою (4.2а) і повторити описані вище вибір калібру профілю і перевірку
стійкості. У більшості випадків двох циклів наближення виявляється достатньо.
Якщо поздовжня
стискаюча сила у стержні відносно мала (до 50-100кН), то вибір калібру профілю
диктується мінімальними радіусами інерції, що відповідають граничній гнучкості.
Тоді, підбір перерізу виконується за граничною гнучкістю. Площа перерізу
прийнятого калібру А може оказатись набагато більше за Апотр
і при перевірці стійкості за формулою (4.1) ліва частина буде набагато менше
правої. У цьому випадку, наступний цикл наближення не потрібен. Як правило,
відносно мала поздовжня стискаюча сила діє у розкосах поблизу середини
прольоту.
Розглянемо для
прикладу підбір перерізу верхнього поясу ферми при таких вихідних даних:
1) тип (вид)
поперечного перерізу – парні кутики
2) поздовжня
стискаюча сила у елементі верхнього поясу – N=600кН
3) lef,x=l=300cм
i lef,у=l1=2·l=600см (при прогонному
типі покриття)
4) Ry=240МПа=24кН/см2
5) δ=12мм
6) γn=1.
У відповідності з
наведеними вище вказівками приймаємо:
- для стиснутого
поясу λlim=120
- для стиснутого
поясу з кутиків γc=0,95.
Приймаємо у
першому наближенні φ=0,7. За формулою(4.2а):

,
де (10-1)
– переведення Ry з МПа в кН/см2.
За формулами
(4.4)
,
.
За сортаментом
приймаємо 2L125×8, для яких:
A=2·19,7=39,4см2≈
Aпотр =37,6см2
іx=3,87см>іx,min=2,5см
при δ=12мм
- іу=5,53см>іу,min=5см.
Для перевірки
стійкості знаходимо:
,
,
.
При λ=108,5
і Ry=240МПа за табл.4.1 по інтерполяції:
.
Перевіряємо умову
стійкості:

.
Оскільки умова не
виконується (ліва частина більше правої, а повинно бути навпаки), то при
прийнятому перерізі стійкість поясу не забезпечена. Це означає, що потрібний
наступний цикл наближення. При знайденому значенні φ=0,4876:

,
За сортаментом
приймаємо 2L125×12, для яких:
A=2·28,9=57,8см2≈
Aпотр =54см2
іx=3,82см>іx,min=2,5см
при δ=12мм
- іу=5,62см>іу,min=5см.
Для перевірки
стійкості знаходимо:
,
,
.
При λ=106,76
і Ry=240МПа за табл.4.1 по інтерполяції:
.
Перевіряємо умову
стійкості:

.
Висновок: стійкість забезпечена з
відносно невеликим запасом. Підбір перерізу закінчений. Прийнято 2L125*12.
При підборі
перерізу стержнів з ГЗП існуючого сортаменту може оказатись недостатньо. Калібру
профілю, що відповідає Aпотр може не знайтись. У цьому
випадку, треба перейти до проектування ферми з круглих труб. Такий перехід
повинен бути обґрунтований розрахунком, який треба навести у пояснювальній
записці до курсового проекту.
Перелік стиснутих
стержнів, які треба підібрати, наведений вище.
4.2 Підбір
поперечних перерізів розтягнутих стержнів ферми
У відповідності з
даними статичного розрахунку (див. розділ №3) на розтяг працюють:
1) нижній пояс
2) стійки С3 за
схемою №6 і С4 за схемою №8
3) низхідні розкоси
(якщо розглядати ліву половину прольоту ферми до осі симетрії).
Розкос називають низхідним,
якщо його лівий кінець вище правого.
У відповідності з
нормами [2] підбір розмірів поперечного перерізу розтягнутого стержня треба
виконувати виходячи із забезпечення:
1) міцності
2) виконання
вимоги по обмеженню гнучкості, яке розглянуте вище.
Умова міцності
має вигляд:
, (4.5)
де N –
розрахункова поздовжня сила з таблиці 3.2
Аn– площа поперечного
перерізу стержня “нетто” з урахуванням ослаблення перерізу отворами (наприклад,
для болтів); при виконанні курсового проекту можна прийняти, що Аn=
А;
Ry, γc,
γn, А– див. розділ 4.1.
Для підбору
розмірів поперечного перерізу розтягнутого стержня знаходять потрібну площу
поперечного перерізу із умови міцності
. (4.6)
Мінімальні
радіуси інерції поперечного перерізу стержня у площині і з площини ферми (що
відповідають граничній гнучкості), як і при підборі стиснутих стержнів,
визначають виходячи із вимоги по обмеженню гнучкості за формулою (4.4):
,
, (4.7)
де λlim
- гранична гнучкість (див початок розділу 4)
lef,x i lef,у –
розрахункові довжини стержня відповідно у площині та з площини ферми (див.
табл.4.2 у розділі 4.1 і вказівки під цією таблицею). При виконанні курсового
проекту для нижнього поясу можна прийняти: l=l1=2·d=6м.
При визначених Aпотр,
іx,min i іу,min необхідно за сортаментом
прийняти конкретний калібр профілю, вид якого вказаний у завданні (парні
кутики, круглі труби, ГЗП). У сортаменті для кожного калібру наведені A,
іx i іу. Його треба обрати таким чином, щоб
виконувались умови (4.4), а фактична площа поперечного перерізу A була
не менше Aпотр. В фермах з парних кутиків (див.рис.4.1а) Aпотр
відповідає площі перерізу двох кутиків.
Розглянемо для
прикладу підбір перерізу нижнього поясу ферми при таких вихідних даних:
1) тип (вид)
поперечного перерізу – парні кутики
2) поздовжня сила,
що розтягує – N=550кН
3) lef,x=l=600cм
i lef,у=l1=600см
4) Ry=240МПа=24кН/см2
5) δ=12мм
6) γn=1.
У відповідності з
наведеними вище вказівками приймаємо для розтягнутого стержня нижнього поясу - λlim=120,
γc=0,95.
За формулою(4.6):

,
де (10-1)
– переведення Ry з МПа в кН/см2.
За формулами
(4.4):
,
.
За сортаментом
приймаємо 2L 90×7, для яких:
A=2·12,3=24,6см2>
Aпотр =24,12см2
іx=2,77см>іx,min=1,5см
іу=4,13см>іу,min=1,5см.
Перелік
розтягнутих стержнів, які треба підібрати, наведений вище.
Після підбору
перерізів елементів ферми необхідно зробити уніфікацію, тобто зменшення
кількості різних калібрів профілів на одну ферму. Наприклад, якщо один стержень
ферми прийнятий за розрахунком з 2L 63×4, а другий - з 2L 70×5, то
обидва стержня можна прийняти з більшого профілю, тобто з 2L 70×5. При
виконанні уніфікації бажано дотримуватись таких правил:
1) у фермах з
труб і ГЗП, якщо різні стержні однієї ферми мають однаковий генеральний розмір d
або h, (див.рис.4.1б,в), то їх товщини стінок t повинні бути
однаковими або відрізнятись не менше, ніж на 2мм
2) у фермах з
кутиків, якщо різні стержні однієї ферми мають однакову ширину полиці b
(див.рис.4.1а), то їх товщини полиць t повинні бути однаковими.
Наприклад, якщо
один стержень ферми прийнятий за розрахунком з 2L 100×7, а другий - з 2L
100×8, то обидва стержня можна прийняти з 2L 100×8.
Після виконання
уніфікації кількість різних калібрів профілю на одну ферму повинно бути від
чотирьох до восьми.
5.
Проектування вузлів ферми
При виконанні
курсового проекту треба спроектувати один вузол ферми.
5.1
Розрахунок і конструювання вузлів ферми з парних кутиків
Як було вказано
раніше, вузли ферм з парних кутиків проектують за допомогою фасонок. Вони
являють собою стальні пластини, що розташовані у межах вузла (див. рис.5.2в).
До фасонки приварюються стержні, які сходяться у вузлі, кутовими фланговими
швами. Найменування елементів кутика наведене на рис.5.1.

Рис.5.1
Елементи кутику
Розглянемо
розрахунок і конструювання другого зліва вузла верхнього поясу, у якому
сходяться стержні В1, В2, Р1 і Р2 (див. рис 3.1). Спочатку необхідно на
кресленні зобразити осьові штрих-пунктирні лінії (рис.5.2а). Вони співпадають з
центрами ваги перерізу, які знаходяться у точці перетинання осей Х-Х І У-У (див
рис.4.1). Осьові лінії повинні перетинатися в однієї точці – центрі вузла. Їх взаємне
розташування (кути φ1 і φ2) треба
взяти з геометричної схеми ферми.
Потім на
креслення наносять контурні лінії стержнів. Для цього необхідно:
1) за сортаментом
знайти відстань від центру ваги перерізу до обушка zo (див.
рис. 4.1а) для усіх стержнів, що сходяться у вузлі
2) округлити ці
відстані кратно 5мм
3) паралельно
осьовим лініям на відстанях zo з верхньої сторони провести
контурні лінії №1, що позначають зовнішні грані стержнів по обушку (див. рис.
5.4б)
4) паралельно лініям №1
знизу на відстанях t і b (див. рис. 4.1а і 5.1) провести контурні
лінії №2 і №3, що позначають відповідно внутрішню грань полиці кутика і крайню
точку пера (див. рис 5.2б).

Рис.5.2
Послідовність побудови вузла ферми з парних кутиків
Кінці кутиків
розкосів Р1 і Р2 повинні бути обрізані перпендикулярно до осьової лінії. При
цьому, відстань між краями розкосів і верхнього поясу у світлі а (див.
рис.5.2б) повинна бути не менше (6·δ – 20)мм та не більше 80мм. Тут
δ, мм – товщина фасонки (див. рис.4.1), знайдена за таблицею 4.3.
При проектуванні
вузла необхідно визначити розміри зварних швів, які кріплять до фасонки
стержні, що сходяться у вузлі. Розкоси кріпляться до фасонки фланговими
кутовими швами, які починаються у торця стержня (у точках А, В, С і D) і
розташовуються паралельно осьовим лініям біля обушка і пера (див. рис 5.2в).
Потрібна довжина
зварного шва на один кутик розкосу Р1 або Р2
- біля обушка
(шов1 і шов3 на рис.5.2в)
(5.1)
- біля пера (шов2
і шов4 на рис.5.2в)
(5.2)
де N –
поздовжня сила у розкосі від повного розрахункового навантаження за табл.3.2
(по абсолютній величині)
к – доля сили N, що
приходиться на зварні шви біля обушка; для рівно поличних кутиків к=0,7
kfоб і kfп
– катети кутових зварних швів відповідно біля обушка і пера
(β·Rω)min – менше із значень: βf·Rωf
і βz·Rωz
βf і βz
– коефіцієнти глибини проплавлення шва відповідно при зрізі по металу шва і
металу межі сплавлення
Rωf і Rωz
– розрахункові опори кутових швів на зріз відповідно по металу шва і металу
межі сплавлення
γс=1 – коефіцієнт умов роботи
конструкції
2 (у знаменнику)
– кількість кутиків у стержні.
Значення kfоб
і kfп повинні задовольняти вимогам п.12.8а,б [2].
Як правило, катет шва біля обушка kfоб приймають не
більше товщини полиці (t) кутика, що приварюється. При виконанні
курсового проекту можна прийняти kfоб=t.
Катет шва біля пера kfп=t-(1...2)мм. У будь
якому випадку kfоб≥4мм, kfп≥4мм.Шви,
що кріплять кутики до фасонки, виконуються ручним зварюванням. Тоді, згідно з
таблицею 34* [2] βf=0,7; βz=1.
Розрахунковий
опір Rωf у відповідності з таблицею 56 [2] складає для
електрода типа
Э42 – 180МПа
Э46 – 200МПа
Э50 – 215МПа.
При виконанні
курсового проекту тип електрода прийняти самостійно.
Розрахунковий
опір Rωz у відповідності з таблицею 3 [2] знаходиться за
формулою:
, (5.3)
де Run
- нормативний тимчасовий опір сталі.
Якщо ферма
виготовляється із сталі марки ВСт3пс6-1 за ТУ 14-1-3023-80, то за табл.51* [2] Run=370МПа=37кН/см2.
При використанні
електрода типа Э42
βf·Rωf=0,7·180=126МПа
βz·Rωz=1·0,45·370=167МПа
(β·Rω)min=βf·Rωf=126МПа=12,6кН/см2.
Довжини зварних
швів, що розраховані за формулами (5.1) і (5.2), треба округлити у більшу
сторону кратно 1см. Вони повинні бути не менше 6см.
Знайдені значення
lfоб і lfп для
кожного розкосу треба відкласти від торця кутиків паралельно осьовій лінії
стержня, тобто від точок А, В, С і D (див. рис 5.2б). Точки А1, В1,
С1 і D1, що відповідають кінцям зварних швів, дозволяють
визначити контур фасонки. Її необхідно проектувати таким чином, щоб на ній
розмістились зварні шви, довжини яких розраховані за формулами (5.1) і (5.2).
При цьому, форма фасонки повинна бути простою, наприклад у вигляді
прямокутника. Щоб цього домогтися, фактичні довжини швів lfоб
і lfп (див. рис 5.2в) можна прийняти більше
знайдених розрахункових значень lfоб і lfп
(див. рис 5.2б).
Креслення,
наведені на рис 5.2, є пояснювальною схемою до розрахунку і конструювання, а не
детальним кресленням вузла, що виконується у графічній частині проекту.
5.2
Розрахунок і конструювання вузлів ферми із замкнутих профілів (круглих труб і
ГЗП)
Проектування
вузлів ферми із замкнутих профілів має багато спільного з проектуванням вузлів
ферми з парних кутиків. З іншого боку, у фермах із замкнутих профілів найбільш
раціональними є безфасоночні вузли з безпосереднім примиканням стержнів решітки
до поясів. Таку конструкцію вузлів можна прийняти при виконанні курсового
проекту.
Розглянемо
розрахунок і конструювання другого зліва вузла верхнього поясу, у якому
сходяться стержні В1, В2, Р1 і Р2 (див. рис 3.1). Побудову вузла на кресленні
починають з нанесення осьових штрих-пунктирних ліній, що співпадають з центрами
ваги перерізу, (рис.5.5). Вони повинні перетинатися в однієї точці – центрі
вузла.
Потім на
креслення наносять контурні лінії стержнів. Для цього необхідно:
1) паралельно
осьовим лініям з двох сторін від них на відстанях 0,5d для круглих труб
або 0,5h для ГЗП (див. рис. 4.1б і в) провести контурні лінії №1, що
позначають зовнішні кромки стержнів (рис. 5.5).
2) паралельно
лініям №1 на відстані t (див. рис. 4.1б і в) від них провести штрихові
лінії №2, що позначають невидимі внутрішні поверхні стержня (див. рис 5.5).

Рис.5.3 Схеми
вузлів ферми з круглих труб (а) і ГЗП (б)
При проектуванні
вузла необхідно перевірити міцність зварного шва, що кріпить розкіс решітки Р1
або Р2 до поясу за умовою:
(5.4)
де 0,85 –
коефіцієнт умов роботи шва, що враховує нерівномірність розподілення напружень
за довжиною шва.
Розшифровка решти
величин у формулі (5.4) наведена у розділі 5.1.
Катет шва kf
можна прийняти рівним меншій товщині стінки t замкнутих профілів розкоса
і поясу, що з’єднуються.
Розрахункову
довжину шва для ферм з круглих труб можна обчислити за формулою:
, (5.5)
де ξ
– коефіцієнт, який треба визначати за таблицею 5.1 у залежності від відношення d/D
d і D – відповідно
менший і більший зовнішній діаметр двох труб розкосу і поясу, що з’єднуються.
Значення
коефіцієнта ξ
| d/D |
0,2 |
0,5 |
0,6 |
0,7 |
0,75 |
0,8 |
0,85 |
0,9 |
0,95 |
1,0 |
| ξ |
1,00 |
1,01 |
1,02 |
1,03 |
1,04 |
1,05 |
1,06 |
1,08 |
1,12 |
1,22 |
α – кут між
осями труб (див. рис 5.5а)
(див. рис.1.1).
Розрахункову
довжину шва для ферм з квадратних ГЗП можна обчислити за формулою:
. (5.6)
Якщо умова (5.4)
виконується, то міцність зварного шва забезпечена. Якщо умова (5.4) не
виконується, то необхідно домогтися його виконання. Для цього можна:
1) перейти на
використання електроду Э46 або Э50 з більшим розрахунковим опором Rωf
(див. розділ 5.1).
2) збільшити
катет шва kf.
При цьому треба
мати на увазі, що у відповідності з нормами [2] величина kf
повинна задовольняти умові:
kf≤1,2·tmin
де tmin
– найменша товщина стінки t стержнів розкосу і верхнього поясу, що
з’єднуються.
Якщо виникає необхідність,
то треба збільшити товщину стінки розкосу або поясу для того, щоб можна було
прийняти більший катет шва kf. Величина kf
повинна бути кратна 1мм.
6.
Конструювання ферми
Після підбору
поперечних перерізів стержнів і проектування вузлів, необхідно розробити
детальне креслення ферми. Докладні вказівки до виконання такого креслення
наведені на стор.351-360 [3]. Воно повинно містити:
- геометричну
схему і схему зусиль ферми (див. рис.12.6.5 [3])
- головний вид,
види зверху, знизу і зліва (див. рис.12.6.8 [3])
- специфікацію і
таблицю відправних марок (див. рис.12.6.11а,в [3]).
Ферму виробляють
на заводі, а потім перевозять на будівельний майданчик і монтують. Це приводить
до необхідності передбачити можливість транспортування ферми. Якщо можливості
автомобільного і залізничного транспорту не дозволяють перевозити ферму цілком
через великі розміри і масу, то її розбивають на відправні елементи (відправні
марки), що відповідають можливості транспортування. Відправні марки збирають у
цілу ферму на будівельному майданчику. Цей процес називають укрупнювальною
збіркою.
Ферми, що мають
проліт 18м можна транспортувати цілком. Ферми, що мають проліт 24; 30 і 36м
необхідно розбивати для перевезення на відправні марки. Як правило, такі ферми
розбивають на два відправних елемента, що відповідають половині прольоту L.
Укрупнювальний монтажний стик двох полуферм виконують посередині прольоту.
Якщо ферма
виконана з парних кутиків, то конструкція такого стику наведена на рис.6.1

Рис.6.1
Укрупнювальний монтажний стик двох полуферм з парних кутиків
Оскільки у фермах
прольотом 30 і 36м переріз верхнього і нижнього поясів змінюється за довжиною,
виникає необхідність влаштування заводських стиків поясів. Вузли, біля яких
рекомендується влаштовувати стик, обведені колом на рис 3.1. Саме місце стику
знаходиться у менше напруженій панелі поясу, що примикає до вузла. Воно
відмічене на рис.3.1 двома короткими вертикальними лініями.
Вказівки до
конструювання таких вузлів наведені у літературі: стор.203-204 [8],
стор.233-234 [5].
При проектуванні
ферм із замкнутих профілів необхідно забезпечити герметичність внутрішньої
порожнини стержнів для запобігання виникненню корозії. Для цього, зокрема,
необхідно ставити заглушки зі сторони відкритих частин профілів (рис.6.4).

Рис.6.4
Конструкція вузла із заглушкою
7. Розробка
схеми в’язей по покриттю
Для забезпечення
просторової жорсткості покриття і стійкості окремих стержнів стропильних ферм
влаштовують в’язі між фермами. Вони являють собою стержньову конструкцію, яка
разом з вертикальними стропильними фермами повинна утворювати геометрично
незмінну жорстку систему.
В’язі між фермами
поділяють на вертикальні і горизонтальні. Горизонтальні в’язі треба
розташовувати у площинах нижніх і верхніх поясів стропильних ферм (рис.7.1)

Рис.7.1
Схема в’язей між фермами
На верхній схемі
показане розташування в’язей у плані на відмітці низу ферм, а на нижній схемі -
на відмітці верху ферм. Стропильні ферми показані суцільними прямими лініями
уздовж цифрових розбивочних осей будинку. Вони спираються на сталеві колони,
які позначені двотавром. Відрізки прямої на схемах зображують стержні в’язей.
Їх поперечний переріз може мати вигляд одиночних кутиків, парних кутиків або
замкнутих профілів.
Горизонтальні
в’язі, що розташовані поперек цеху (паралельно цифровим розбивочним осям)
називають поперечними. Горизонтальні в’язі, що розташовані уздовж цеху
(паралельно буквеним розбивочним осям) називають поздовжніми.
По верхнім поясам
стропильних ферм влаштовують тільки поперечні горизонтальні в’язі у торцях цеху
і в середині на відстані 50-60м одні від інших. По нижнім поясам стропильних
ферм влаштовують як поперечні, так і поздовжні горизонтальні в’язі. Поперечні
в’язі повинні розташовуватись між тими ж цифровими розбивочними осями, що і
в’язі по верхнім поясам стропильних ферм. Поздовжні в’язі влаштовують за всією
довжиною цеху уздовж поздовжніх рядів колон.
Вертикальні в’язі
у покритті розміщують між тими ж цифровими розбивочними осями, що і
горизонтальні поперечні в’язі. Вони знаходяться між горизонтальними площинами
верхніх і нижніх поясів стропильних ферм. На плані в’язей вони видні “з ребра”
і тому показані пунктирною лінією. За довжиною прольоту ферми вертикальні в’язі
влаштовують біля опор (між колонами), а також у прольоті ферми на відстані
9-12м друг від друга. У тих прольотах, де між цифровими розбивочними осями
вертикальні в’язі відсутні, встановлюють розпірки.
На рис.7.2
зображені фрагменти плану в’язей по покриттю при різних кроках колон (6 і 12м).
При безпрогонному
типі покриття і кроку 12м доцільно використовувати схему “в” або “г”. При прогонному
типі покриття і кроку 12м як правило проектуються наскрізні прогони. У цьому
випадку можна використовувати схему “д”.
При виконанні
курсового проекту необхідно у графічній частині навести плани в’язей по верхнім
і нижнім поясам ферм, а також схему розташування ферм і елементів покриття
(панелей або прогонів) (див.рис7.1). Останню схему можна сумістити з планом
в’язей по верхнім поясам ферм.
Література
1. СНиП
*. Нагрузки и воздействия /Госстрой СССР. – М.: ЦИТП Госстроя СССР,
1988. – 96 с
2. СНиП
II-23-81*. Стальные конструкции /Госстрой СССР. – М.: ЦИТП Госстроя
СССР, 1988. – 96 с
3.
Будасов
4.
Расчет стальных конструкций: Справ. пособие/ Я. М. Лихтарников, Д. В.
Ладыженский, В. М. Клыков.- 2-е изд., перераб. и доп.- К.: Будівельник,
1984.-с. 368.
5.
Беленя, В.А. Балдин, Г.С. Ведеников и др.; Под. общ. ред. Е.И. Беленя. 6-е
изд., перераб. и доп. – М.: Стройиздат, 1986. – 560 с., ил.
6.
Муханов К.К. Металлические конструкции. Учебник для вузов. Изд. 3-е, испр. и
доп. М., Стройиздат, 1978. 572 с.
7.
Мандриков
8.
Лихтарников